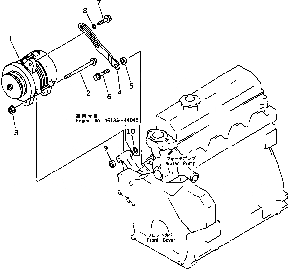
Запчасти Komatsu 4D95L-1Z ГЕНЕРАТОР И КРЕПЛЕНИЕ (A) ЭЛЕКТРИКА

Схема запчастей Komatsu 4D95L-1Z - ГЕНЕРАТОР И КРЕПЛЕНИЕ (A) ЭЛЕКТРИКА
FIT
1:1
100%

Артикул

Название

Примечание

Количество

1

600-821-3850

ALTERNATOR A. (15A),(SEE FIG.0641A)

SN: 101602-UP

1шт.

1

0

ALTERNATOR A. (15A),(SEE FIG.0641)

SN: 41633-101601

1шт.

|$$3

(600-821-3850,04120-21747)

-1шт.

2

6204-81-6810

BOLT

SN: 41633-UP

1шт.

3

01584-00806

NUT

SN: 41633-UP

1шт.

4

6204-81-6630

PLATE,ADJUST

SN: 41633-UP

1шт.

5

6691-41-8230

SPACER, 10MM

SN: 41633-UP

1шт.

6

01435-20855

BOLT

SN: 41633-UP

1шт.

7

01435-20825

BOLT

SN: 41633-UP

1шт.

8

01643-30823

WASHER

SN: 41633-UP

1шт.

9

6142-82-6550

SPACER

SN: 44046-UP

1шт.

9

0

SPACER, 10MM

SN: 41633-44045

1шт.

10

01643-30823

WASHER

SN: 41633-44045

1шт.

Выбрано товаров: 13