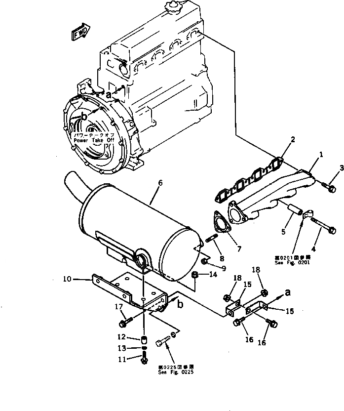
Запчасти Komatsu 4D95L-1Z ВЫПУСКНОЙ КОЛЛЕКТОР И ГЛУШИТЕЛЬ(№-779) ГОЛОВКА ЦИЛИНДРОВ

Схема запчастей Komatsu 4D95L-1Z - ВЫПУСКНОЙ КОЛЛЕКТОР И ГЛУШИТЕЛЬ(№-779) ГОЛОВКА ЦИЛИНДРОВ
FIT
1:1
100%

Артикул

Название

Примечание

Количество

1

6204-11-5120

MANIFOLD,EXHAUST

SN: 41633-@

1шт.

2

6204-11-5810

GASKET (K1)

SN: 41633-@

1шт.

3

01435-01045

BOLT

SN: 41633-@

7шт.

4

6206-21-4860

BOLT

SN: 41633-@

1шт.

5

6112-23-6971

SPACER

SN: 41633-@

1шт.

6

6204-11-5253

MUFFLER

SN: 41633-@

1шт.

7

6144-11-5821

GASKET (K1)

SN: 41633-@

1шт.

8

01140-61025

STUD

SN: 41633-@

3шт.

9

6142-12-5850

NUT

SN: 41633-@

3шт.

10

6204-11-5651

BRACKET

SN: 41633-@

1шт.

10

0

BRACKET

SN: 41633-73709

1шт.

11

01435-21050

BOLT

SN: 41633-@

4шт.

12

6631-11-5630

SPACER

SN: 41633-@

4шт.

13

01643-31032

WASHER

SN: 41633-@

4шт.

14

01584-01008

NUT

SN: 41633-@

4шт.

15

6204-11-5690

BRACKET

SN: 41633-73709

2шт.

16

01435-01020

BOLT

SN: 41633-73709

2шт.

17

01435-01025

BOLT

SN: 41633-73709

1шт.

18

01584-01008

NUT

SN: 41633-73709

2шт.

Выбрано товаров: 19