Запчасти Komatsu 4D95L-W-1A - -

Схема запчастей Komatsu 4D95L-W-1A - - -
FIT
1:1
100%

Артикул

Название

Примечание

Количество

|1

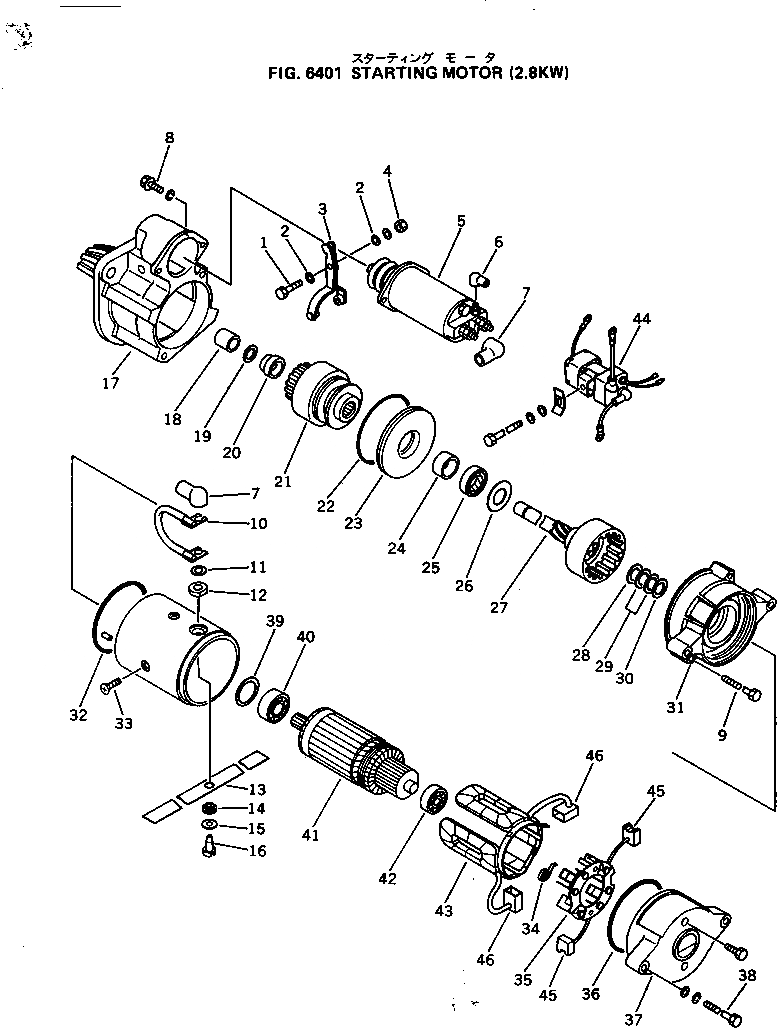
600-813-3130

STARTING MOTOR

SN: 10001-UP

1шт.

1

KD1-21303-0300

PIN

SN: 10001-UP

1шт.

2

KD1-0345-06001

SEAL

SN: 10001-UP

2шт.

3

KD1-23320-0180

LEVER ASS'Y

SN: 10001-UP

1шт.

4

KD1-09279-0080

NUT

SN: 10001-UP

1шт.

5

KD0-47100-3590

MAGNETIC SWITCH

SN: 10001-UP

1шт.

6

KD1-09252-0420

CAP

SN: 10001-UP

1шт.

7

KD1-09252-0430

CAP

SN: 10001-UP

2шт.

8

KD0-0274-06202

BOLT

SN: 10001-UP

2шт.

9

KD1-0240-06355

BOLT

SN: 10001-UP

2шт.

10

KD0-23785-0210

WIRE

SN: 10001-UP

1шт.

11

KD1-47921-0280

WASHER

SN: 10001-UP

1шт.

12

KD1-23943-0060

BUSHING

SN: 10001-UP

1шт.

13

KD1-23946-0110

SHEET

SN: 10001-UP

1шт.

14

KD1-23953-0070

BUSHING

SN: 10001-UP

1шт.

15

KD1-23946-0100

SHEET

SN: 10001-UP

1шт.

16

KD1-23905-0080

RIVET

SN: 10001-UP

1шт.

17

KD1-23310-0050

BRACKET ASS'Y

SN: 10001-UP

1шт.

18

KD7-23351-0160

METAL

SN: 10001-UP

1шт.

19

KD1-09066-0050

RING

SN: 10001-UP

1шт.

20

KD1-23181-0050

STOPPER

SN: 10001-UP

1шт.

21

KD0-23500-0350

CLUTCH ASS'Y

SN: 10001-UP

1шт.

22

KD1-09211-1180

O-RING

SN: 10001-UP

1шт.

23

KD0-23800-0170

BRACKET ASS'Y

SN: 10001-UP

1шт.

24

KD7-23351-0150

METAL

SN: 10001-UP

1шт.

25

KD1-09210-0670

OIL SEAL

SN: 10001-UP

1шт.

26

KD1-09101-0100

WASHER

SN: 10001-UP

1шт.

27

KD1-23111-0370

SHAFT

SN: 10001-UP

1шт.

28

KD1-23921-0130

WASHER

SN: 10001-UP

1шт.

29

KD1-23921-0140

WASHER

SN: 10001-UP

2шт.

30

KD1-23941-0030

WASHER

SN: 10001-UP

1шт.

31

KD1-23611-0460

BRACKET

SN: 10001-UP

1шт.

32

KD1-09211-1160

O-RING

SN: 10001-UP

1шт.

33

KD1-0060-08142

SCREW

SN: 10001-UP

4шт.

34

KD1-23913-0070

BRUSH SPRING

SN: 10001-UP

4шт.

35

KD0-23750-0160

BRUSH HOLDER

SN: 10001-UP

1шт.

36

KD1-09211-1160

O-RING

SN: 10001-UP

1шт.

37

KD1-23711-0180

BRACKET

SN: 10001-UP

1шт.

38

KD1-23901-0080

BOLT

SN: 10001-UP

2шт.

39

KD1-23921-0150

WASHER

SN: 10001-UP

1шт.

40

KD1-0444-60037

BEARING

SN: 10001-UP

1шт.

41

KD1-23100-0170

ARMATURE

SN: 10001-UP

1шт.

42

KD1-0444-06087

BALL BEARING

SN: 10001-UP

1шт.

43

KD1-23230-0220

FIELD COIL

SN: 10001-UP

1шт.

44

KD0-25000-6080

SAFETY RELAY

SN: 10001-UP

1шт.

45

KD1-23740-0140

BRUSH

SN: 10001-UP

2шт.

46

KD1-23740-0150

BRUSH

SN: 10001-UP

2шт.

|1

600-813-3130

STARTING MOTOR

SN: 10001-UP

1шт.

1

KD1-21303-0300

PIN

SN: 10001-UP

1шт.

2

KD1-0345-06001

SEAL

SN: 10001-UP

2шт.

3

KD1-23320-0180

LEVER ASS'Y

SN: 10001-UP

1шт.

4

KD1-09279-0080

NUT

SN: 10001-UP

1шт.

5

KD0-47100-3590

MAGNETIC SWITCH

SN: 10001-UP

1шт.

6

KD1-09252-0420

CAP

SN: 10001-UP

1шт.

7

KD1-09252-0430

CAP

SN: 10001-UP

2шт.

8

KD0-0274-06202

BOLT

SN: 10001-UP

2шт.

9

KD1-0240-06355

BOLT

SN: 10001-UP

2шт.

10

KD0-23785-0210

WIRE

SN: 10001-UP

1шт.

11

KD1-47921-0280

WASHER

SN: 10001-UP

1шт.

12

KD1-23943-0060

BUSHING

SN: 10001-UP

1шт.

13

KD1-23946-0110

SHEET

SN: 10001-UP

1шт.

14

KD1-23953-0070

BUSHING

SN: 10001-UP

1шт.

15

KD1-23946-0100

SHEET

SN: 10001-UP

1шт.

16

KD1-23905-0080

RIVET

SN: 10001-UP

1шт.

17

KD1-23310-0050

BRACKET ASS'Y

SN: 10001-UP

1шт.

18

KD7-23351-0160

METAL

SN: 10001-UP

1шт.

19

KD1-09066-0050

RING

SN: 10001-UP

1шт.

20

KD1-23181-0050

STOPPER

SN: 10001-UP

1шт.

21

KD0-23500-0350

CLUTCH ASS'Y

SN: 10001-UP

1шт.

22

KD1-09211-1180

O-RING

SN: 10001-UP

1шт.

23

KD0-23800-0170

BRACKET ASS'Y

SN: 10001-UP

1шт.

24

KD7-23351-0150

METAL

SN: 10001-UP

1шт.

25

KD1-09210-0670

OIL SEAL

SN: 10001-UP

1шт.

26

KD1-09101-0100

WASHER

SN: 10001-UP

1шт.

27

KD1-23111-0370

SHAFT

SN: 10001-UP

1шт.

28

KD1-23921-0130

WASHER

SN: 10001-UP

1шт.

29

KD1-23921-0140

WASHER

SN: 10001-UP

2шт.

30

KD1-23941-0030

WASHER

SN: 10001-UP

1шт.

31

KD1-23611-0460

BRACKET

SN: 10001-UP

1шт.

32

KD1-09211-1160

O-RING

SN: 10001-UP

1шт.

33

KD1-0060-08142

SCREW

SN: 10001-UP

4шт.

34

KD1-23913-0070

BRUSH SPRING

SN: 10001-UP

4шт.

35

KD0-23750-0160

BRUSH HOLDER

SN: 10001-UP

1шт.

36

KD1-09211-1160

O-RING

SN: 10001-UP

1шт.

37

KD1-23711-0180

BRACKET

SN: 10001-UP

1шт.

38

KD1-23901-0080

BOLT

SN: 10001-UP

2шт.

39

KD1-23921-0150

WASHER

SN: 10001-UP

1шт.

40

KD1-0444-60037

BEARING

SN: 10001-UP

1шт.

41

KD1-23100-0170

ARMATURE

SN: 10001-UP

1шт.

42

KD1-0444-06087

BALL BEARING

SN: 10001-UP

1шт.

43

KD1-23230-0220

FIELD COIL

SN: 10001-UP

1шт.

44

KD0-25000-6080

SAFETY RELAY

SN: 10001-UP

1шт.

45

KD1-23740-0140

BRUSH

SN: 10001-UP

2шт.

46

KD1-23740-0150

BRUSH

SN: 10001-UP

2шт.

Выбрано товаров: 94