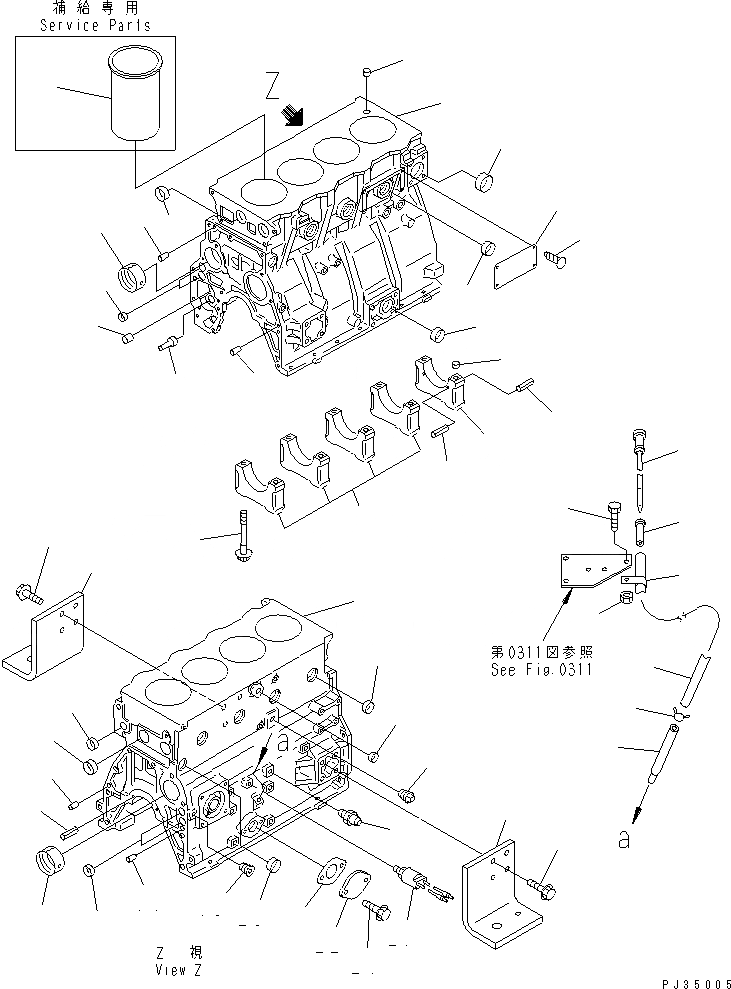
Запчасти Komatsu 4D95S-W-1J БЛОК ЦИЛИНДРОВ БЛОК ЦИЛИНДРОВ

Схема запчастей Komatsu 4D95S-W-1J - БЛОК ЦИЛИНДРОВ БЛОК ЦИЛИНДРОВ
1
1
2
3
4
5
6
7
7
7
8
9
10
11
11
12
12
13
14
14
15
15
15
16
17
18
19
20
21
22
23
24
25
26
27
28
29
30
31
32
33
34
35
36
37
38
39
39
40
41
42
FIT
1:1
100%

Артикул

Название

Примечание

Количество

|$0

6204-21-1102

CYLINDER BLOCK ASS'Y

SN: 39040-UP

1шт.

1

0

BLOCK,CYLINDER

SN: 39040-UP

1шт.

2

6204-21-1410

BUSHING,CAMSHAFT

SN: 39040-UP

1шт.

3

6206-21-1420

BUSHING,CAMSHAFT

SN: 39040-UP

2шт.

4

0

CAP,MAIN METAL, NO.1,2,3,4

SN: 39040-UP

4шт.

5

0

CAP,MAIN METAL, NO.5

SN: 39040-UP

1шт.

6

6141-21-1530

RING,DOWEL

SN: 39040-UP

2шт.

7

04025-00408

PIN,SPRING

SN: 39040-UP

6шт.

8

6204-21-1610

BOLT,MAIN CAP

SN: 39040-UP

10шт.

9

6204-51-1710

BUSHING,OIL PUMP

SN: 39040-UP

1шт.

10

6204-51-1620

SHAFT,OIL PUMP

SN: 39040-UP

1шт.

11

07046-41810

PLUG

SN: 39040-UP

4шт.

12

04020-00820

PIN,DOWEL

SN: 39040-UP

2шт.

13

07046-42216

PLUG

SN: 39040-UP

1шт.

14

04020-01228

PIN,DOWEL

SN: 39040-UP

2шт.

15

07046-43016

PLUG

SN: 39040-UP

6шт.

16

07046-42516

PLUG

SN: 39040-UP

4шт.

17

07042-10312

PLUG

SN: 39040-UP

1шт.

18

07043-50108

PLUG

SN: 39040-UP

6шт.

19

6140-21-1130

BUSHING,DOWEL

SN: 39040-UP

2шт.

20

07046-44016

PLUG

SN: 39040-UP

1шт.

21

07046-23016

PLUG

SN: 39040-UP

1шт.

22

6204-21-6710

PLATE

SN: 39040-UP

1шт.

23

6132-11-4820

GASKET (K2)

SN: 39040-UP

1шт.

24

01435-20814

BOLT

SN: 39040-UP

2шт.

25

07046-42216

PLUG

SN: 39040-UP

1шт.

26

07046-41410

PLUG

SN: 39040-UP

1шт.

27

600-815-1120

SWITCH,PRESSURE

SN: 39040-UP

1шт.

28

08073-00510

SWITCH

SN: 39040-UP

1шт.

29

6204-21-5410

GUIDE,OIL GAUGE

SN: 39040-UP

1шт.

30

07281-00167

CLAMP

SN: 41372-UP

1шт.

30

6144-61-6510

CLIP

SN: 39040-41371

1шт.

31

6204-21-5480

TUBE

SN: 39040-UP

1шт.

32

6201-21-5420

GUIDE

SN: 39040-UP

1шт.

33

6201-21-5330

GAUGE,OIL

SN: 39040-UP

1шт.

34

M800977914104

CLIP

SN: 39040-UP

1шт.

35

M800906008200

BOLT

SN: 39040-UP

1шт.

36

M018200800006

NUT

SN: 39040-UP

1шт.

37

6202-21-3721

SUPPORT,L.H.

SN: 39040-UP

1шт.

38

6202-21-3711

SUPPORT,R.H.

SN: 39040-UP

1шт.

39

01435-01025

BOLT

SN: 39040-UP

8шт.

40

09605-01411

PLATE, NAME,(LIMITED SUPPLY)

SN: 39040-UP

1шт.

41

04418-02550

SCREW

SN: 39040-UP

4шт.

42

6207-21-2110

LINER (MARK A),CYLINDER

SN: 39040-UP

-2шт.

42

6207-21-2120

LINER (MARK B),CYLINDER

SN: 39040-UP

-2шт.

Выбрано товаров: 45