Запчасти Komatsu 6D105-1BB ГЕНЕРАТОР (A) (С НЕ ЗАКАЛЕНН. ШКИВ)(№9-7) ЭЛЕКТРИКА

Схема запчастей Komatsu 6D105-1BB - ГЕНЕРАТОР (A) (С НЕ ЗАКАЛЕНН. ШКИВ)(№9-7) ЭЛЕКТРИКА
1
2
3
3
4
4
5
6
7
8
9
10
10
10
11
12
13
14
15
16
17
18
19
20
21
22
23
23
24
25
26
27
28
29
30
31
32
33
34
1
2
3
3
4
4
5
6
7
8
9
10
10
10
11
12
13
14
15
16
17
18
19
20
21
22
23
23
24
25
26
27
28
29
30
31
32
33
34
FIT
1:1
100%

Артикул

Название

Примечание

Количество

|$0

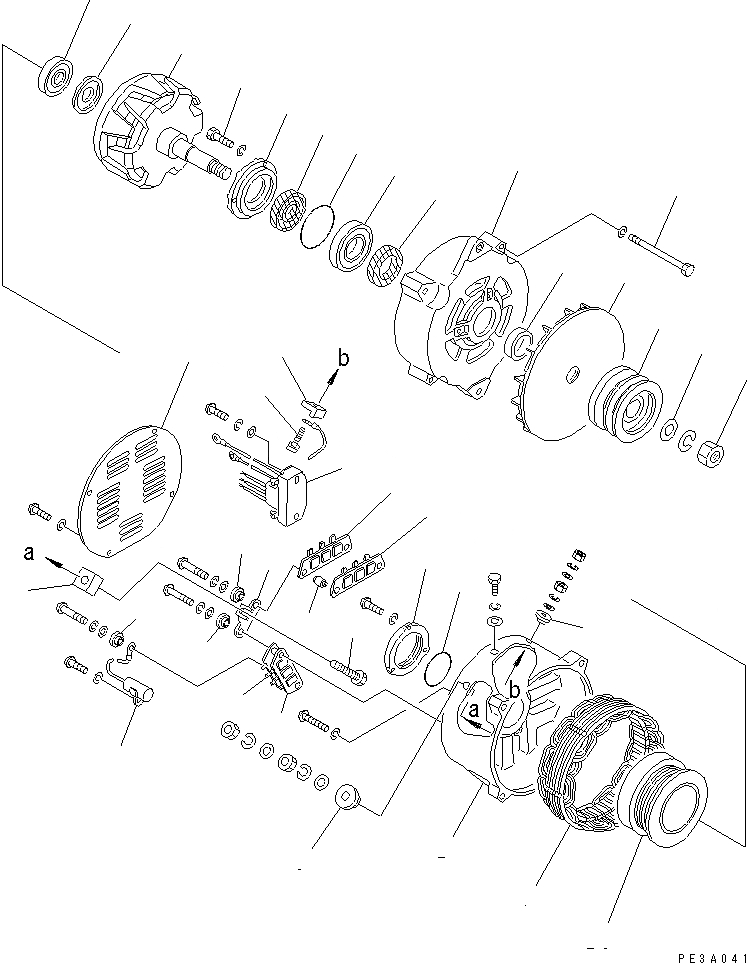
600-821-8940

ALTERNATOR A. (50A),(WITH NON HARDENING PULLEY)

SN: 62390-70634

1шт.

1

SD1211-35010X0

STATOR ASS'Y

SN: 62390-70634

1шт.

|$2

SD1230-18802X0

REAR BRACKET ASS'Y

SN: 62390-70634

1шт.

2

SD2240-19500X0

BRACKET

SN: 62390-70634

1шт.

3

SD1235-06400X0

HEAT SINK ASS'Y(+)

SN: 62390-70634

2шт.

4

SD1235-06410X0

HEAT SINK ASS'Y(-)

SN: 62390-70634

2шт.

5

SD5010-26400X0

BOLT

SN: 62390-70634

1шт.

6

SD3220-38800X0

SUPPORT

SN: 62390-70634

1шт.

7

SD4215-04000X0

INSULATOR

SN: 62390-70634

1шт.

8

SD4041-07500X0

BUSHING

SN: 62390-70634

1шт.

9

SD4215-03900X0

INSULATOR

SN: 62390-70634

4шт.

10

SD4041-00900X0

BUSHING

SN: 62390-70634

4шт.

11

SD6060-11920X0

CONDENSER

SN: 62390-70634

1шт.

12

SD8140-0503010

BOLT

SN: 62390-70634

1шт.

13

SD4215-01300X0

INSULATOR

SN: 62390-70634

1шт.

14

SD4041-05700X0

BUSHING

SN: 62390-70634

1шт.

15

SD1510-02910X0

REGULATOR ASS'Y

SN: 62390-70634

1шт.

16

SD4142-01000X0

O-RING

SN: 62390-70634

1шт.

17

SD2202-01401X0

COVER

SN: 62390-70634

1шт.

18

SD6206-00730X0

BEARING,BALL

SN: 62390-70634

1шт.

19

SD3409-00300X0

COVER

SN: 62390-70634

1шт.

20

SD1251-00700X0

COIL ASS'Y

SN: 62390-70634

1шт.

21

SD1221-15100X0

ROTOR ASS'Y

SN: 62390-70634

1шт.

|$23

SD1240-07200X0

FRONT BRACKET ASS'Y

SN: 62390-70634

1шт.

22

SD2242-08600X0

BRACKET

SN: 62390-70634

1шт.

23

SD6410-02000X0

SEAL,OIL

SN: 62390-70634

2шт.

24

SD6206-00320X0

BEARING,BALL

SN: 62390-70634

1шт.

25

SD4142-00900X0

O-RING

SN: 62390-70634

1шт.

26

SD2202-02200X0

COVER

SN: 62390-70634

1шт.

27

SD5010-21500X0

BOLT

SN: 62390-70634

3шт.

28

SD5010-04730X0

BOLT

SN: 62390-70634

4шт.

29

SD3600-17300X0

COLLAR

SN: 62390-70634

1шт.

30

SD1982-03200X0

FAN ASS'Y

SN: 62390-70634

1шт.

31

SD2080-21300X0

PULLEY,NON HARDENING

SN: 62390-70634

1шт.

32

SD3000-07800X0

WASHER

SN: 62390-70634

1шт.

33

SD8264-1830010

NUT

SN: 62390-70634

1шт.

34

SD3002-04600X0

COVER

SN: 62390-70634

1шт.

|$0

600-821-8940

ALTERNATOR A. (50A),(WITH NON HARDENING PULLEY)

SN: 62390-70634

1шт.

1

SD1211-35010X0

STATOR ASS'Y

SN: 62390-70634

1шт.

|$2

SD1230-18802X0

REAR BRACKET ASS'Y

SN: 62390-70634

1шт.

2

SD2240-19500X0

BRACKET

SN: 62390-70634

1шт.

3

SD1235-06400X0

HEAT SINK ASS'Y(+)

SN: 62390-70634

2шт.

4

SD1235-06410X0

HEAT SINK ASS'Y(-)

SN: 62390-70634

2шт.

5

SD5010-26400X0

BOLT

SN: 62390-70634

1шт.

6

SD3220-38800X0

SUPPORT

SN: 62390-70634

1шт.

7

SD4215-04000X0

INSULATOR

SN: 62390-70634

1шт.

8

SD4041-07500X0

BUSHING

SN: 62390-70634

1шт.

9

SD4215-03900X0

INSULATOR

SN: 62390-70634

4шт.

10

SD4041-00900X0

BUSHING

SN: 62390-70634

4шт.

11

SD6060-11920X0

CONDENSER

SN: 62390-70634

1шт.

12

SD8140-0503010

BOLT

SN: 62390-70634

1шт.

13

SD4215-01300X0

INSULATOR

SN: 62390-70634

1шт.

14

SD4041-05700X0

BUSHING

SN: 62390-70634

1шт.

15

SD1510-02910X0

REGULATOR ASS'Y

SN: 62390-70634

1шт.

16

SD4142-01000X0

O-RING

SN: 62390-70634

1шт.

17

SD2202-01401X0

COVER

SN: 62390-70634

1шт.

18

SD6206-00730X0

BEARING,BALL

SN: 62390-70634

1шт.

19

SD3409-00300X0

COVER

SN: 62390-70634

1шт.

20

SD1251-00700X0

COIL ASS'Y

SN: 62390-70634

1шт.

21

SD1221-15100X0

ROTOR ASS'Y

SN: 62390-70634

1шт.

|$23

SD1240-07200X0

FRONT BRACKET ASS'Y

SN: 62390-70634

1шт.

22

SD2242-08600X0

BRACKET

SN: 62390-70634

1шт.

23

SD6410-02000X0

SEAL,OIL

SN: 62390-70634

2шт.

24

SD6206-00320X0

BEARING,BALL

SN: 62390-70634

1шт.

25

SD4142-00900X0

O-RING

SN: 62390-70634

1шт.

26

SD2202-02200X0

COVER

SN: 62390-70634

1шт.

27

SD5010-21500X0

BOLT

SN: 62390-70634

3шт.

28

SD5010-04730X0

BOLT

SN: 62390-70634

4шт.

29

SD3600-17300X0

COLLAR

SN: 62390-70634

1шт.

30

SD1982-03200X0

FAN ASS'Y

SN: 62390-70634

1шт.

31

SD2080-21300X0

PULLEY,NON HARDENING

SN: 62390-70634

1шт.

32

SD3000-07800X0

WASHER

SN: 62390-70634

1шт.

33

SD8264-1830010

NUT

SN: 62390-70634

1шт.

34

SD3002-04600X0

COVER

SN: 62390-70634

1шт.

Выбрано товаров: 74