Запчасти Komatsu 6D105-1Z ВЫПУСКНОЙ КОЛЛЕКТОР И ТУРБОНАГНЕТАТЕЛЬ (С ТУРБОНАГНЕТАТЕЛЬ) ГОЛОВКА ЦИЛИНДРОВ

Схема запчастей Komatsu 6D105-1Z - ВЫПУСКНОЙ КОЛЛЕКТОР И ТУРБОНАГНЕТАТЕЛЬ (С ТУРБОНАГНЕТАТЕЛЬ) ГОЛОВКА ЦИЛИНДРОВ
1
2
3
4
4
5
5
6
7
8
9
10
11
12
1
2
3
4
4
5
5
6
7
8
9
10
11
12
FIT
1:1
100%

Артикул

Название

Примечание

Количество

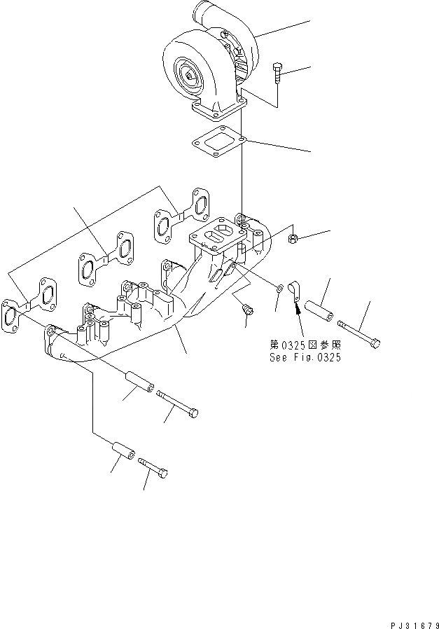
1

6137-11-5110

MANIFOLD,EXHAUST

SN: 62390-UP

1шт.

2

07042-20108

PLUG

SN: 62390-UP

1шт.

3

6136-11-5810

GASKET (K1)

SN: 62390-UP

3шт.

4

01011-31000

BOLT

SN: 62390-UP

11шт.

5

6136-11-5120

SPACER

SN: 62390-UP

11шт.

6

01010-31060

BOLT

SN: 62390-UP

1шт.

7

6112-21-6960

SPACER

SN: 62390-UP

1шт.

8

01643-31032

WASHER

SN: 62390-UP

1шт.

9

6137-82-8100

TURBOCHARGER ASS'Y,(SEE FIG.0155)

SN: 62390-UP

1шт.

10

6131-11-5170

GASKET (K1)

SN: 62390-UP

1шт.

11

02030-40638

BOLT

SN: 62390-UP

4шт.

12

6131-11-1290

NUT

SN: 62390-UP

4шт.

1

6137-11-5110

MANIFOLD,EXHAUST

SN: 62390-UP

1шт.

2

07042-20108

PLUG

SN: 62390-UP

1шт.

3

6136-11-5810

GASKET (K1)

SN: 62390-UP

3шт.

4

01011-31000

BOLT

SN: 62390-UP

11шт.

5

6136-11-5120

SPACER

SN: 62390-UP

11шт.

6

01010-31060

BOLT

SN: 62390-UP

1шт.

7

6112-21-6960

SPACER

SN: 62390-UP

1шт.

8

01643-31032

WASHER

SN: 62390-UP

1шт.

9

6137-82-8100

TURBOCHARGER ASS'Y,(SEE FIG.0155)

SN: 62390-UP

1шт.

10

6131-11-5170

GASKET (K1)

SN: 62390-UP

1шт.

11

02030-40638

BOLT

SN: 62390-UP

4шт.

12

6131-11-1290

NUT

SN: 62390-UP

4шт.

Выбрано товаров: 24