Запчасти Komatsu 6D105-1Z СИСТЕМА СМАЗКИ МАСЛООХЛАДИТЕЛЬ(№79-) СИСТЕМА СМАЗКИ МАСЛ. СИСТЕМА

Схема запчастей Komatsu 6D105-1Z - СИСТЕМА СМАЗКИ МАСЛООХЛАДИТЕЛЬ(№79-) СИСТЕМА СМАЗКИ МАСЛ. СИСТЕМА
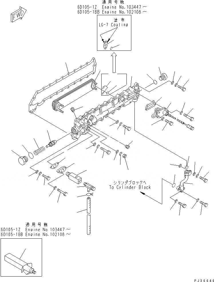
1
2
3
4
5
6
7
8
9
10
10
11
11
12
13
14
15
16
16
17
18
19
20
20
20
20
20
20
20
21
21
21
21
21
21
22
23
24
25
26
27
27
28
29
30
31
32
33
34
35
36
37
38
39
40
41
1
2
3
4
5
6
7
8
9
10
10
11
11
12
13
14
15
16
16
17
18
19
20
20
20
20
20
20
20
21
21
21
21
21
21
22
23
24
25
26
27
27
28
29
30
31
32
33
34
35
36
37
38
39
40
41
FIT
1:1
100%

Артикул

Название

Примечание

Количество

|$0

6136-62-2201

OIL COOLER ASS'Y

SN: 75963-UP

1шт.

|$1

0

OIL COOLER ASS'Y

SN: (75963-103446)

1шт.

1

6136-62-2211

COVER ASS'Y

SN: 103447-UP

1шт.

1

\4\6136-62-2210

COVER

SN: 75963-103446

1шт.

|$$5

(6136-62-2111,6136-61-2290(2))

-1шт.

1

07043-00415

PLUG,(NOT SHOWN)

SN: 75963-UP

1шт.

2

02720-40607

PLUG

SN: 75963-UP

2шт.

3

6138-61-2180

PLUG

SN: 75963-UP

1шт.

4

6136-61-2190

O-RING (K2)

SN: 75963-UP

1шт.

5

6136-62-2170

VALVE,THERMO

SN: 75963-UP

1шт.

6

6136-62-2160

SPRING

SN: 75963-UP

1шт.

7

6136-62-2140

PLUG

SN: 75963-UP

1шт.

8

6136-61-2150

O-RING (K2)

SN: 75963-UP

1шт.

9

600-651-1440

ELEMENT,OIL COOLER

SN: 75963-UP

1шт.

10

6136-61-2190

O-RING (K2)

SN: 75963-UP

2шт.

11

6136-61-2290

GASKET (K2)

SN: 103447-UP

2шт.

11

6127-61-2971

O-RING (K2)

SN: 75963-103446

4шт.

12

01580-10806

NUT

SN: 75963-UP

4шт.

13

01602-20825

WASHER,SPRING

SN: 75963-UP

4шт.

14

01641-20812

WASHER

SN: 75963-UP

4шт.

15

6136-61-2811

GASKET (K2)

SN: 75963-UP

1шт.

16

01010-30825

BOLT

SN: 75993-UP

5шт.

17

01010-30830

BOLT

SN: 75993-UP

2шт.

18

01010-30835

BOLT

SN: 75963-UP

12шт.

19

01010-30865

BOLT

SN: 75963-UP

1шт.

20

01602-00825

WASHER,SPRING

SN: 75963-UP

24шт.

21

01640-20816

WASHER

SN: 75963-UP

21шт.

22

6136-51-6311

PIPE,OIL

SN: 75963-UP

1шт.

23

07000-23022

O-RING (K2)

SN: 75963-UP

1шт.

24

07000-63028

O-RING (K2)

SN: 75963-UP

1шт.

25

01010-30830

BOLT

SN: 75963-UP

1шт.

26

01010-30840

BOLT

SN: 75963-UP

1шт.

27

01602-00825

WASHER,SPRING

SN: 75963-UP

2шт.

28

600-815-6470

HEATER

SN: 75963-UP

1шт.

29

6136-61-6810

GASKET (K2)

SN: 75963-UP

1шт.

30

01010-30880

BOLT

SN: 75963-UP

2шт.

31

01010-30825

BOLT

SN: 75963-UP

2шт.

32

01602-00825

WASHER,SPRING

SN: 75963-UP

2шт.

33

07042-00415

PLUG

SN: 75963-UP

1шт.

34

6136-61-9720

PLATE

SN: 75963-UP

1шт.

35

6136-61-8810

GASKET (K2)

SN: 75963-UP

1шт.

36

01010-30865

BOLT

SN: 75963-UP

2шт.

37

6136-61-8670

NIPPLE

SN: 75963-UP

1шт.

38

6140-61-6512

VALVE,DRAIN

SN: 75963-UP

1шт.

39

07286-00835

HOSE

SN: 92179-UP

1шт.

39

6140-61-6612

HOSE

SN: 62390-92178

1шт.

40

6144-61-6510

CLIP

SN: 75963-UP

1шт.

41

09920-00150

LIQUID GASKET,LG-7 150G

SN: 103447-UP

1шт.

|$0

6136-62-2201

OIL COOLER ASS'Y

SN: 75963-UP

1шт.

|$1

0

OIL COOLER ASS'Y

SN: (75963-103446)

1шт.

1

6136-62-2211

COVER ASS'Y

SN: 103447-UP

1шт.

1

\4\6136-62-2210

COVER

SN: 75963-103446

1шт.

|$$5

(6136-62-2111,6136-61-2290(2))

-1шт.

1

07043-00415

PLUG,(NOT SHOWN)

SN: 75963-UP

1шт.

2

02720-40607

PLUG

SN: 75963-UP

2шт.

3

6138-61-2180

PLUG

SN: 75963-UP

1шт.

4

6136-61-2190

O-RING (K2)

SN: 75963-UP

1шт.

5

6136-62-2170

VALVE,THERMO

SN: 75963-UP

1шт.

6

6136-62-2160

SPRING

SN: 75963-UP

1шт.

7

6136-62-2140

PLUG

SN: 75963-UP

1шт.

8

6136-61-2150

O-RING (K2)

SN: 75963-UP

1шт.

9

600-651-1440

ELEMENT,OIL COOLER

SN: 75963-UP

1шт.

10

6136-61-2190

O-RING (K2)

SN: 75963-UP

2шт.

11

6136-61-2290

GASKET (K2)

SN: 103447-UP

2шт.

11

6127-61-2971

O-RING (K2)

SN: 75963-103446

4шт.

12

01580-10806

NUT

SN: 75963-UP

4шт.

13

01602-20825

WASHER,SPRING

SN: 75963-UP

4шт.

14

01641-20812

WASHER

SN: 75963-UP

4шт.

15

6136-61-2811

GASKET (K2)

SN: 75963-UP

1шт.

16

01010-30825

BOLT

SN: 75993-UP

5шт.

17

01010-30830

BOLT

SN: 75993-UP

2шт.

18

01010-30835

BOLT

SN: 75963-UP

12шт.

19

01010-30865

BOLT

SN: 75963-UP

1шт.

20

01602-00825

WASHER,SPRING

SN: 75963-UP

24шт.

21

01640-20816

WASHER

SN: 75963-UP

21шт.

22

6136-51-6311

PIPE,OIL

SN: 75963-UP

1шт.

23

07000-23022

O-RING (K2)

SN: 75963-UP

1шт.

24

07000-63028

O-RING (K2)

SN: 75963-UP

1шт.

25

01010-30830

BOLT

SN: 75963-UP

1шт.

26

01010-30840

BOLT

SN: 75963-UP

1шт.

27

01602-00825

WASHER,SPRING

SN: 75963-UP

2шт.

28

600-815-6470

HEATER

SN: 75963-UP

1шт.

29

6136-61-6810

GASKET (K2)

SN: 75963-UP

1шт.

30

01010-30880

BOLT

SN: 75963-UP

2шт.

31

01010-30825

BOLT

SN: 75963-UP

2шт.

32

01602-00825

WASHER,SPRING

SN: 75963-UP

2шт.

33

07042-00415

PLUG

SN: 75963-UP

1шт.

34

6136-61-9720

PLATE

SN: 75963-UP

1шт.

35

6136-61-8810

GASKET (K2)

SN: 75963-UP

1шт.

36

01010-30865

BOLT

SN: 75963-UP

2шт.

37

6136-61-8670

NIPPLE

SN: 75963-UP

1шт.

38

6140-61-6512

VALVE,DRAIN

SN: 75963-UP

1шт.

39

07286-00835

HOSE

SN: 92179-UP

1шт.

39

6140-61-6612

HOSE

SN: 62390-92178

1шт.

40

6144-61-6510

CLIP

SN: 75963-UP

1шт.

41

09920-00150

LIQUID GASKET,LG-7 150G

SN: 103447-UP

1шт.

Выбрано товаров: 96