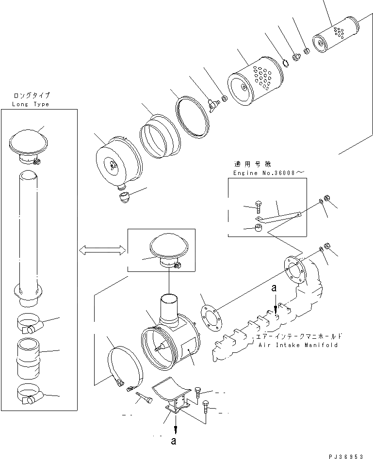
Запчасти Komatsu 6D125-1B-P ВОЗДУХООЧИСТИТЕЛЬ И КРЕПЛЕНИЕ ГОЛОВКА ЦИЛИНДРОВ

Схема запчастей Komatsu 6D125-1B-P - ВОЗДУХООЧИСТИТЕЛЬ И КРЕПЛЕНИЕ ГОЛОВКА ЦИЛИНДРОВ
1
2
3
4
5
6
7
8
9
10
11
12
13
14
14
15
15
16
17
18
19
20
21
22
23
24
24
25
26
26
27
FIT
1:1
100%

Артикул

Название

Примечание

Количество

1

6114-81-7202

AIR CLEANER ASS'Y

SN: 10001-UP

1шт.

1

6114-81-7211

BODY

SN: 10001-UP

1шт.

2

6114-80-7101

ELEMENT ASS'Y

SN: 10001-UP

1шт.

2

0

ELEMENT,INNER

SN: 10001-UP

1шт.

3

600-181-9631

NUT

SN: 10001-UP

1шт.

4

600-181-7511

WASHER,SEAL

SN: 10001-UP

1шт.

5

600-181-2500

ELEMENT ASS'Y,OUTER

SN: 10001-UP

1шт.

5

0

ELEMENT,OUTER

SN: 10001-UP

1шт.

6

600-181-2471

NUT,WING

SN: 10001-UP

1шт.

7

600-181-7511

WASHER,SEAL

SN: 10001-UP

1шт.

8

04064-01510

RING,SNAP

SN: 10001-UP

1шт.

9

600-181-2510

GUIDE

SN: 10001-UP

1шт.

10

600-181-2520

DUST PAN ASS'Y

SN: 10001-UP

1шт.

11

600-181-2480

VALVE

SN: 10001-UP

1шт.

12

600-181-2490

GASKET

SN: 10001-UP

1шт.

13

6136-11-4840

GASKET (K1)

SN: 11126-UP

1шт.

13

0

GASKET

SN: 10001-11125

1шт.

14

01582-11008

NUT

SN: 10001-UP

6шт.

15

01640-21016

WASHER

SN: 10001-UP

6шт.

16

6150-11-4541

PLATE

SN: 36008-UP

1шт.

17

6631-11-5630

SPACER

SN: 36008-UP

1шт.

18

01010-51040

BOLT

SN: 36008-UP

1шт.

19

6150-11-4510

BRACKET

SN: 10001-UP

1шт.

20

01010-51025

BOLT

SN: 10001-UP

2шт.

21

01010-51030

BOLT

SN: 10001-UP

2шт.

22

6691-11-4610

BAND ASS'Y

SN: 10001-UP

1шт.

23

6643-11-4641

BOLT

SN: 10001-UP

1шт.

24

600-181-2750

CAP

SN: 10001-UP

1шт.

24

600-181-2440

CAP,(LONG TYPE)

SN: 10001-UP

1шт.

25

600-181-0650

HOSE,(LONG TYPE)

SN: 10001-UP

1шт.

26

07281-01469

CLAMP,(LONG TYPE)

SN: 10001-UP

2шт.

27

09637-00161

PLATE¤ INSTRUCTION,(JAPANESE-ENGLISH)

SN: 10001-UP

1шт.

27

09637-02161

PLATE¤ INSTRUCTION,(ARABIC-ENGLISH)

SN: 10001-UP

1шт.

Выбрано товаров: 0