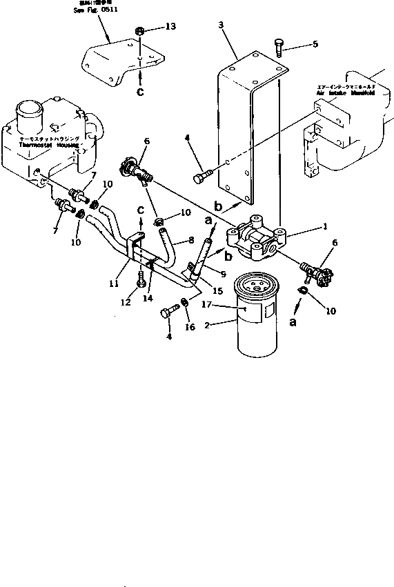
Запчасти Komatsu 6D125-1DD АНТИКОРРОЗ. ЭЛЕМЕНТ И ТРУБЫ СИСТЕМА ОХЛАЖДЕНИЯ

Схема запчастей Komatsu 6D125-1DD - АНТИКОРРОЗ. ЭЛЕМЕНТ И ТРУБЫ СИСТЕМА ОХЛАЖДЕНИЯ
FIT
1:1
100%

Артикул

Название

Примечание

Количество

|1

6150-61-8171

RESISTOR ASS'Y,CORROSION

SN: 23378-UP

1шт.

|1

0

RESISTOR ASS'Y,CORROSION

SN: 21811-23377

1шт.

1

6150-61-8211

HEAD

SN: 23378-UP

1шт.

|1

0

HEAD

SN: 21811-23377

1шт.

2

600-411-1150

CARTRIDGE

SN: 23378-UP

1шт.

|2

0

CARTRIDGE

SN: 21811-23377

1шт.

3

6150-61-8180

BRACKET

SN: 21811-UP

1шт.

4

01010-51030

BOLT

SN: 21811-UP

4шт.

5

02010-70625

BOLT

SN: 21811-UP

4шт.

6

6150-61-8410

VALVE,WATER

SN: 21811-UP

2шт.

7

6138-55-7610

NIPPLE

SN: 21811-UP

2шт.

8

07260-20945

HOSE

SN: 21811-UP

1шт.

9

07260-20971

HOSE

SN: 21811-UP

1шт.

10

07281-00197

CLAMP

SN: 21811-UP

4шт.

11

6150-61-8810

CLIP

SN: 21811-UP

1шт.

12

01010-51020

BOLT

SN: 21811-UP

1шт.

13

01580-11008

NUT

SN: 21811-UP

1шт.

14

08034-00414

BAND

SN: 21811-UP

1шт.

15

6631-61-8550

CLIP

SN: 21811-UP

1шт.

16

01640-21016

WASHER

SN: 21811-UP

1шт.

17

09647-10201

PLATE¤ INSTRUCTION,(ENGLISH)

SN: 23378-UP

1шт.

|17

09647-10101

PLATE¤ INSTRUCTION,(ENGLISH)

SN: 21811-23377

1шт.

Выбрано товаров: 22