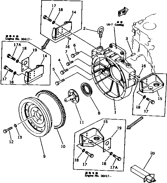
Запчасти Komatsu 6D125-1EE МАХОВИК И КАРТЕР МАХОВИКА(№8-9) БЛОК ЦИЛИНДРОВ

Схема запчастей Komatsu 6D125-1EE - МАХОВИК И КАРТЕР МАХОВИКА(№8-9) БЛОК ЦИЛИНДРОВ
FIT
1:1
100%

Артикул

Название

Примечание

Количество

1

6150-21-4311

HOUSING,FLYWHEEL

SN: 32670-@

1шт.

|1

\9\6150-21-4310

HOUSING,FLYWHEEL

SN: 21811-32669

1шт.

2

04530-02438

BOLT,EYE

SN: 21811-30416

2шт.

3

6150-21-4770

PIN,DOWEL

SN: 21811-@

2шт.

4

01010-31650

BOLT

SN: 21811-@

6шт.

5

01010-31665

BOLT

SN: 21811-@

2шт.

6

01010-51650

BOLT

SN: 21811-32669

2шт.

7

01010-31040

BOLT

SN: 21811-@

2шт.

8

6150-21-4243

SEAL¤ REAR (K2)

SN: 21811-@

1шт.

|8

6150-29-4243

SEAL¤ REAR,(SERVICE PARTS)

SN: 21811-@

1шт.

|9

6151-31-1271

FLYWHEEL ASS'Y

SN: 21811-@

1шт.

9

0

FLYWHEEL

SN: 21811-@

1шт.

10

6150-31-1341

GEAR,RING

SN: 21811-@

1шт.

11

6150-31-1610

SHAFT

SN: 21811-@

1шт.

12

01050-31665

BOLT

SN: 21811-@

6шт.

13

01643-31645

WASHER

SN: 21811-@

6шт.

14

130-01-71120

BRACKET,L.H.

SN: 21811-@

1шт.

15

130-01-71130

BRACKET,R.H.

SN: 21811-@

1шт.

16

04020-01228

PIN,DOWEL

SN: 21811-@

4шт.

17

01010-51440

BOLT

SN: 30417-@

4шт.

|17

01010-51440

BOLT

SN: 21811-30416

8шт.

17A

01010-51450

BOLT

SN: 30417-@

4шт.

18

01643-31445

WASHER

SN: 21811-@

8шт.

19

6150-21-4920

PLATE

SN: 30417-@

2шт.

20

09920-00150

LIQUID GASKET,LG-7¤ 150G

SN: 21811-@

-2шт.

Выбрано товаров: 25