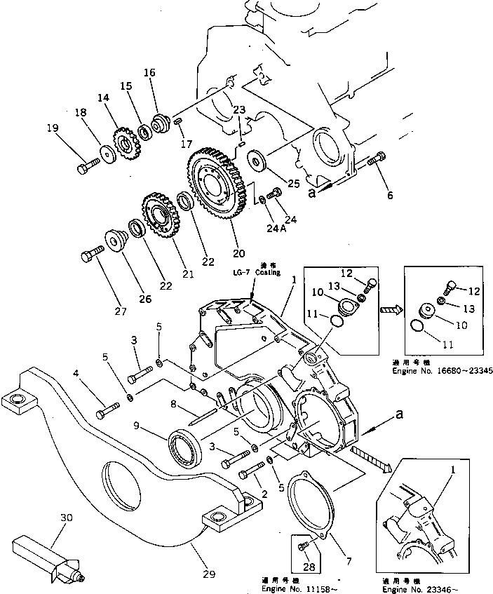
Запчасти Komatsu 6D125-1G ПЕРЕДН. КРЫШКАAND ПЕРЕДН. СУППОРТ БЛОК ЦИЛИНДРОВ

Схема запчастей Komatsu 6D125-1G - ПЕРЕДН. КРЫШКАAND ПЕРЕДН. СУППОРТ БЛОК ЦИЛИНДРОВ
FIT
1:1
100%

Артикул

Название

Примечание

Количество

1

6150-21-3140

COVER,FRONT

SN: 22830-UP

1шт.

|1

0

COVER,FRONT

SN: 10001-22829

1шт.

2

01010-51070

BOLT

SN: 10001-UP

4шт.

3

01010-51075

BOLT

SN: 10001-UP

6шт.

4

01010-51065

BOLT

SN: 10001-UP

7шт.

5

01640-21016

WASHER

SN: 10001-UP

17шт.

6

6150-81-9130

BOLT

SN: 10001-UP

4шт.

7

6150-21-3510

COVER

SN: 10001-UP

1шт.

8

6150-21-3380

POINTER

SN: 10001-UP

1шт.

9

6150-21-3230

SEAL¤ FRONT (K2)

SN: 10001-UP

1шт.

10

6150-81-5241

COVER

SN: 10393-22829

1шт.

|10

6150-81-5240

COVER

SN: 10001-10392

1шт.

11

07000-03030

O-RING (K2)

SN: 10001-22829

1шт.

12

01010-51025

BOLT

SN: 10001-22829

1шт.

13

6110-23-6490

SPACER

SN: 10001-22829

1шт.

14

6150-31-6110

GEAR

SN: 10001-UP

1шт.

15

6150-31-6120

BUSHING

SN: 10001-UP

1шт.

16

6150-21-2510

SHAFT

SN: 10001-UP

1шт.

17

04025-00512

PIN,SPRING

SN: 10001-UP

1шт.

18

6150-21-2520

PLATE

SN: 10001-UP

1шт.

19

01010-31460

BOLT

SN: 10001-UP

1шт.

20

6150-31-6310

GEAR

SN: 10001-UP

1шт.

|21

6150-31-6200

GEAR ASS'Y

SN: 10001-UP

1шт.

21

0

GEAR

SN: 10001-UP

1шт.

22

6150-31-6220

BUSHING

SN: 10001-UP

2шт.

23

6127-21-1260

PIN,DOWEL

SN: 10001-UP

1шт.

24

01010-30825

BOLT

SN: 10001-UP

6шт.

24A

01643-50823

WASHER

SN: 29959-UP

6шт.

25

6150-21-2421

PLATE

SN: 29959-UP

1шт.

|25

6150-21-2420

PLATE

SN: 10001-29958

1шт.

26

6150-21-2411

SHAFT

SN: 29959-UP

1шт.

|26

6150-21-2410

SHAFT

SN: 10001-29958

1шт.

27

6150-21-2431

BOLT

SN: 29959-UP

1шт.

|27

6150-21-2430

BOLT

SN: 10001-29958

1шт.

28

6150-21-3220

BOLT

SN: 10393-UP

2шт.

29

6150-21-3710

SUPPORT,FRONT

SN: 10001-UP

1шт.

|29

6150-21-3740

SUPPORT,FRONT (TBG SPEC.)(6D125-1L)

SN: 10001-10001

1шт.

30

09920-00150

LIQUID GASKET,LG-7¤ 150G

SN: 10001-UP

-2шт.

Выбрано товаров: 38