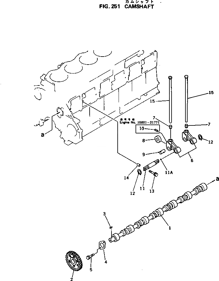
Запчасти Komatsu 6D125-1H РАСПРЕДВАЛ БЛОК ЦИЛИНДРОВ

Схема запчастей Komatsu 6D125-1H - РАСПРЕДВАЛ БЛОК ЦИЛИНДРОВ
FIT
1:1
100%

Артикул

Название

Примечание

Количество

|1

6150-41-1012

CAMSHAFT ASS'Y

SN: 10132-UP

1шт.

|1

6150-41-1011

CAMSHAFT ASS'Y

SN: 10006-10131

1шт.

|1

0

CAMSHAFT ASS'Y

SN: 10001-10005

1шт.

1

0

CAMSHAFT

SN: 10132-UP

1шт.

|1

0

CAMSHAFT

SN: 10006-10131

1шт.

|1

0

CAMSHAFT

SN: 10001-10005

1шт.

2

6150-41-1120

GEAR,CAMSHAFT

SN: 10001-UP

1шт.

3

04010-00725

KEY

SN: 10001-UP

1шт.

4

6150-41-1130

PLATE,THRUST

SN: 18200-UP

1шт.

|4

0

PLATE,THRUST

SN: 10001-18199

1шт.

5

01010-31022

BOLT

SN: 10001-UP

2шт.

|6

6150-41-2011

LEVER ASS'Y

SN: 21772-UP

6шт.

|6

0

LEVER ASS'Y

SN: 10001-21771

6шт.

|6

6150-41-2302

LEVER ASS'Y

SN: 21772-UP

2шт.

|6

0

LEVER ASS'Y

SN: 14480-21771

2шт.

|$$16

(6150-41-2302{6150-41-2401)}

-1шт.

|6

0

LEVER ASS'Y

SN: 10001-14479

2шт.

6

0

LEVER

SN: 21772-UP

1шт.

|6

0

LEVER

SN: 14480-21771

1шт.

|6

0

LEVER

SN: 10001-14479

1шт.

7

0

SOCKET

SN: 21772-UP

1шт.

|7

0

SOCKET

SN: 10001-21771

1шт.

8

0

ROLLER

SN: 21772-UP

1шт.

|8

0

ROLLER

SN: 10001-21771

1шт.

9

0

PIN

SN: 21772-UP

1шт.

|9

0

PIN

SN: 14480-21771

1шт.

|9

0

PIN

SN: 10001-14479

1шт.

10

0

PIN,SPRING

SN: 10001-21771

1шт.

|11

6150-41-2401

SHAFT ASS'Y

SN: 21772-UP

1шт.

|11

6150-41-2400

SHAFT ASS'Y

SN: 10001-21771

1шт.

11

0

SHAFT

SN: 21772-UP

1шт.

|11

0

SHAFT

SN: 10001-21771

1шт.

11A

6150-81-8420

BALL

SN: 10001-UP

1шт.

12

04064-02012

RING,SNAP

SN: 10001-UP

2шт.

13

6150-41-2450

BOLT

SN: 10001-UP

12шт.

14

6150-41-2430

PIN

SN: 10001-UP

12шт.

15

6150-41-3111

ROD,PUSH

SN: 10001-UP

12шт.

Выбрано товаров: 37