Запчасти Komatsu 6D125-1H СИСТЕМА СМАЗКИ МАСЛООХЛАДИТЕЛЬ СИСТЕМА СМАЗКИ МАСЛ. СИСТЕМА

Схема запчастей Komatsu 6D125-1H - СИСТЕМА СМАЗКИ МАСЛООХЛАДИТЕЛЬ СИСТЕМА СМАЗКИ МАСЛ. СИСТЕМА
FIT
1:1
100%

Артикул

Название

Примечание

Количество

|$0

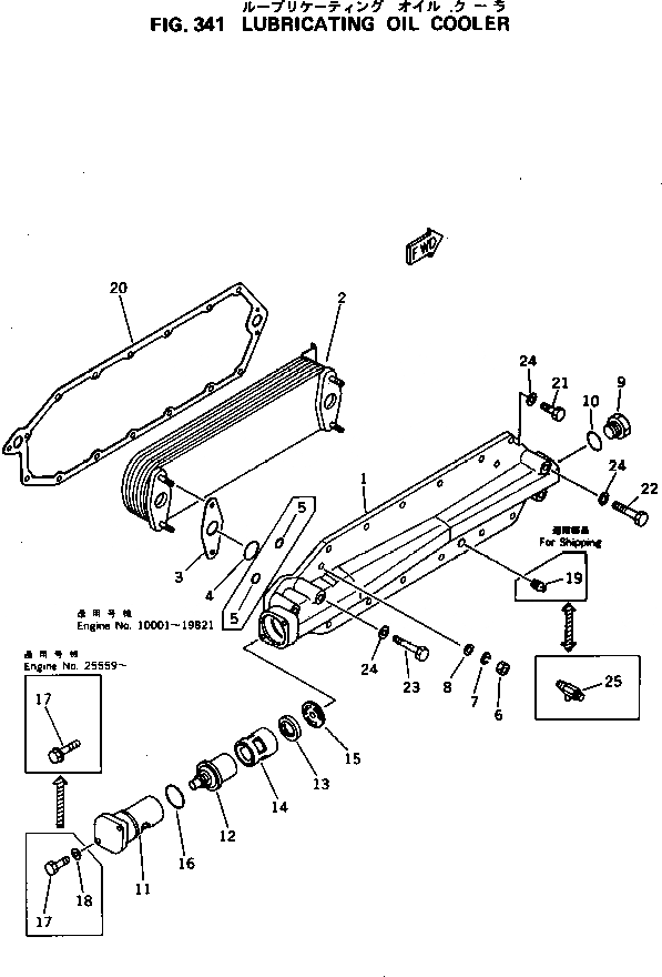
6150-61-2103

OIL COOLER ASS'Y

SN: 19822-UP

1шт.

|$1

0

OIL COOLER ASS'Y

SN: 10065-19821

1шт.

|$2

0

OIL COOLER ASS'Y

SN: 10001-10064

1шт.

1

6150-61-2123

COVER

SN: 19822-UP

1шт.

1

0

COVER

SN: 10065-19821

1шт.

1

0

COVER

SN: 10001-10064

1шт.

2

6150-61-2111

ELEMENT

SN: 10001-UP

1шт.

3

6150-61-2560

GASKET (K2)

SN: 10001-UP

2шт.

4

6150-61-2510

O-RING (K2)

SN: 10001-UP

2шт.

5

6150-61-2520

O-RING (K2)

SN: 10001-19821

4шт.

6

01582-11008

NUT

SN: 19822-UP

4шт.

6

01580-11008

NUT

SN: 10001-19821

4шт.

7

01602-21030

WASHER,SPRING

SN: 10001-UP

4шт.

8

01640-21016

WASHER

SN: 10001-UP

4шт.

9

6150-61-2530

PLUG

SN: 10001-UP

1шт.

10

6150-61-2550

O-RING (K2)

SN: 10001-UP

1шт.

11

6150-61-2131

COVER

SN: 10001-UP

1шт.

12

6150-61-2620

THERMOSTAT

SN: 10001-UP

1шт.

13

6150-61-2540

SEAL (K2)

SN: 10001-UP

1шт.

14

6150-61-2141

CASE

SN: 10001-UP

1шт.

15

6150-61-2151

PLATE

SN: 10001-UP

1шт.

16

07000-63042

O-RING (K2)

SN: 10001-UP

1шт.

17

01435-00825

BOLT

SN: 25559-UP

2шт.

17

0

BOLT

SN: 10001-25558

2шт.

18

01640-20816

WASHER

SN: 10001-25558

2шт.

19

07042-00312

PLUG,(FOR SHIPPING)

SN: 10001-19821

1шт.

20

6150-61-2812

GASKET (K2)

SN: 19822-UP

1шт.

20

0

GASKET (K2)

SN: 10001-19821

1шт.

21

01010-51025

BOLT

SN: 10001-UP

13шт.

22

01010-51065

BOLT

SN: 10001-UP

2шт.

23

01010-51080

BOLT

SN: 10001-UP

2шт.

24

01640-21016

WASHER

SN: 10001-UP

17шт.

25

6140-61-6512

VALVE,DRAIN

SN: 10001-UP

1шт.

Выбрано товаров: 33