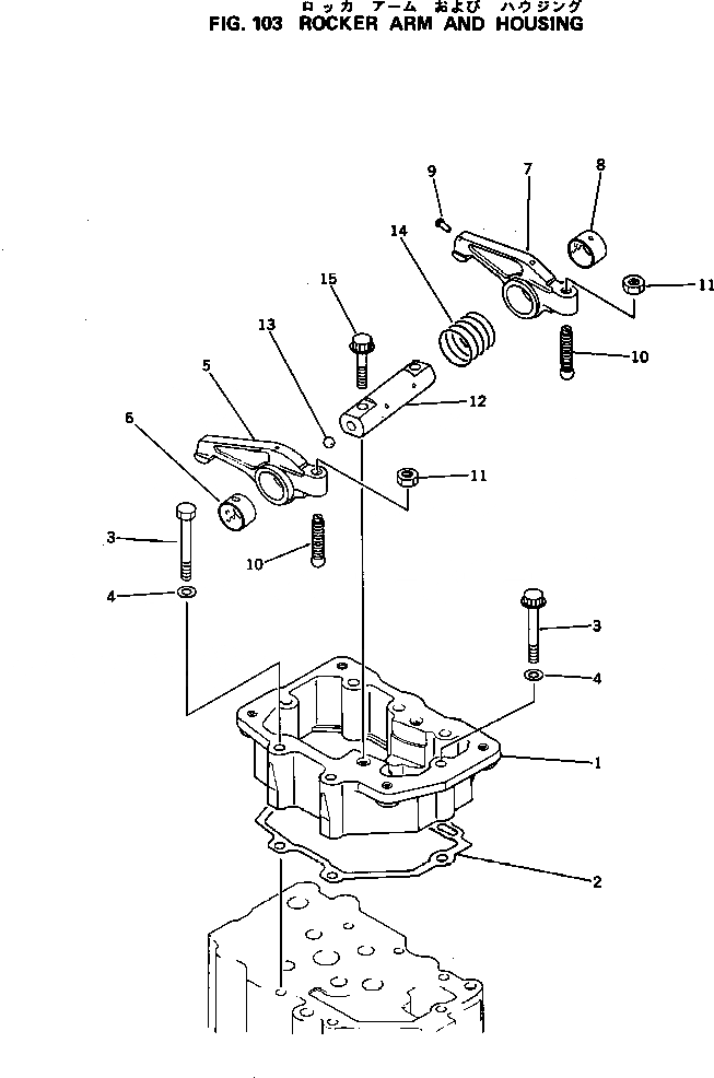
Запчасти Komatsu 6D125-1H КОРОМЫСЛО И КОЖУХ ГОЛОВКА ЦИЛИНДРОВ

Схема запчастей Komatsu 6D125-1H - КОРОМЫСЛО И КОЖУХ ГОЛОВКА ЦИЛИНДРОВ
FIT
1:1
100%

Артикул

Название

Примечание

Количество

1

6150-11-7110

HOUSING,ROCKER ARM

SN: 10001-UP

6шт.

2

6150-11-7810

GASKET (K1)

SN: 10001-UP

6шт.

3

6150-81-9140

BOLT

SN: 10001-UP

40шт.

4

01643-31032

WASHER

SN: 30748-UP

40шт.

4

0

WASHER

SN: 10001-30747

40шт.

|$5

6150-41-5400

ARM ASS'Y,INTAKE

SN: 10001-UP

6шт.

5

0

ARM,ROCKER

SN: 10001-UP

1шт.

6

6150-41-5420

BUSHING

SN: 10001-UP

1шт.

|$8

6150-41-5500

ARM ASS'Y,EXHAUST

SN: 10001-UP

6шт.

7

0

ARM,ROCKER

SN: 10001-UP

1шт.

8

6150-41-5420

BUSHING

SN: 10001-UP

1шт.

9

6162-43-5340

RIVET

SN: 10001-UP

1шт.

10

6150-41-5540

SCREW

SN: 10001-UP

12шт.

11

01582-01008

NUT

SN: 10001-UP

12шт.

|$14

6150-41-5300

ROCKER ARM SHAFT A.

SN: 10001-UP

6шт.

12

0

SHAFT

SN: 10001-UP

1шт.

13

6150-81-8420

BALL

SN: 10001-UP

1шт.

14

6150-41-5320

SPRING

SN: 10001-UP

6шт.

15

6150-81-9370

BOLT

SN: 10001-UP

12шт.

Выбрано товаров: 0