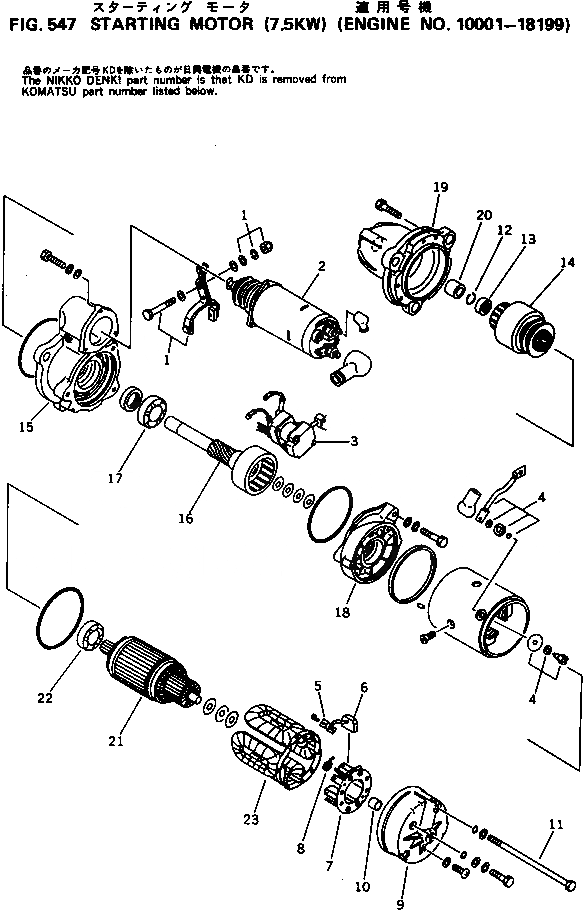
Запчасти Komatsu 6D125-1M СТАРТЕР (7.KW)(№-899) ОХЛАЖД-Е И ЭЛЕКТРИКАS

Схема запчастей Komatsu 6D125-1M - СТАРТЕР (7.KW)(№-899) ОХЛАЖД-Е И ЭЛЕКТРИКАS
FIT
1:1
100%

Артикул

Название

Примечание

Количество

|1

600-813-3530

STARTING MOTOR A.,(7.5KW)

SN: 10001-18199

1шт.

1

KD1-23320-0190

SHIFT LEVER ASS'Y

SN: 10001-18199

1шт.

2

KD0-47100-3420

MAGNETIC SWITCH A.

SN: 10001-18199

1шт.

3

KD0-25000-6561

SWITCH ASS'Y,SAFETY RELAY

SN: 10001-18199

1шт.

4

KD7-23780-0160

TERMINAL ASS'Y

SN: 10001-18199

1шт.

|5

KD7-23700-0150

REAR BRACKET ASS'Y

SN: 10001-18199

1шт.

5

KD1-25922-2800

PLATE

SN: 10001-18199

4шт.

6

KD1-23740-0050

BRUSH ASS'Y

SN: 10001-18199

4шт.

7

KD0-23750-0050

BRUSH HOLDER ASS'Y

SN: 10001-18199

1шт.

8

KD1-23913-0040

SPRING,BRUSH

SN: 10001-18199

4шт.

9

KD0-23700-0040

REAR BRACKET ASS'Y

SN: 10001-18199

1шт.

10

KD7-23351-0060

METAL

SN: 10001-18199

1шт.

11

KD0-23901-0030

BOLT,THROUGH

SN: 10001-18199

2шт.

12

KD1-23914-0020

RING,CLIP

SN: 10001-18199

1шт.

13

KD1-23181-0020

STOPPER,PINION

SN: 10001-18199

1шт.

14

KD1-23500-0170

CLUTCH ASS'Y,OVER RUNNING

SN: 10001-18199

1шт.

15

KD1-23600-0100

CENTER BRACKET A.

SN: 10001-18199

1шт.

16

KD7-23120-0090

SHAFT ASS'Y

SN: 10001-18199

1шт.

17

KD1-0456-60067

BEARING,BALL

SN: 10001-18199

1шт.

18

KD1-23611-0080

BRACKET,CENTER

SN: 10001-18199

1шт.

19

KD1-23310-0400

FRONT BRACKET ASS'Y

SN: 10001-18199

1шт.

20

KD7-23351-0080

METAL

SN: 10001-18199

1шт.

21

KD7-23100-0290

ARMATURE ASS'Y

SN: 10001-18199

1шт.

22

KD1-0456-62047

BEARING,BALL

SN: 10001-18199

1шт.

23

KD0-23230-0150

FIELD COIL ASS'Y

SN: 10001-18199

1шт.

24

KD7-23920-0130

WASHER ASS'Y,(NOT SHOWN)

SN: 10001-18199

1шт.

25

KD7-09210-1000

SEAL ASS'Y,(NOT SHOWN)

SN: 10001-18199

1шт.

Выбрано товаров: 27