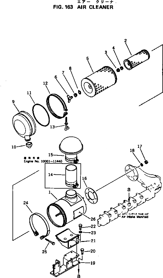
Запчасти Komatsu 6D125-1M ВОЗДУХООЧИСТИТЕЛЬ ГОЛОВКА ЦИЛИНДРОВ

Схема запчастей Komatsu 6D125-1M - ВОЗДУХООЧИСТИТЕЛЬ ГОЛОВКА ЦИЛИНДРОВ
FIT
1:1
100%

Артикул

Название

Примечание

Количество

|1

6150-81-7200

AIR CLEANER ASS'Y

SN: 11441-UP

1шт.

|1

0

AIR CLEANER ASS'Y

SN: 10001-11440

1шт.

1

6150-81-7110

BODY

SN: 11441-UP

1шт.

|1

0

BODY

SN: 10001-11440

1шт.

|2

6115-81-7602

ELEMENT ASS'Y

SN: 10001-UP

1шт.

2

0

ELEMENT,INNER

SN: 10001-UP

1шт.

3

600-181-7910

NUT

SN: 10001-UP

1шт.

4

600-181-7511

WASHER,SEAL

SN: 10001-UP

1шт.

|5

600-181-2300

ELEMENT ASS'Y,OUTER

SN: 10001-UP

1шт.

5

0

ELEMENT,OUTER

SN: 10001-UP

1шт.

6

600-181-2990

NUT,WING

SN: 10001-UP

1шт.

7

600-181-4591

WASHER,SEAL

SN: 10001-UP

1шт.

8

04064-01510

RING,SNAP

SN: 10001-UP

1шт.

9

600-181-2540

PAN,DUST

SN: 11441-UP

1шт.

|9

0

PAN

SN: 10001-11440

1шт.

10

600-181-2550

VALVE

SN: 10001-UP

1шт.

11

6692-81-7130

O-RING

SN: 10001-UP

1шт.

12

600-181-3260

BAND

SN: 10001-UP

1шт.

13

6692-81-7180

BOLT

SN: 10001-UP

1шт.

14

6150-81-7910

PIPE

SN: 10001-11440

1шт.

15

600-181-2690

CAP

SN: 10001-UP

1шт.

16

6136-11-4840

GASKET (K1)

SN: 11126-UP

1шт.

|16

0

GASKET (K1)

SN: 10001-11125

1шт.

17

01582-11008

NUT

SN: 10001-UP

6шт.

18

01640-21016

WASHER

SN: 10001-UP

6шт.

19

6150-51-5350

BRACKET

SN: 10001-UP

1шт.

20

01010-51025

BOLT

SN: 10001-UP

7шт.

21

6150-11-4531

BRACKET

SN: 10289-UP

1шт.

|21

6150-11-4530

BRACKET

SN: 10001-10288

1шт.

22

01010-51025

BOLT

SN: 10001-UP

4шт.

23

01640-21016

WASHER

SN: 10001-UP

4шт.

24

6691-11-4610

BAND ASS'Y

SN: 10001-UP

1шт.

|24

6110-11-4520

PIN

SN: 10001-UP

1шт.

|24

6110-11-4530

PIN¤ WITH THREAD

SN: 10001-UP

1шт.

25

6643-11-4641

BOLT

SN: 10001-UP

1шт.

26

09637-00161

PLATE¤ INSTRUCTION,(JAPANESE-ENGLISH)

SN: 10001-UP

1шт.

Выбрано товаров: 36