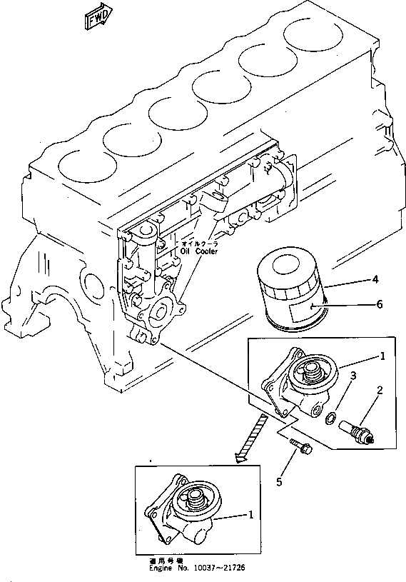
Запчасти Komatsu 6D95L-1A МАСЛ. ФИЛЬТР(№-7) СИСТЕМА СМАЗКИ МАСЛ. СИСТЕМА

Схема запчастей Komatsu 6D95L-1A - МАСЛ. ФИЛЬТР(№-7) СИСТЕМА СМАЗКИ МАСЛ. СИСТЕМА
FIT
1:1
100%

Артикул

Название

Примечание

Количество

|1

6206-51-5200

OIL FILTER ASS'Y

SN: 10037-21726

1шт.

|1

6206-51-5100

OIL FILTER ASS'Y

SN: 10001-10036

1шт.

1

6206-51-5120

HEAD

SN: 10037-21726

1шт.

|1

6206-51-5110

HEAD

SN: 10001-10036

1шт.

2

600-211-1940

ALARM ASS'Y

SN: 10001-10036

1шт.

3

07005-01612

GASKET

SN: 10001-10036

1шт.

4

600-211-6240

CARTRIDGE

SN: 10001-@

1шт.

5

01435-20825

BOLT

SN: 10001-21726

4шт.

6

600-211-6620

PLATE¤ CAUTION,(CHINESE)

SN: 10001-@

1шт.

Выбрано товаров: 9