Запчасти Komatsu 6D95L-1A ТРУБОПРОВОД ВПУСКА ВОЗДУХА И СОЕДИН-Е (С ИНДИКАТОР ПЫЛИ)(№77-) ГОЛОВКА ЦИЛИНДРОВ

Схема запчастей Komatsu 6D95L-1A - ТРУБОПРОВОД ВПУСКА ВОЗДУХА И СОЕДИН-Е (С ИНДИКАТОР ПЫЛИ)(№77-) ГОЛОВКА ЦИЛИНДРОВ
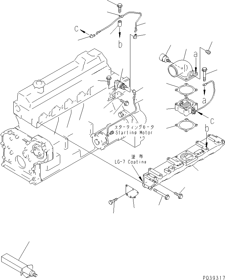
1
2
3
4
5
6
7
8
9
10
10
11
12
13
14
15
16
17
18
19
20
21
21
21
22
FIT
1:1
100%

Артикул

Название

Примечание

Количество

|1

6206-11-4170

INTAKE MANIFOLD A.

SN: 71700-UP

1шт.

1

6206-11-4140

MANIFOLD,AIR INTAKE

SN: 71700-UP

1шт.

2

6206-11-4150

PLATE

SN: 71700-UP

2шт.

3

6206-11-4160

BOLT

SN: 71700-UP

12шт.

4

01435-21030

BOLT

SN: 71700-UP

10шт.

5

01435-21085

BOLT

SN: 71700-UP

2шт.

6

600-815-2341

HEATER,RIBBON

SN: 71700-UP

1шт.

7

6206-11-4250

CONNECTOR,AIR

SN: 71700-UP

1шт.

8

07042-70415

PLUG

SN: 71700-UP

1шт.

9

08670-02001

INDICATOR,DUST

SN: 71700-UP

1шт.

10

6136-11-4820

GASKET (K1)

SN: 71700-UP

2шт.

11

01435-21070

BOLT

SN: 71700-UP

4шт.

12

6206-81-5510

BRACKET

SN: 71700-UP

1шт.

13

01435-21020

BOLT

SN: 71700-UP

2шт.

|13

01435-21025

BOLT,(WITH CORROSION RESISTOR)

SN: 71700-UP

2шт.

14

600-815-2170

SWITCH,HEATER

SN: 71700-UP

1шт.

15

01435-20612

BOLT

SN: 71700-UP

2шт.

16

6206-81-4720

WIRE¤ 480MM

SN: 71700-UP

1шт.

17

6206-81-4730

WIRE¤ 380MM

SN: 71700-UP

1шт.

18

08036-10814

CLIP

SN: 71700-UP

1шт.

19

6131-12-5920

SPACER

SN: 71700-UP

1шт.

20

01435-21025

BOLT

SN: 71700-UP

1шт.

21

08038-00519

CAP

SN: 71700-UP

3шт.

22

09920-00150

LIQUID GASKET,LG-7¤ 150G

SN: 71700-UP

-2шт.

Выбрано товаров: 24