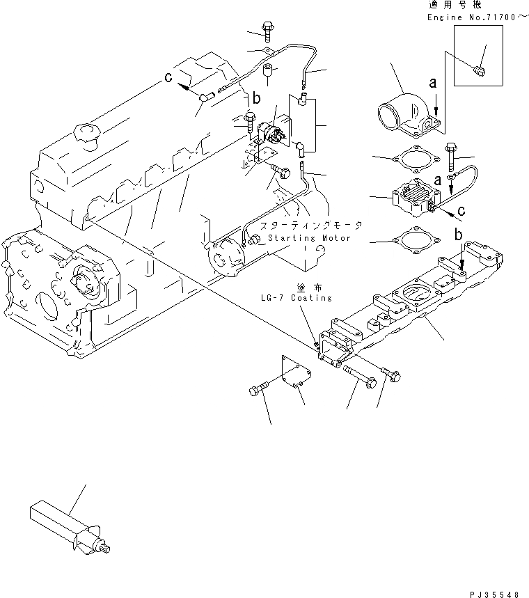
Запчасти Komatsu 6D95L-1A ТРУБОПРОВОД ВПУСКА ВОЗДУХА И СОЕДИН-Е(№9-) ГОЛОВКА ЦИЛИНДРОВ

Схема запчастей Komatsu 6D95L-1A - ТРУБОПРОВОД ВПУСКА ВОЗДУХА И СОЕДИН-Е(№9-) ГОЛОВКА ЦИЛИНДРОВ
1
2
3
4
5
6
7
8
9
9
10
11
12
13
14
15
16
17
18
19
20
20
21
FIT
1:1
100%

Артикул

Название

Примечание

Количество

|$0

6206-11-4170

INTAKE MANIFOLD A.

SN: 41930-UP

1шт.

1

6206-11-4140

MANIFOLD,AIR INTAKE

SN: 41930-UP

1шт.

2

6206-11-4150

PLATE

SN: 41930-UP

2шт.

3

6206-11-4160

BOLT

SN: 41930-UP

12шт.

4

01435-21030

BOLT

SN: 41930-UP

10шт.

5

01435-21085

BOLT

SN: 41930-UP

2шт.

6

600-815-2341

HEATER,RIBBON

SN: 10001-UP

1шт.

7

6206-11-4250

CONNECTOR,AIR

SN: 71700-UP

1шт.

7

0

CONNECTOR,AIR

SN: 10001-71699

1шт.

|$$10

(6206-11-4250,07042-70415)

-1шт.

8

07042-70415

PLUG

SN: 71700-UP

1шт.

9

6136-11-4820

GASKET (K1)

SN: 10001-UP

2шт.

10

01435-21070

BOLT

SN: 10001-UP

4шт.

11

6206-81-5510

BRACKET

SN: 10009-UP

1шт.

12

01435-21020

BOLT

SN: 10009-UP

2шт.

12

01435-21025

BOLT,(WITH CORROSION RESISTOR)

SN: 10009-UP

2шт.

13

600-815-2170

SWITCH

SN: 10009-UP

1шт.

14

01435-20612

BOLT

SN: 10009-UP

2шт.

15

6206-81-4720

WIRE, 480MM

SN: 10009-UP

1шт.

16

6206-81-4730

WIRE, 380MM

SN: 10009-UP

1шт.

17

08036-10814

CLIP

SN: 10009-UP

1шт.

18

6131-12-5920

SPACER

SN: 10009-UP

1шт.

19

01435-21025

BOLT

SN: 10009-UP

1шт.

20

08038-00519

CAP

SN: 10009-UP

3шт.

21

09920-00150

LIQUID GASKET,LG-7, 150G

SN: 10001-UP

-2шт.

Выбрано товаров: 25