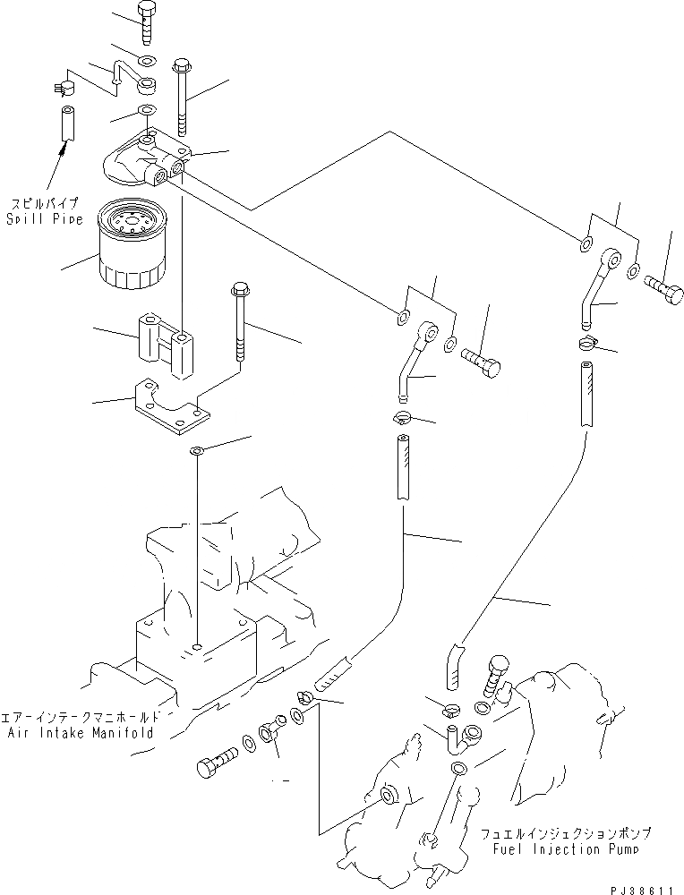
Запчасти Komatsu 6D95L-1AC-S ТОПЛИВН. ФИЛЬТР. (ДЛЯ A¤ A ГЕНЕРАТОР) ДВИГАТЕЛЬ

Схема запчастей Komatsu 6D95L-1AC-S - ТОПЛИВН. ФИЛЬТР. (ДЛЯ A¤ A ГЕНЕРАТОР) ДВИГАТЕЛЬ
1
2
3
4
5
5
6
7
8
9
10
11
12
13
13
14
14
14
14
15
15
16
16
17
18
FIT
1:1
100%

Артикул

Название

Примечание

Количество

|1

6206-73-6200

FUEL FILTER ASS'Y

SN: 96999-UP

1шт.

1

6204-71-6210

HEAD

SN: 96999-UP

1шт.

2

600-311-7440

CARTRIDGE

SN: 96999-UP

1шт.

3

6206-73-6220

JOINT

SN: 96999-UP

1шт.

4

6206-73-6230

CONNECTOR

SN: 96999-UP

1шт.

5

07005-01412

GASKET

SN: 96999-UP

2шт.

6

6206-71-6550

SPACER

SN: 96999-UP

1шт.

7

01435-21085

BOLT

SN: 96999-UP

2шт.

8

6206-11-1792

PLATE

SN: 96999-UP

1шт.

9

01436-21015

BOLT

SN: 96999-UP

2шт.

10

01641-21016

WASHER

SN: 96999-UP

2шт.

11

6206-71-5850

JOINT

SN: 96999-UP

1шт.

12

6144-71-5750

JOINT

SN: 96999-UP

1шт.

13

6204-71-5730

JOINT

SN: 96999-UP

2шт.

14

07281-00197

CLAMP

SN: 96999-UP

4шт.

15

07206-11014

BOLT,JOINT

SN: 96999-UP

2шт.

16

07005-01412

GASKET (K2)

SN: 96999-UP

4шт.

17

07260-20936

HOSE

SN: 96999-UP

1шт.

18

07260-20940

HOSE

SN: 96999-UP

1шт.

Выбрано товаров: 19