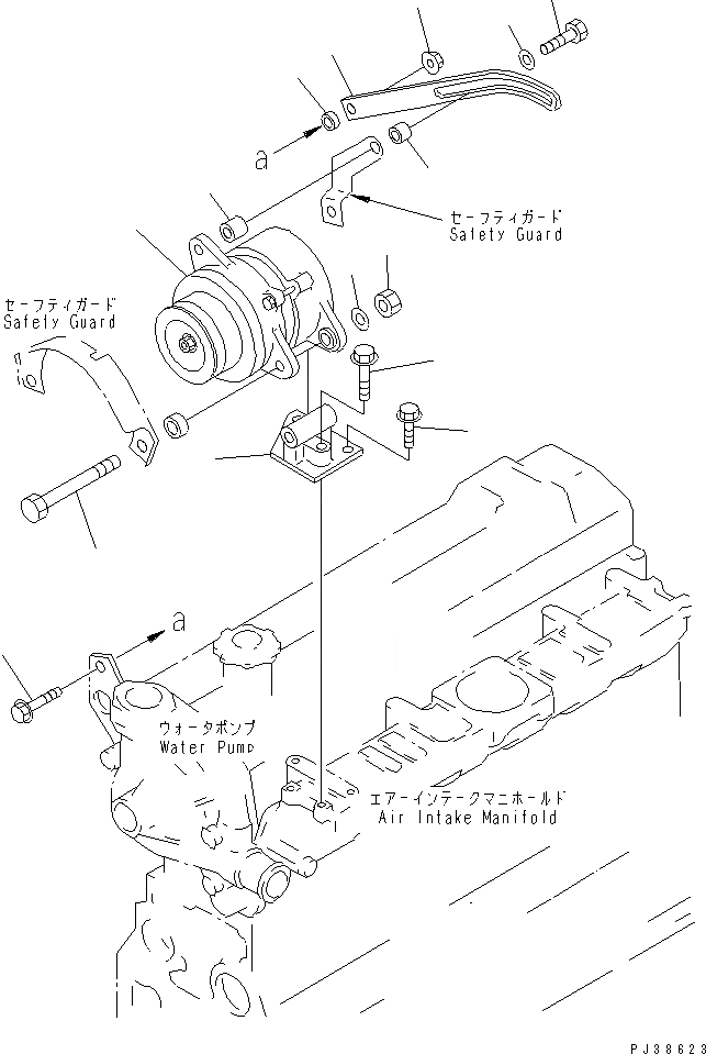
Запчасти Komatsu 6D95L-1AC-S КРЕПЛЕНИЕ ГЕНЕРАТОРА (A) (С НЕ ЗАКАЛЕНН. ШКИВ) ДВИГАТЕЛЬ

Схема запчастей Komatsu 6D95L-1AC-S - КРЕПЛЕНИЕ ГЕНЕРАТОРА (A) (С НЕ ЗАКАЛЕНН. ШКИВ) ДВИГАТЕЛЬ
1
2
3
4
5
6
7
8
9
10
11
12
13
14
15
FIT
1:1
100%

Артикул

Название

Примечание

Количество

1

600-821-6140

ALTERNATOR A. (25A),(SEE FIG.A6010-B0A7)

SN: 96999-UP

1шт.

2

6112-21-6580

BOLT

SN: 96999-UP

1шт.

3

01580-01411

NUT

SN: 96999-UP

1шт.

4

01641-21423

WASHER

SN: 96999-UP

1шт.

5

6206-81-6450

BRACKET

SN: 96999-UP

1шт.

6

01435-21045

BOLT

SN: 96999-UP

2шт.

7

01435-21020

BOLT

SN: 96999-UP

2шт.

8

6206-81-6880

PLATE,ADJUST

SN: 96999-UP

1шт.

9

01435-01040

BOLT

SN: 96999-UP

1шт.

10

01584-01008

NUT

SN: 96999-UP

1шт.

11

6131-12-5920

SPACER

SN: 96999-UP

1шт.

12

01050-31250

BOLT

SN: 96999-UP

1шт.

13

01643-21232

WASHER

SN: 96999-UP

1шт.

14

175-79-33240

SPACER

SN: 96999-UP

1шт.

15

6144-81-6580

SPACER

SN: 96999-UP

1шт.

Выбрано товаров: 15