Запчасти Komatsu 6D95L-1B ТРУБОПРОВОД ВПУСКА ВОЗДУХА И СОЕДИН-Е(№9-99) ГОЛОВКА ЦИЛИНДРОВ

Схема запчастей Komatsu 6D95L-1B - ТРУБОПРОВОД ВПУСКА ВОЗДУХА И СОЕДИН-Е(№9-99) ГОЛОВКА ЦИЛИНДРОВ
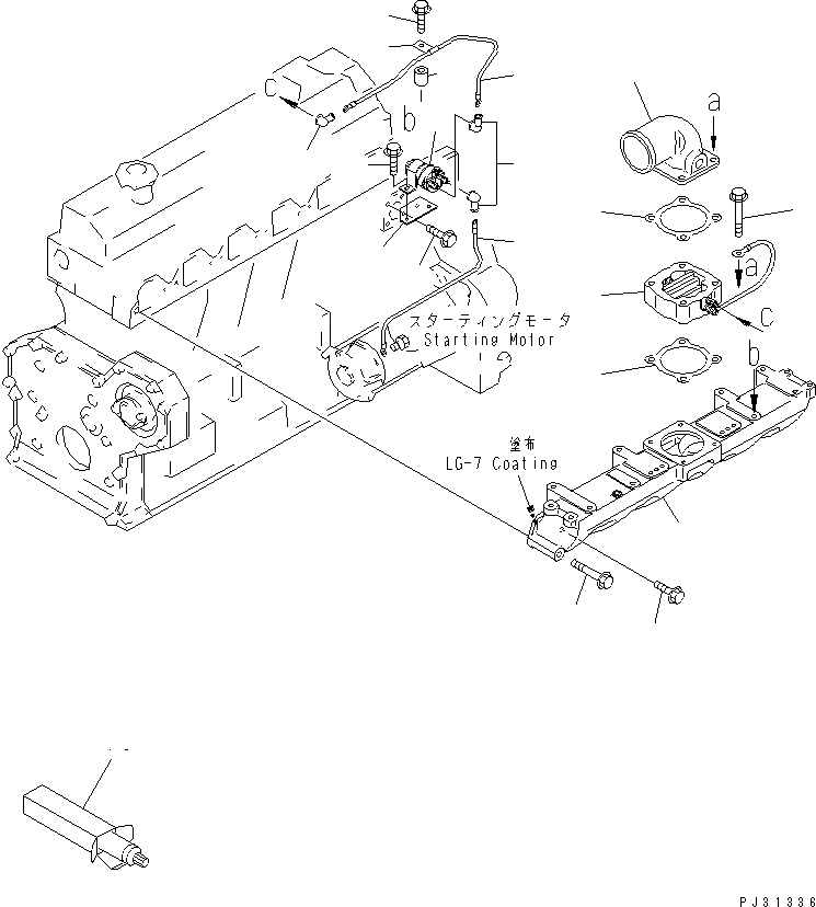
1
2
3
4
5
6
6
7
8
9
10
11
12
13
14
15
16
17
17
18
FIT
1:1
100%

Артикул

Название

Примечание

Количество

1

6206-11-4110

MANIFOLD,AIR INTAKE

SN: 10001-41929

1шт.

2

01435-21030

BOLT

SN: 10001-41929

11шт.

3

01435-21085

BOLT

SN: 10001-41929

1шт.

4

600-815-2341

HEATER,RIBBON

SN: 10001-@

1шт.

5

6206-11-4210

CONNECTOR,AIR

SN: 10001-@

1шт.

6

6136-11-4820

GASKET (K1)

SN: 10001-@

2шт.

7

01435-21070

BOLT

SN: 10001-@

4шт.

8

6206-81-5510

BRACKET

SN: 10009-@

1шт.

9

01435-21020

BOLT

SN: 10009-@

2шт.

9

01435-21025

BOLT,(WITH CORROSION RESISTOR)

SN: 10009-@

2шт.

10

600-815-2170

SWITCH

SN: 10009-@

1шт.

11

01435-20612

BOLT

SN: 10009-@

2шт.

12

6206-81-4720

WIRE, 480MM

SN: 10009-@

1шт.

13

6206-81-4730

WIRE, 380MM

SN: 10009-@

1шт.

14

08036-10814

CLIP

SN: 10009-@

1шт.

15

6131-12-5920

SPACER

SN: 10009-@

1шт.

16

01435-21025

BOLT

SN: 10009-@

1шт.

17

08038-00519

CAP

SN: 10009-@

3шт.

18

09920-00150

LIQUID GASKET,LG-7, 150G

SN: 10001-@

-2шт.

Выбрано товаров: 0