Запчасти Komatsu 6D95L-1U - -

Схема запчастей Komatsu 6D95L-1U - - -
FIT
1:1
100%

Артикул

Название

Примечание

Количество

|1

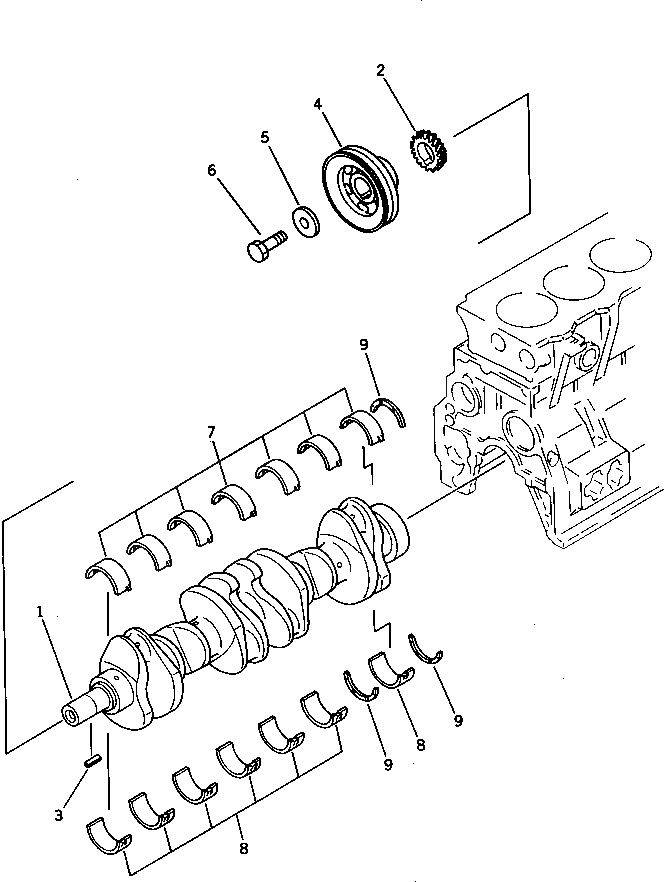
6206-31-1100

CRANKSHAFT ASS'

SN: 23421-UP

1шт.

1

0

SN: 23421-UP

1шт.

2

6204-31-1220

GEAR

SN: 23421-UP

1шт.

3

6206-31-1530

KEY

SN: 23421-UP

1шт.

4

6206-31-1490

PULLEY

SN: 23421-UP

1шт.

5

6136-31-1431

PLATE

SN: 23421-UP

1шт.

6

6110-33-1411

BOLT

SN: 23421-UP

1шт.

|$$8

-1шт.

|7

6204-21-8100

METAL ASS'Y

SN: 23421-UP

7шт.

7

0

SN: 23421-UP

1шт.

8

0

SN: 23421-UP

1шт.

|$$12

-1шт.

|7

6204-29-8100

METAL ASS'Y

SN: 23421-UP

7шт.

7

0

SN: 23421-UP

1шт.

8

0

SN: 23421-UP

1шт.

|$$16

-1шт.

|7

6204-28-8100

METAL ASS'Y

SN: 23421-UP

7шт.

7

0

SN: 23421-UP

1шт.

8

0

SN: 23421-UP

1шт.

|$$20

-1шт.

|7

6204-27-8100

METAL ASS'Y

SN: 23421-UP

7шт.

7

0

SN: 23421-UP

1шт.

8

0

SN: 23421-UP

1шт.

|$$24

-1шт.

|7

6204-26-8100

METAL ASS'Y

SN: 23421-UP

7шт.

7

0

SN: 23421-UP

1шт.

8

0

SN: 23421-UP

1шт.

|$$28

-1шт.

9

6204-21-8500

THRUST BEARING

SN: 23421-UP

1шт.

|9

0

SN: 23421-UP

3шт.

|$$31

-1шт.

9

6204-29-8500

THRUST BEARING

SN: 23421-UP

1шт.

|9

0

SN: 23421-UP

3шт.

|$$34

-1шт.

9

6204-28-8500

THRUST BEARING

SN: 23421-UP

1шт.

|9

0

SN: 23421-UP

3шт.

|$$37

-1шт.

9

6204-27-8500

THRUST BEARING

SN: 23421-UP

1шт.

|9

0

SN: 23421-UP

3шт.

|$$40

-1шт.

9

6204-26-8500

THRUST BEARING

SN: 23421-UP

1шт.

|9

0

SN: 23421-UP

3шт.

Выбрано товаров: 42