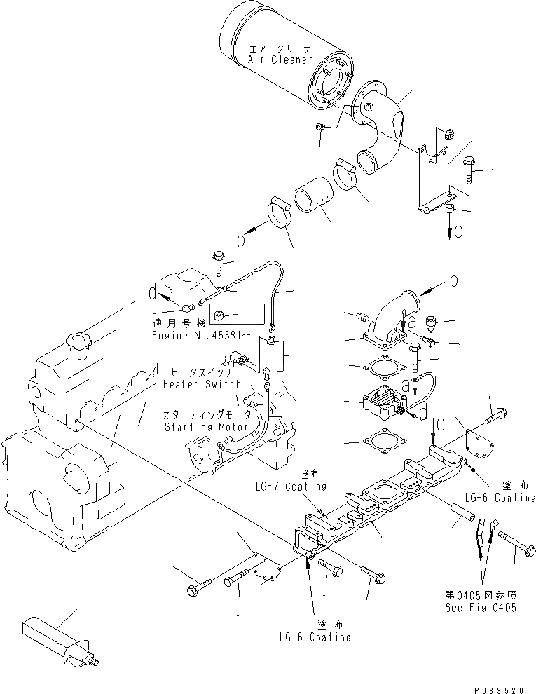
Запчасти Komatsu 6D95L-1Z ТРУБОПРОВОД ВПУСКА ВОЗДУХА И СОЕДИН-Е(№-) ГОЛОВКА ЦИЛИНДРОВ

Схема запчастей Komatsu 6D95L-1Z - ТРУБОПРОВОД ВПУСКА ВОЗДУХА И СОЕДИН-Е(№-) ГОЛОВКА ЦИЛИНДРОВ
1
2
2
3
4
4
5
6
7
8
9
10
11
12
13
13
14
15
16
16
17
18
19
20
21
22
23
24
25
26
26
27
28
29
1
2
2
3
4
4
5
6
7
8
9
10
11
12
13
13
14
15
16
16
17
18
19
20
21
22
23
24
25
26
26
27
28
29
FIT
1:1
100%

Артикул

Название

Примечание

Количество

|$0

6206-11-4170

INTAKE MANIFOLD A.

SN: 43530-UP

1шт.

1

6206-11-4140

MANIFOLD,INTAKE

SN: 43530-UP

1шт.

2

6206-11-4150

PLATE

SN: 43530-UP

2шт.

3

6206-11-4160

BOLT

SN: 43530-UP

2шт.

4

6206-11-4160

BOLT

SN: 46257-UP

10шт.

4

01435-00814

BOLT

SN: 43530-46256

10шт.

5

01435-21030

BOLT

SN: 43530-UP

9шт.

6

01435-21085

BOLT

SN: 43530-UP

2шт.

7

6206-81-9870

SPACER

SN: 26324-UP

1шт.

8

01436-01040

BOLT

SN: 28372-UP

1шт.

9

600-815-2341

HEATER,RIBBON

SN: 26324-UP

1шт.

10

6206-11-4250

CONNECTOR,AIR

SN: 26324-UP

1шт.

11

07042-00415

PLUG

SN: 26324-UP

1шт.

12

6693-62-1930

ELBOW

SN: 26324-UP

1шт.

13

6136-11-4820

GASKET (K1)

SN: 26324-UP

2шт.

14

01435-21070

BOLT

SN: 26324-UP

4шт.

15

6131-11-4610

HOSE

SN: 26324-UP

1шт.

16

07281-00909

CLAMP

SN: 26324-UP

2шт.

17

6206-11-4240

CONNECTOR

SN: 26324-UP

1шт.

18

02720-20204

PLUG

SN: 26324-UP

1шт.

19

6206-11-4411

BRACKET

SN: 26324-UP

1шт.

20

6206-11-4490

SPACER

SN: 26324-UP

2шт.

21

01435-21060

BOLT

SN: 26324-UP

2шт.

22

6206-81-4720

WIRE, 480MM

SN: 26324-UP

1шт.

23

6206-81-4730

WIRE, 380MM

SN: 26324-UP

1шт.

24

08036-10814

CLIP

SN: 26324-UP

1шт.

25

01435-20825

BOLT

SN: 45381-UP

1шт.

25

01435-21065

BOLT

SN: 26324-45380

1шт.

26

08038-00519

CAP

SN: 26324-UP

3шт.

27

08670-02001

INDICATOR,DUST

SN: 70831-UP

1шт.

27

0

INDICATOR,DUST (JAPANESE-ENGLISH)

SN: 29803-70830

1шт.

27

0

INDICATOR,DUST (ENGLISH-FRENCH)

SN: 26324-70830

1шт.

27

0

INDICATOR,DUST (ENGLISH-SPANISH)

SN: 26324-70830

1шт.

27

0

INDICATOR,DUST (ENGLISH-GERMAN)

SN: 26324-70830

1шт.

27

0

INDICATOR,DUST (ENGLISH-ITALIAN)

SN: 26324-70830

1шт.

28

6142-82-6550

SPACER

SN: 45381-UP

1шт.

29

09920-00150

LIQUID GASKET,LG-7, 150G

SN: 26324-UP

-2шт.

|$0

6206-11-4170

INTAKE MANIFOLD A.

SN: 43530-UP

1шт.

1

6206-11-4140

MANIFOLD,INTAKE

SN: 43530-UP

1шт.

2

6206-11-4150

PLATE

SN: 43530-UP

2шт.

3

6206-11-4160

BOLT

SN: 43530-UP

2шт.

4

6206-11-4160

BOLT

SN: 46257-UP

10шт.

4

01435-00814

BOLT

SN: 43530-46256

10шт.

5

01435-21030

BOLT

SN: 43530-UP

9шт.

6

01435-21085

BOLT

SN: 43530-UP

2шт.

7

6206-81-9870

SPACER

SN: 26324-UP

1шт.

8

01436-01040

BOLT

SN: 28372-UP

1шт.

9

600-815-2341

HEATER,RIBBON

SN: 26324-UP

1шт.

10

6206-11-4250

CONNECTOR,AIR

SN: 26324-UP

1шт.

11

07042-00415

PLUG

SN: 26324-UP

1шт.

12

6693-62-1930

ELBOW

SN: 26324-UP

1шт.

13

6136-11-4820

GASKET (K1)

SN: 26324-UP

2шт.

14

01435-21070

BOLT

SN: 26324-UP

4шт.

15

6131-11-4610

HOSE

SN: 26324-UP

1шт.

16

07281-00909

CLAMP

SN: 26324-UP

2шт.

17

6206-11-4240

CONNECTOR

SN: 26324-UP

1шт.

18

02720-20204

PLUG

SN: 26324-UP

1шт.

19

6206-11-4411

BRACKET

SN: 26324-UP

1шт.

20

6206-11-4490

SPACER

SN: 26324-UP

2шт.

21

01435-21060

BOLT

SN: 26324-UP

2шт.

22

6206-81-4720

WIRE, 480MM

SN: 26324-UP

1шт.

23

6206-81-4730

WIRE, 380MM

SN: 26324-UP

1шт.

24

08036-10814

CLIP

SN: 26324-UP

1шт.

25

01435-20825

BOLT

SN: 45381-UP

1шт.

25

01435-21065

BOLT

SN: 26324-45380

1шт.

26

08038-00519

CAP

SN: 26324-UP

3шт.

27

08670-02001

INDICATOR,DUST

SN: 70831-UP

1шт.

27

0

INDICATOR,DUST (JAPANESE-ENGLISH)

SN: 29803-70830

1шт.

27

0

INDICATOR,DUST (ENGLISH-FRENCH)

SN: 26324-70830

1шт.

27

0

INDICATOR,DUST (ENGLISH-SPANISH)

SN: 26324-70830

1шт.

27

0

INDICATOR,DUST (ENGLISH-GERMAN)

SN: 26324-70830

1шт.

27

0

INDICATOR,DUST (ENGLISH-ITALIAN)

SN: 26324-70830

1шт.

28

6142-82-6550

SPACER

SN: 45381-UP

1шт.

29

09920-00150

LIQUID GASKET,LG-7, 150G

SN: 26324-UP

-2шт.

Выбрано товаров: 0