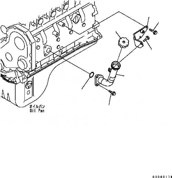
Запчасти Komatsu Engine SAA6D102E-2 БЛОК ЦИЛИНДРОВ КРЫШКА(МАСЛОНАЛИВНОЙ ПАТРУБОК И КОРПУС) ДВИГАТЕЛЬ

Схема запчастей Komatsu Engine SAA6D102E-2 - БЛОК ЦИЛИНДРОВ КРЫШКА(МАСЛОНАЛИВНОЙ ПАТРУБОК И КОРПУС) ДВИГАТЕЛЬ
5
7
1
6
4
3
2
FIT
1:1
100%

Артикул

Название

Примечание

Количество

1

6136-21-7120

CAP ASS'Y

SN: 30382612-UP

1шт.

2

6732-51-5130

BOLT

SN: 30382612-UP

2шт.

3

6736-21-3360

SEAL (K2)

SN: 30382612-UP

1шт.

4

6738-21-5130

TUBE {OIL FILLER}

SN: 30382612-UP

1шт.

5

6738-21-5120

BRACKET

SN: 30382612-UP

1шт.

6

01435-01020

BOLT

SN: 30382612-UP

1шт.

7

6736-21-5310

BOLT

SN: 30382612-UP

2шт.

Выбрано товаров: 7