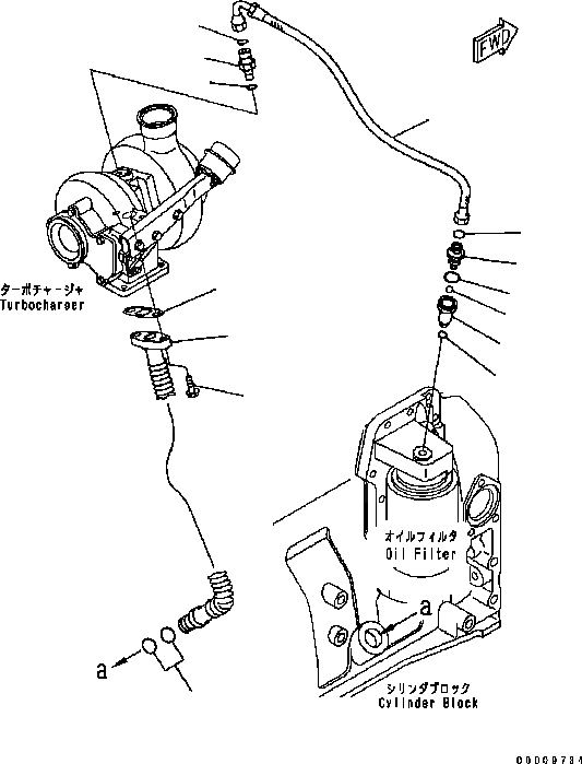
Запчасти Komatsu Engine SAA6D102E-22A-8 МАСЛОПРОВОДЯЩИЕ ТРУБКИ ТУРБОНАГНЕТАТЕЛЯ ДВИГАТЕЛЬ

Схема запчастей Komatsu Engine SAA6D102E-22A-8 - МАСЛОПРОВОДЯЩИЕ ТРУБКИ ТУРБОНАГНЕТАТЕЛЯ ДВИГАТЕЛЬ
3
8
7
6
5
13
10
11
12
1
9
14
2
4
FIT
1:1
100%

Артикул

Название

Примечание

Количество

1

6732-51-8430

TUBE {OIL}

SN: 30379917-UP

1шт.

2

6732-71-3220

BOLT

SN: 30379917-UP

2шт.

3

6735-51-8180

GASKET (K1)

SN: 30379917-UP

1шт.

4

6732-51-8330

O-RING (K2)

SN: 30379917-UP

2шт.

5

6735-51-8140

HOSE

SN: 30379917-UP

1шт.

|6

6732-51-8180

CONNECTOR ASS'Y

SN: 30379917-UP

1шт.

6

6737-51-8770

O-RING (K1)

SN: 30379917-UP

1шт.

7

6745-61-8160

CONNECTOR

SN: 36032200-UP

1шт.

|7

6732-81-8850

CONNECTOR

SN: 30379917-36032199

1шт.

8

6732-81-8860

O-RING

SN: 30379917-UP

1шт.

|9

6732-51-8441

VALVE {CHECK}

SN: 30379917-UP

1шт.

9

0

ADAPTER

SN: 30379917-UP

1шт.

10

0

NIPPLE

SN: 30379917-UP

1шт.

11

0

O-RING

SN: 30379917-UP

1шт.

12

0

BALL

SN: 30379917-UP

1шт.

13

6732-81-8860

O-RING (K1)

SN: 30379917-UP

1шт.

14

6736-51-8710

O-RING (K1)

SN: 30379917-UP

1шт.

Выбрано товаров: 17