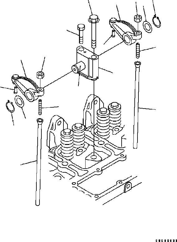
Запчасти Komatsu Engine SAA6D102E-22A-8 КОРОМЫСЛО ДВИГАТЕЛЬ

Схема запчастей Komatsu Engine SAA6D102E-22A-8 - КОРОМЫСЛО ДВИГАТЕЛЬ
10
12
2
3
6
8
5
4
9
14
7
15
13
4
5
11
1
1
FIT
1:1
100%

Артикул

Название

Примечание

Количество

1

6732-41-3111

ROD

SN: 30379917-UP

12шт.

2

6732-41-5180

BOLT

SN: 30379917-UP

6шт.

3

6732-11-1640

BOLT

SN: 30379917-UP

6шт.

4

6732-41-5170

RING

SN: 30379917-UP

12шт.

5

6732-51-5160

WASHER

SN: 30379917-UP

12шт.

|6

6732-41-5400

ARM ASS'Y

SN: 30379917-UP

6шт.

6

0

ARM

SN: 30379917-UP

1шт.

7

0

INSERT

SN: 30379917-UP

1шт.

8

6735-41-5550

NUT

SN: 30379917-UP

1шт.

9

6735-41-5560

SCREW

SN: 30379917-UP

1шт.

|10

6732-41-5200

ARM ASS'Y

SN: 30379917-UP

6шт.

10

0

ARM

SN: 30379917-UP

1шт.

11

0

INSERT

SN: 30379917-UP

1шт.

12

6735-41-5550

NUT

SN: 30379917-UP

1шт.

13

6735-41-5560

SCREW

SN: 30379917-UP

1шт.

|14

6736-41-5110

BRACKET ASS'Y

SN: 30379917-UP

6шт.

14

6732-41-5120

BRACKET

SN: 30379917-UP

1шт.

15

0

SHAFT ASS'Y

SN: 30379917-UP

1шт.

Выбрано товаров: 18