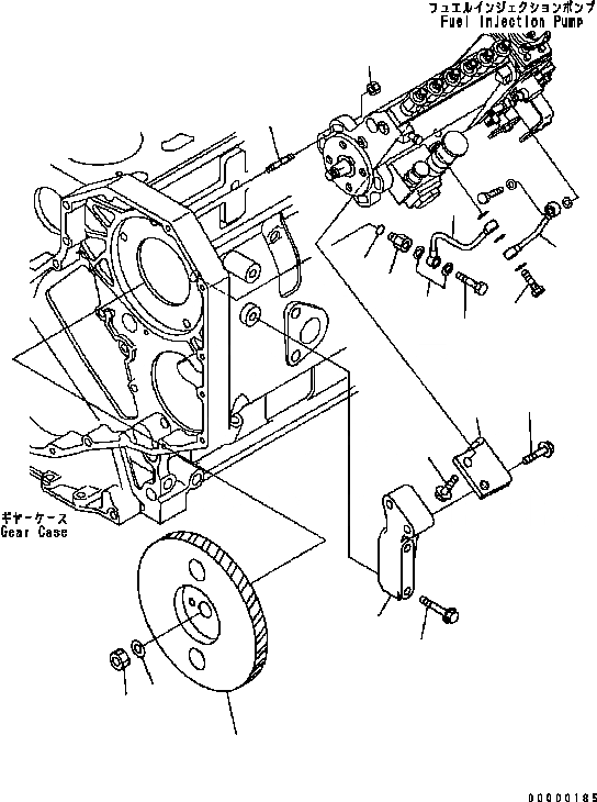
Запчасти Komatsu Engine SAA6D102E-22A-8 ТОПЛИВН. ВПРЫСК КРЕПЛЕНИЕ ДВИГАТЕЛЬ

Схема запчастей Komatsu Engine SAA6D102E-22A-8 - ТОПЛИВН. ВПРЫСК КРЕПЛЕНИЕ ДВИГАТЕЛЬ
7
6
15
17
12
11
14
16
13
4
3
5
1
2
9
10
8
FIT
1:1
100%

Артикул

Название

Примечание

Количество

1

6738-71-3620

BRACKET

SN: 30379917-UP

1шт.

2

6732-61-3110

BOLT

SN: 30379917-UP

2шт.

3

6738-71-3610

BRACKET

SN: 30379917-UP

1шт.

4

6735-71-3220

BOLT

SN: 30379917-UP

2шт.

5

6734-71-5610

BOLT

SN: 30379917-UP

2шт.

6

6738-71-3120

STUD

SN: 30379917-UP

4шт.

7

6736-81-6170

NUT

SN: 30379917-UP

4шт.

8

6738-71-3100

GEAR ASS'Y

SN: 30379917-UP

1шт.

|8

6738-71-3110

GEAR, FUEL PUMP

SN: 30379917-UP

1шт.

|8

6738-71-3810

DAMPER, VIBRATION

SN: 30379917-UP

1шт.

9

6130-32-1361

WASHER

SN: 30379917-UP

1шт.

10

01582-01411

NUT

SN: 30379917-UP

1шт.

11

6732-71-5450

NIPPLE

SN: 30379917-UP

1шт.

12

6215-81-9710

O-RING

SN: 30379917-UP

1шт.

13

07206-30710

BOLT {JOINT}

SN: 30379917-UP

1шт.

14

6731-71-5860

GASKET (K2)

SN: 30379917-UP

2шт.

15

6735-71-5411

TUBE {OIL}

SN: 30379917-UP

1шт.

16

6735-71-5420

BOLT {JOINT}

SN: 30379917-UP

1шт.

17

6735-71-5430

TUBE

SN: 30379917-UP

1шт.

Выбрано товаров: 19