Запчасти Komatsu Engine SAA6D102E-22A-8 СОЛЕНОИД ОСТАНОВКИ ДВИГАТЕЛЬ

Схема запчастей Komatsu Engine SAA6D102E-22A-8 - СОЛЕНОИД ОСТАНОВКИ ДВИГАТЕЛЬ
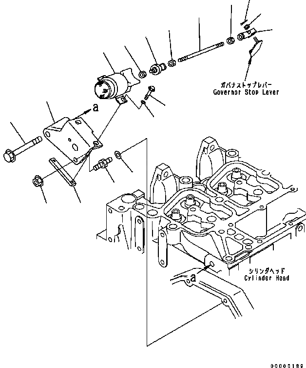
3
2
17
16
4
7
6
5
14
1
8
9
13
15
12
11
10
FIT
1:1
100%

Артикул

Название

Примечание

Количество

1

600-815-9260

SOLENOID ASS'Y

SN: 30379917-UP

1шт.

2

01435-00620

BOLT

SN: 30379917-UP

2шт.

3

01640-20610

WASHER

SN: 30379917-UP

2шт.

4

6732-81-9520

PLATE

SN: 30379917-UP

1шт.

5

6732-81-9511

BRACKET

SN: 30379917-UP

1шт.

6

01435-01070

BOLT

SN: 30379917-UP

1шт.

7

6732-71-3210

NUT

SN: 30379917-UP

1шт.

8

6204-81-9640

JOINT

SN: 30379917-UP

1шт.

9

01580-00605

NUT

SN: 30379917-UP

1шт.

10

04250-60639

END {ROD}

SN: 30379917-UP

1шт.

11

01590-30607

NUT

SN: 30379917-UP

1шт.

12

04050-11212

PIN {COTTER}

SN: 30379917-UP

1шт.

13

04248-50625

ROD

SN: 30379917-UP

1шт.

14

01580-00605

NUT

SN: 30379917-UP

1шт.

15

01508-40603

NUT {L.H. THREAD}

SN: 30379917-UP

1шт.

16

6732-21-3990

STUD

SN: 30379917-UP

1шт.

17

01640-20816

WASHER

SN: 30379917-UP

1шт.

Выбрано товаров: 17