Качественные детали и логистика
Оригинальные и аналоговые запчасти с доставкой по России, Казахстану и Беларуси
©2022 PartSell ООО "Система" ИНН 2463123282 ОГРН 1212400004838
Центральный офис: г. Красноярск, Академика Киренского, д.87, пом.4
Телефон: 8 (800) 777-65-74 Email: zakaz@partsell.ru
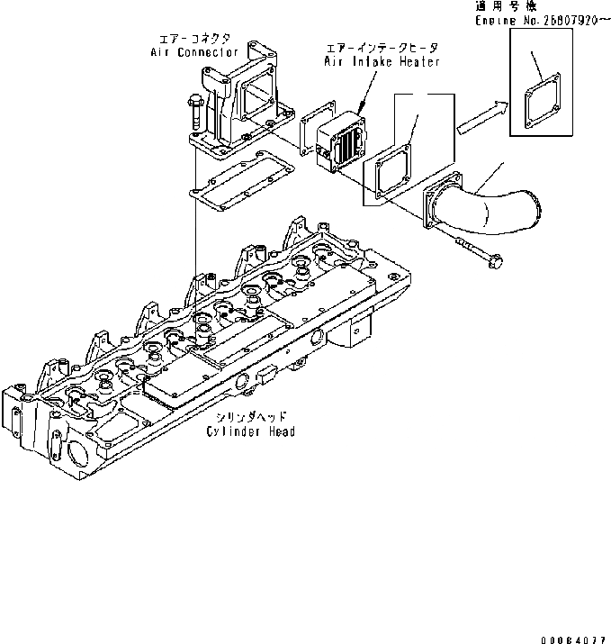
ВОЗД. СОЕДИН-Е ТРУБКА (№8-)
№
Артикул
Название
Примечание
Количество
1
6743-11-4410
TUBE
SN: 26800425-UP
1шт.
2
6754-11-4120
GASKET
SN: 26807920-UP
|2
0
GASKET (K1)
SN: 26800425-26807919
Выбрано товаров: 0