Запчасти Komatsu Engine SAA6D114E-2BB-VH МАСЛООХЛАДИТЕЛЬ (№8-) ДВИГАТЕЛЬ

Схема запчастей Komatsu Engine SAA6D114E-2BB-VH - МАСЛООХЛАДИТЕЛЬ (№8-) ДВИГАТЕЛЬ
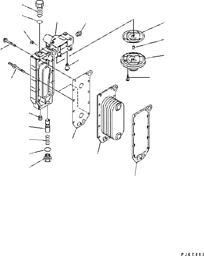
13
19
14
3
4
2
5
7
1
6
8
12
11
10
17
18
20
9
15
16
FIT
1:1
100%

Артикул

Название

Примечание

Количество

|1

6743-51-5200

HEAD

SN: 26803363-UP

1шт.

|1

0

HEAD

SN: 26800425-26803362

1шт.

1

0

COVER {OIL COOLER}

SN: 26803363-UP

1шт.

|1

0

COVER {OIL COOLER}

SN: 26800425-26803362

1шт.

2

6742-01-2480

RING {DOWEL}

SN: 26800425-UP

1шт.

3

6732-21-6610

BOLT

SN: 26800425-UP

4шт.

4

6742-01-2500

HEAD

SN: 26800425-UP

1шт.

5

6742-01-2491

GASKET (K2)

SN: .-UP

1шт.

|5

6742-01-2490

GASKET (K2)

SN: 26800425-.

1шт.

6

6731-61-2151

VALVE {RELIEF}

SN: 26800425-UP

1шт.

7

6732-11-1920

PLUG

SN: 26800425-UP

1шт.

8

6742-01-2410

PLUG

SN: 26800425-UP

1шт.

9

6742-01-2390

SPRING

SN: 26800425-UP

1шт.

10

6732-11-1930

PLUG

SN: 26800425-UP

2шт.

11

6742-01-2441

BOLT

SN: 26801292-UP

9шт.

|11

0

BOLT

SN: 26800425-26801291

9шт.

12

6741-61-6110

BOLT

SN: 26800425-UP

2шт.

13

6742-01-1080

GASKET (K2)

SN: 26800425-UP

1шт.

14

6743-51-4430

GASKET (K2)

SN: 26800425-UP

1шт.

|15

6742-01-4220

PLUG

SN: 26800425-UP

1шт.

15

0

PLUG

SN: 26800425-UP

1шт.

16

6742-01-5118

SEAL

SN: 26800425-UP

1шт.

|17

6742-01-5117

VALVE

SN: 26800425-UP

1шт.

17

6742-01-2420

O-RING

SN: 26800425-UP

1шт.

18

0

VALVE {BYPASS}

SN: 26800425-UP

1шт.

19

6743-61-2210

CORE {COOLER}

SN: 26801666-UP

1шт.

|19

6742-01-2450

CORE {COOLER}

SN: 26800425-26801665

1шт.

20

6742-01-5202

PLUNGER

SN: 26800425-UP

1шт.

Выбрано товаров: 28