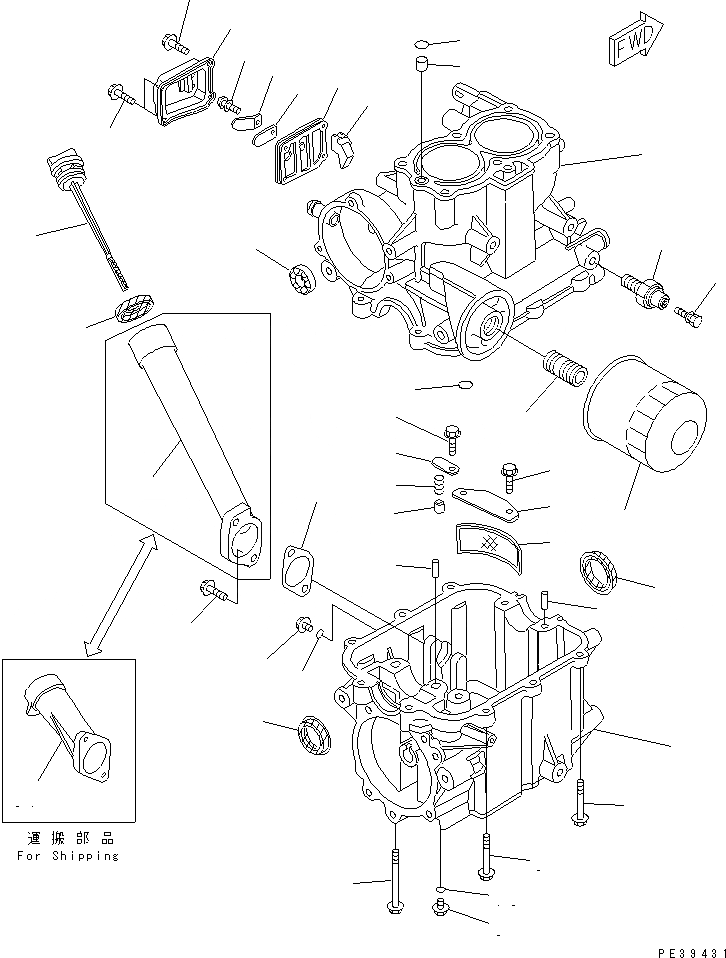
Запчасти Komatsu GX360K1-SKM-1 БЛОК ЦИЛИНДРОВ БЛОК ЦИЛИНДРОВ

Схема запчастей Komatsu GX360K1-SKM-1 - БЛОК ЦИЛИНДРОВ БЛОК ЦИЛИНДРОВ
1
1
2
3
3
4
5
6
6
7
8
9
9
10
10
11
12
13
14
15
16
17
18
19
20
21
22
23
23
24
25
26
27
28
29
30
31
31
32
33
34
35
FIT
1:1
100%

Артикул

Название

Примечание

Количество

1

HD120A0ZA0920

CYLINDER BLOCK ASS'Y

SN: 1269500-UP

1шт.

2

HD961006202000

BEARING

SN: 1269500-UP

1шт.

3

HD9430110160

PIN,DOWEL

SN: 1269500-UP

4шт.

4

HD957000805500

BOLT

SN: 1269500-UP

4шт.

5

HD12125ZA0000

ORIFICE

SN: 1269500-UP

1шт.

6

HD91305ZA0000

O-RING

SN: 1269500-UP

2шт.

7

HD957010602808

BOLT

SN: 1269500-UP

7шт.

8

HD957010603208

BOLT

SN: 1269500-UP

1шт.

9

HD9280012000

PLUG,DRAIN

SN: 1269500-UP

2шт.

10

HD9410912000

WASHER

SN: 1269500-UP

2шт.

11

HD91205ZA0003

SEAL,OIL

SN: 1269500-UP

1шт.

12

HD91201ZA0003

SEAL,OIL

SN: 1269500-UP

1шт.

13

HD12360ZA0700

COVER,BREATHER

SN: 1269500-UP

1шт.

14

HD12370ZA0981

PLATE,BREATHER

SN: 1269500-UP

1шт.

15

HD90014952000

BOLT

SN: 1269500-UP

2шт.

16

HD90013883000

BOLT

SN: 1269500-UP

2шт.

17

HD12376ZA0980

GUARD,BREATHER

SN: 1269500-UP

1шт.

18

HD12372ZA0701

PLATE

SN: 1269500-UP

1шт.

19

HD12374ZA0701

STOPPER,VALVE

SN: 1269500-UP

1шт.

20

HD90092657000

SCREW

SN: 1269500-UP

1шт.

21

HD15421ZA0000

SCREEN,OIL FILTER

SN: 1269500-UP

1шт.

22

HD15334ZA0000

PLATE

SN: 1269500-UP

1шт.

23

HD934020601208

BOLT

SN: 1269500-UP

3шт.

24

HD15475ZA0000

PLATE,CHECK VALVE

SN: 1269500-UP

1шт.

25

HD15473ZA0000

VALVE,CHECK

SN: 1269500-UP

1шт.

26

HD15474881000

SPRING

SN: 1269500-UP

1шт.

27

HD90015590000

HOLDER

SN: 1269500-UP

1шт.

28

HD15400679033

FILTER,OIL

SN: 1269500-UP

1шт.

29

HD37240ZG5004

SWITCH,OIL PRESSURE

SN: 1269500-UP

1шт.

30

HD90002ZG5004

BOLT

SN: 1269500-UP

1шт.

31

20A-01-11910

PIPE,OIL FILLER

SN: 1269500-UP

1шт.

|31

HD15632750800

PIPE,OIL FILLER (FOR SHIPPING)

SN: 1269500-UP

1шт.

32

HD15635ZA0800

PACKING

SN: 1269500-UP

1шт.

33

HD957010602000

BOLT

SN: 1269500-UP

2шт.

34

HD15625ZE8000

PACKING

SN: 1269500-UP

1шт.

35

HD15620758000

CAP,OIL FILLER

SN: 1269500-UP

1шт.

Выбрано товаров: 0