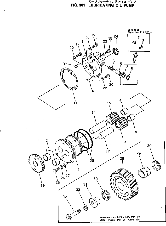
Запчасти Komatsu KT-1150-1B СМАЗЫВ. НАСОС СИСТЕМА СМАЗКИ МАСЛ. СИСТЕМА

Схема запчастей Komatsu KT-1150-1B - СМАЗЫВ. НАСОС СИСТЕМА СМАЗКИ МАСЛ. СИСТЕМА
FIT
1:1
100%

Артикул

Название

Примечание

Количество

|1

CU3201119

OIL PUMP ASS'Y

SN: 117702-UP

1шт.

|1

CUAR-10588

OIL PUMP ASS'Y

SN: 114945-117701

1шт.

|1

CUAR-10583

BODY ASS'Y

SN: 114945-UP

1шт.

1

0

BODY

SN: 114945-UP

1шт.

2

CU69521

BUSHING

SN: .-UP

2шт.

|2

0

BUSHING

SN: 114945-.

2шт.

|3

CU3201118

COVER ASS'Y

SN: 117702-UP

1шт.

|3

CUAR-10587

COVER ASS'Y

SN: 114945-117701

1шт.

3

0

COVER

SN: 117702-UP

1шт.

|3

0

COVER

SN: 114945-117701

1шт.

4

CU69521

BUSHING

SN: .-UP

2шт.

|4

0

BUSHING

SN: 114945-.

2шт.

5

CU207149

SPRING

SN: 114945-UP

1шт.

6

CU205080

PLUNGER

SN: 114945-UP

1шт.

7

CU3200934

PLUG

SN: 117702-UP

1шт.

|7

CU205079

STOPPER

SN: 114945-117701

1шт.

8

CU205345

PIN,SPRING

SN: 117702-UP

1шт.

|8

CU156676

RING,SNAP

SN: 114945-117701

1шт.

9

6670-31-9160

PIN

SN: 114945-UP

1шт.

10

CU70760

PIN

SN: 114945-UP

1шт.

11

CU205061

GASKET

SN: 114945-UP

1шт.

12

CU205065

SHAFT,DRIVE

SN: 114945-UP

1шт.

13

CU146942

GEAR,DRIVE

SN: 114945-UP

1шт.

14

CU205052

SHAFT,DRIVEN

SN: 114945-UP

1шт.

15

CU146942

GEAR,DRIVEN

SN: 114945-UP

1шт.

16

CU207252

GEAR

SN: 114945-UP

1шт.

17

02010-70664

BOLT

SN: 114945-UP

1шт.

18

CUS-141

BOLT

SN: 114945-UP

1шт.

19

CU3012471

BOLT

SN: 114945-UP

1шт.

20

02011-20602

BOLT

SN: 114945-UP

1шт.

21

CU68908

PLATE

SN: 114945-UP

3шт.

22

02310-01224

WASHER,SPRING

SN: 114945-UP

1шт.

23

CU205898

O-RING

SN: 114945-UP

2шт.

24

CU207135

SEAL,SEAL

SN: 114945-UP

1шт.

25

02010-20632

BOLT

SN: 114945-UP

3шт.

26

02310-01224

WASHER,SPRING

SN: 114945-UP

3шт.

27

02300-01320

WASHER

SN: 114945-UP

3шт.

|28

CU3004685

IDLER GEAR ASS'Y

SN: .-UP

1шт.

28

0

GEAR,IDLER

SN: .-UP

1шт.

|28

CU207247

GEAR,IDLER

SN: 114945-.

1шт.

29

CU3004686

BUSHING

SN: .-UP

1шт.

|29

CU205135

BUSHING

SN: 114945-.

1шт.

30

CU130083

WASHER

SN: .-UP

2шт.

|30

CU116388

WASHER

SN: 114945-.

2шт.

31

CU3001962

SHAFT

SN: .-UP

1шт.

|31

CU205134

SHAFT

SN: 114945-.

1шт.

32

CU207527

BOLT

SN: .-UP

1шт.

|32

CU205354

BOLT

SN: 114945-.

1шт.

33

CU3200772

WASHER

SN: 114945-UP

1шт.

Выбрано товаров: 49