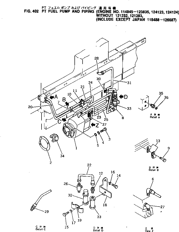
Запчасти Komatsu KT-1150-1B PT НАСОС И ТРУБЫ(№9-8) ТОПЛИВН. СИСТЕМА

Схема запчастей Komatsu KT-1150-1B - PT НАСОС И ТРУБЫ(№9-8) ТОПЛИВН. СИСТЕМА
FIT
1:1
100%

Артикул

Название

Примечание

Количество

1

CU3021949

PT FUEL PUMP ASS'Y,(CODE NO.E102)(E/J)(HD325-2)

SN: 118488-126687

1шт.

1

CUAR-41031

PT FUEL PUMP ASS'Y,(CODE NO.E071)(E/J)(HD325-2)

SN: 117876-118486

1шт.

1

CUAR-41031

PT FUEL PUMP ASS'Y,(CODE NO.E076)(E/J)(HD325-2)

SN: 116455-117465

1шт.

1

CUAR-41031

PT FUEL PUMP ASS'Y,(CODE NO.E076)(E/J)(HD325-2)

SN: 116399-116453

1шт.

1

CUAR-41031

PT FUEL PUMP ASS'Y,(CODE NO.E071)(E/J)(HD325-2)

SN: 116398-116398

1шт.

1

CUAR-41031

PT FUEL PUMP ASS'Y,(CODE NO.E076)(E/J)(HD325-2)

SN: 115970-116397

1шт.

1

CUAR-41031

PT FUEL PUMP ASS'Y,(CODE NO.E076)(E/J)(HD325-2)

SN: 114945-115968

1шт.

2

CU3029087

GASKET

SN: 124123-124124

1шт.

2

CU3029087

GASKET

SN: 121284-123835

1шт.

2

CU3029087

GASKET

SN: 121233-121282

1шт.

2

CU3029087

GASKET

SN: .-121231

1шт.

2

0

GASKET

SN: 114945-.

1шт.

3

CU206326

BOLT

SN: 124123-124124

4шт.

3

CU206326

BOLT

SN: 121284-123835

4шт.

3

CU206326

BOLT

SN: 121233-121282

4шт.

3

CU206326

BOLT

SN: 114945-121231

4шт.

4

02310-01428

WASHER,SPRING

SN: 124123-124124

4шт.

4

02310-01428

WASHER,SPRING

SN: 121284-123835

4шт.

4

02310-01428

WASHER,SPRING

SN: 121233-121282

4шт.

4

02310-01428

WASHER,SPRING

SN: 114945-121231

4шт.

5

02300-01520

WASHER

SN: 124123-124124

3шт.

5

02300-01520

WASHER

SN: 121284-123835

3шт.

5

02300-01520

WASHER

SN: 121233-121282

3шт.

5

02300-01520

WASHER

SN: 114945-121282

3шт.

5

CU69324

WASHER

SN: 124123-124124

1шт.

5

CU69324

WASHER

SN: 121284-123835

1шт.

5

CU69324

WASHER

SN: 121233-121282

1шт.

5

CU69324

WASHER

SN: 114945-121282

1шт.

6

CU175836

ELBOW

SN: 124123-124124

1шт.

6

CU175836

ELBOW

SN: 121284-123835

1шт.

6

CU175836

ELBOW

SN: 121233-121282

1шт.

6

CU175836

ELBOW

SN: 114945-121282

1шт.

7

CU181213

ELBOW

SN: 124123-124124

1шт.

7

CU181213

ELBOW

SN: 121284-123835

1шт.

7

CU181213

ELBOW

SN: 121233-121282

1шт.

7

CU181213

ELBOW

SN: 114945-121282

1шт.

8

CU136982

ELBOW

SN: 124123-124124

1шт.

8

CU136982

ELBOW

SN: 121284-123835

1шт.

8

CU136982

ELBOW

SN: 121233-121282

1шт.

8

CU136982

ELBOW

SN: 114945-121282

1шт.

9

CUS-103-D

BOLT

SN: 124123-124124

1шт.

9

CUS-103-D

BOLT

SN: 121284-123835

1шт.

9

CUS-103-D

BOLT

SN: 121233-121282

1шт.

9

CUS-103-D

BOLT

SN: .-121282

1шт.

9

0

BOLT

SN: 114945-.

1шт.

10

CU207145

UNION

SN: 124123-124124

1шт.

10

CU207145

UNION

SN: 121284-123835

1шт.

10

CU207145

UNION

SN: 121233-121282

1шт.

10

CU207145

UNION

SN: 114945-121282

1шт.

11

CU176288

TEE

SN: 124123-124124

1шт.

11

CU176288

TEE

SN: 121284-123835

1шт.

11

CU176288

TEE

SN: 121233-121282

1шт.

11

CU176288

TEE

SN: 114945-121282

1шт.

12

CU3200118

CONNECTOR

SN: 124123-124124

1шт.

12

CU3200118

CONNECTOR

SN: 121284-123835

1шт.

12

CU3200118

CONNECTOR

SN: 121233-121282

1шт.

12

CU3200118

CONNECTOR

SN: 114945-121282

1шт.

13

CU3200119

CLIP

SN: 124123-124124

1шт.

13

CU3200119

CLIP

SN: 121284-123835

1шт.

13

CU3200119

CLIP

SN: 121233-121282

1шт.

13

CU3200119

CLIP

SN: 114945-121282

1шт.

14

02010-20625

BOLT

SN: 124123-124124

1шт.

14

02010-20625

BOLT

SN: 121284-123835

1шт.

14

02010-20625

BOLT

SN: 121233-121282

1шт.

14

02010-20625

BOLT

SN: 114945-121282

1шт.

15

CUS-156-B

BOLT

SN: 124123-124124

1шт.

15

CUS-156-B

BOLT

SN: 121284-123835

1шт.

15

CUS-156-B

BOLT

SN: 121233-121282

1шт.

15

CUS-156-B

BOLT

SN: 114945-121282

1шт.

16

02310-01224

WASHER,SPRING

SN: 124123-124124

1шт.

16

02310-01224

WASHER,SPRING

SN: 121284-123835

1шт.

16

02310-01224

WASHER,SPRING

SN: 121233-121282

1шт.

16

02310-01224

WASHER,SPRING

SN: 114945-121282

1шт.

17

6610-71-1840

WASHER

SN: 124123-124124

1шт.

17

6610-71-1840

WASHER

SN: 121284-123835

1шт.

17

6610-71-1840

WASHER

SN: 121233-121282

1шт.

17

6610-71-1840

WASHER

SN: 114945-121282

1шт.

18

CU3200069

BRACKET

SN: 124123-124124

1шт.

18

CU3200069

BRACKET

SN: 121284-123835

1шт.

18

CU3200069

BRACKET

SN: 121233-121282

1шт.

18

CU3200069

BRACKET

SN: 114945-121282

1шт.

19

CU3200070

BRACKET

SN: 124123-124124

1шт.

19

CU3200070

BRACKET

SN: 121284-123835

1шт.

19

CU3200070

BRACKET

SN: 121233-121282

1шт.

19

CU3200070

BRACKET

SN: 114945-121282

1шт.

20

CU3200073

PIPE

SN: 124123-124124

1шт.

20

CU3200073

PIPE

SN: 121284-123835

1шт.

20

CU3200073

PIPE

SN: 121233-121282

1шт.

20

CU3200073

PIPE

SN: 114945-121282

1шт.

21

CU3200081

PIPE

SN: 124123-124124

1шт.

21

CU3200081

PIPE

SN: 121284-123835

1шт.

21

CU3200081

PIPE

SN: 121233-121282

1шт.

21

CU3200081

PIPE

SN: 114945-121282

1шт.

22

CU3200083

PIPE

SN: 124123-124124

1шт.

22

CU3200083

PIPE

SN: 121284-123835

1шт.

22

CU3200083

PIPE

SN: 121233-121282

1шт.

22

CU3200083

PIPE

SN: 114945-121282

1шт.

23

CU3200171

PIPE

SN: 124123-124124

1шт.

23

CU3200171

PIPE

SN: 121284-123835

1шт.

23

CU3200171

PIPE

SN: 121233-121282

1шт.

23

CU3200171

PIPE

SN: 114945-121282

1шт.

24

CU3200087

PIPE

SN: 124123-124124

1шт.

24

CU3200087

PIPE

SN: 121284-123835

1шт.

24

CU3200087

PIPE

SN: 121233-121282

1шт.

24

CU3200087

PIPE

SN: 114945-121282

1шт.

25

CU3200089

PIPE

SN: 124123-124124

1шт.

25

CU3200089

PIPE

SN: 121284-123835

1шт.

25

CU3200089

PIPE

SN: 121233-121282

1шт.

25

CU3200089

PIPE

SN: 114945-121282

1шт.

26

CU203862

TEE

SN: 124123-124124

1шт.

26

CU203862

TEE

SN: 121284-123835

1шт.

26

CU203862

TEE

SN: 121233-121282

1шт.

26

CU203862

TEE

SN: 114945-121282

1шт.

27

CU203848

ELBOW

SN: 124123-124124

1шт.

27

CU203848

ELBOW

SN: 121284-123835

1шт.

27

CU203848

ELBOW

SN: 121233-121282

1шт.

27

CU203848

ELBOW

SN: 114945-121282

1шт.

32

CU185505

VALVE

SN: 124123-124124

1шт.

32

CU185505

VALVE

SN: 121284-123835

1шт.

32

CU185505

VALVE

SN: 121233-121282

1шт.

32

CU185505

VALVE

SN: 114945-121282

1шт.

33

CU178079

VALVE

SN: 124123-124124

1шт.

33

CU178079

VALVE

SN: 121284-123835

1шт.

33

CU178079

VALVE

SN: 121233-121282

1шт.

33

CU178079

VALVE

SN: 114945-121282

1шт.

34

CU109859

SPIDER

SN: 124123-124124

1шт.

34

CU109859

SPIDER

SN: 121284-123835

1шт.

34

CU109859

SPIDER

SN: 121233-121282

1шт.

34

CU109859

SPIDER

SN: .-121282

1шт.

34

0

COUPLING

SN: 114945-.

1шт.

35

CU206056

CONNECTOR

SN: 124123-124124

1шт.

35

CU206056

CONNECTOR

SN: 121284-123835

1шт.

35

CU206056

CONNECTOR

SN: 121233-121282

1шт.

35

CU206056

CONNECTOR

SN: 114945-121282

1шт.

36

CU3002150

FERRULE

SN: 124123-124124

1шт.

36

CU3002150

FERRULE

SN: 121284-123835

1шт.

36

CU3002150

FERRULE

SN: 121233-121282

1шт.

36

CU3002150

FERRULE

SN: 114945-121282

1шт.

37

6710-71-1300

LEVER

SN: 121232-.

1шт.

Выбрано товаров: 139