Запчасти Komatsu KT-2300-1 ТУРБОНАГНЕТАТЕЛЬ(№9-) ГОЛОВКА ЦИЛИНДРОВ

Схема запчастей Komatsu KT-2300-1 - ТУРБОНАГНЕТАТЕЛЬ(№9-) ГОЛОВКА ЦИЛИНДРОВ
FIT
1:1
100%

Артикул

Название

Примечание

Количество

|$0

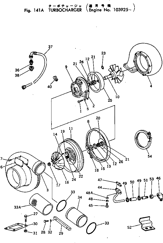
CU3033554

TURBOCHARGER ASS'Y

SN: 107115-UP

2шт.

|$1

CU3025165

TURBOCHARGER

SN: 103925-107114

2шт.

1

CU202870

BOLT

SN: 103559-UP

8шт.

2

CU202871

CLAMP

SN: 103559-UP

4шт.

3

CU3022507

HOUSING

SN: 103925-UP

1шт.

4

CU207438

HOUSING

SN: 103559-UP

1шт.

5

CU202872

PLATE

SN: 103559-UP

4шт.

6

CU207433

PLATE, NAME

SN: 103559-UP

1шт.

7

CU207434

SCREW

SN: 103559-UP

4шт.

8

CU202868

V-BAND

SN: 103559-UP

1шт.

|$10

CU3033543

HOUSING ASS'Y

SN: 107115-UP

1шт.

|$11

CU3022506

HOUSING ASS'Y

SN: 103925-107114

1шт.

9

CU3022514

HOUSING

SN: 103925-107114

1шт.

10

CU3022505

SHAFT ASS'Y

SN: 103925-107114

1шт.

11

CU3022503

PLATE

SN: 103925-107114

1шт.

12

CU207425

BEARING

SN: 103559-107114

2шт.

13

CU202856

PLATE

SN: 103559-107114

1шт.

14

CU3009195

BOLT

SN: 103925-107114

4шт.

15

CU3009198

COLLAR

SN: 103925-107114

1шт.

16

CU3022504

IMPELLER

SN: 103925-107114

1шт.

17

CU3009199

NUT

SN: 103925-107114

1шт.

18

CU207432

NUT

SN: 103559-107114

1шт.

19

CU3004583

PLATE

SN: 103559-107114

4шт.

20

CU202859

O-RING

SN: 103559-107114

1шт.

21

CU202853

RING

SN: 103559-107114

3шт.

22

CU202860

RING

SN: 103559-107114

1шт.

23

CU207431

RING

SN: 103559-107114

1шт.

24

CU3009197

SPACER

SN: 103925-107114

1шт.

25

CU202852

SHROUD

SN: 103559-107114

1шт.

26

CU202855

WASHER

SN: 103559-107114

2шт.

27

CUS-165

BOLT

SN: 103559-UP

16шт.

28

CUS-107

BOLT

SN: 103559-UP

8шт.

29

CU3175806

STRAP

SN: 103559-UP

4шт.

30

CU206576

GASKET

SN: 103559-UP

4шт.

31

CU219138

NUT

SN: 103559-UP

16шт.

32

CUS-604

WASHER

SN: 103559-UP

8шт.

33

CU3023066

O-RING

SN: .-UP

4шт.

33

0

O-RING

SN: 103559-.

4шт.

33A

CU3023130

SEAL

SN: 103559-UP

2шт.

33A

CU3023129

SEAL

SN: 103559-UP

2шт.

34

CU207214

TUBE

SN: 103559-UP

4шт.

35

CUS-626

WASHER

SN: 103559-UP

8шт.

36

CUS-1039A

ADAPTER

SN: 103925-UP

2шт.

37

CU3177046

HOSE

SN: 103925-UP

2шт.

38

CU3014354

ADAPTER

SN: 103925-UP

2шт.

40

CU108722

CLIP

SN: 103559-UP

4шт.

40

CU206668

ELBOW,(NOT SHOWN)

SN: 103559-UP

2шт.

44

CU3003039

TUBE

SN: 103559-UP

2шт.

45

CUS-112

BOLT

SN: 103559-UP

4шт.

46

CUS-1064

ELBOW

SN: 103559-UP

2шт.

47

CU201048

GASKET

SN: 103559-UP

2шт.

48

CUS-604

WASHER

SN: 103559-UP

4шт.

48A

CUS-602

WASHER

SN: 103559-UP

4шт.

49

CU556148

CLAMP

SN: 103559-UP

4шт.

50

CU556150

HOSE

SN: 103559-UP

2шт.

51

CU3175219

TUBE

SN: 103559-UP

2шт.

52

CU3175595

SHIELD

SN: 103559-UP

2шт.

53

CUS-1065

NUT

SN: 103559-UP

2шт.

54

CU201989

CLAMP

SN: 103559-UP

2шт.

Выбрано товаров: 59