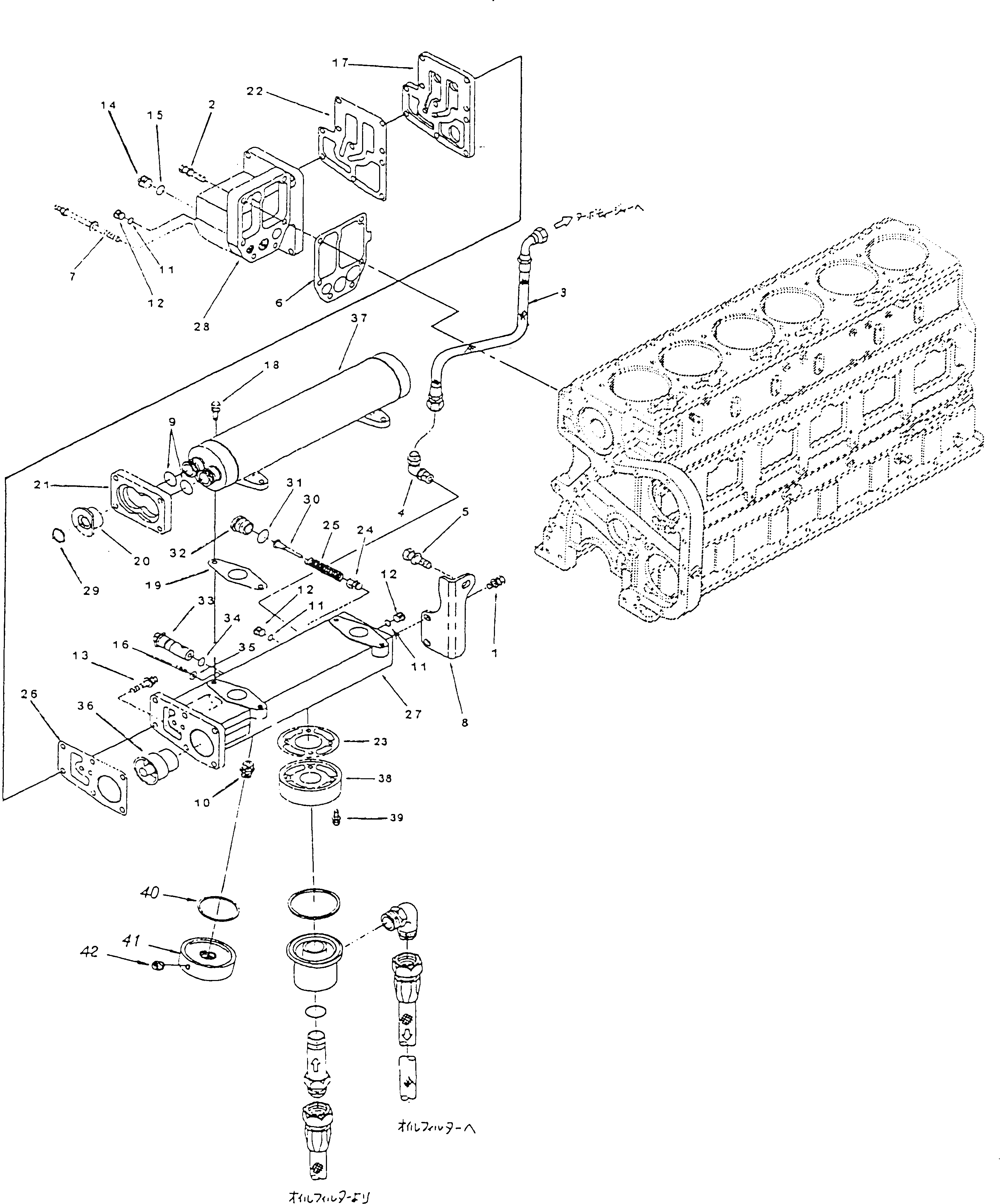
Запчасти Komatsu N14 ДВИГАТЕЛЬ МАСЛООХЛАДИТЕЛЬ ДВИГАТЕЛЬ

Схема запчастей Komatsu N14 - ДВИГАТЕЛЬ МАСЛООХЛАДИТЕЛЬ ДВИГАТЕЛЬ
FIT
1:1
100%

Артикул

Название

Примечание

Количество

1

CU3006182

SCREW

SN: 1-UP

2шт.

2

CU3012473

BOLT

SN: 1-UP

2шт.

3

CU209955

HOSE

SN: 1-UP

1шт.

4

CU3037535

ELBOW

SN: 1-UP

2шт.

5

CU3063567

SCREW

SN: 1-UP

1шт.

6

CU3066298

GASKET

SN: 1-UP

1шт.

7

CU3067984

SCREW

SN: 1-UP

4шт.

8

CU3070501

BRACKET

SN: 1-UP

1шт.

|$8

CU3095778

OIL COOLER ASS'Y

SN: 1-UP

1шт.

9

CU109080

O-RING

SN: 1-UP

2шт.

10

CU206963

ADAPTER

SN: 1-UP

1шт.

|$11

CU3037536

PLUG

SN: 1-UP

5шт.

11

CU3037537

O-RING

SN: 1-UP

5шт.

12

CU3040813

PLUG

SN: 1-UP

5шт.

13

CU3042889

BOLT

SN: 1-UP

10шт.

|$15

CU3046202

PLUG

SN: 1-UP

1шт.

14

CU3040810

PLUG

SN: 1-UP

1шт.

15

CU3046201

O-RING

SN: 1-UP

1шт.

16

CU3061400

SCREW

SN: 1-UP

1шт.

17

CU3066277

SPACER

SN: 1-UP

1шт.

18

CU3067955

SCREW

SN: 1-UP

4шт.

19

CU3069678

GASKET

SN: 1-UP

2шт.

20

CU3069680

ADAPTER

SN: 1-UP

2шт.

21

CU3069681

RETAINER

SN: 1-UP

1шт.

22

CU3070477

GASKET

SN: 1-UP

1шт.

23

CU3071736

GASKET

SN: 1-UP

1шт.

24

CU3072301

VALVE

SN: 1-UP

1шт.

25

CU3072302

SPRING

SN: 1-UP

1шт.

26

CU3072341

GASKET

SN: 1-UP

1шт.

|$29

CU3072374

KIT

SN: 1-UP

1шт.

27

CU3072372

CONNECTION

SN: 1-UP

1шт.

28

CU3081177

SUPPORT

SN: 1-UP

1шт.

29

CU3072375

SEAL

SN: 1-UP

2шт.

30

CU3072377

PLUNGER

SN: 1-UP

1шт.

|$34

CU3072378

PLUG

SN: 1-UP

1шт.

31

CU3046943

O-RING

SN: 1-UP

1шт.

32

CU3072376

PLUG

SN: 1-UP

1шт.

33

CU3072395

VALVE

SN: 1-UP

1шт.

34

CU3072397

SEAL

SN: 1-UP

1шт.

35

CU3077620

WASHER

SN: 1-UP

1шт.

36

CU3078338

THERMOSTAT

SN: 1-UP

1шт.

37

CU3078407

COOLER

SN: 1-UP

1шт.

38

CU3058863

HEAD

SN: 1-UP

1шт.

39

CU3064352

SCREW

SN: 1-UP

4шт.

40

CU3609898

SEAL

SN: 1-UP

1шт.

41

CU3609889

ADAPTER

SN: 1-UP

1шт.

42

CU3008465

PLUG

SN: 1-UP

1шт.

Выбрано товаров: 47