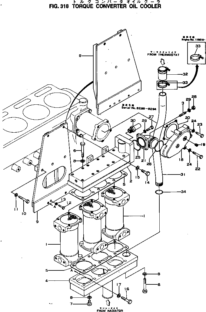
Запчасти Komatsu NH-220-CI-1H ОХЛАЖДЕНИЕ МАСЛА ГТР СИСТЕМА СМАЗКИ МАСЛ. СИСТЕМА

Схема запчастей Komatsu NH-220-CI-1H - ОХЛАЖДЕНИЕ МАСЛА ГТР СИСТЕМА СМАЗКИ МАСЛ. СИСТЕМА
FIT
1:1
100%

Артикул

Название

Примечание

Количество

|$0

6632-62-9200

OIL COOLER ASS'Y

SN: 40447-UP

1шт.

1

600-652-1121

COOLER

SN: .-UP

2шт.

1

0

COOLER

SN: 40447-.

2шт.

|$3

6693-60-9212

COVER ASS'Y,UPPER

SN: 40447-UP

1шт.

2

0

COVER

SN: 40447-UP

1шт.

3

01124-31030

STUD

SN: 40447-UP

2шт.

4

6693-62-9234

COVER,LOWER

SN: 40447-UP

1шт.

5

6693-62-9281

GASKET (K4)

SN: 40447-UP

2шт.

6

01010-31285

BOLT

SN: 40447-UP

23шт.

7

01011-31220

BOLT

SN: 40447-UP

1шт.

8

01602-01236

WASHER,SPRING

SN: 40447-UP

24шт.

9

6693-62-9253

BRACKET

SN: 40447-UP

1шт.

10

02010-20864

BOLT

SN: 40447-UP

3шт.

11

02310-11632

WASHER,SPRING

SN: 40447-UP

3шт.

12

02010-20632

BOLT

SN: 40447-UP

2шт.

13

02310-11224

WASHER,SPRING

SN: 40447-UP

2шт.

14

01010-31280

BOLT

SN: 40447-UP

2шт.

15

01602-01236

WASHER,SPRING

SN: 40447-UP

2шт.

16

01010-31245

BOLT

SN: 40447-UP

2шт.

17

01602-01236

WASHER,SPRING

SN: 40447-UP

2шт.

|$20

6693-60-9020

CONNECTOR ASS'Y

SN: 40447-UP

1шт.

18

0

CONNECTOR

SN: 40447-UP

1шт.

19

07042-00108

PLUG

SN: 40447-UP

1шт.

20

6693-62-9120

GASKET (K4)

SN: 40447-UP

1шт.

21

6693-62-9141

ELBOW

SN: 40447-UP

1шт.

22

01010-31060

BOLT

SN: 40447-UP

3шт.

23

01010-31050

BOLT

SN: 40447-UP

2шт.

24

01602-01030

WASHER,SPRING

SN: 40447-UP

5шт.

25

07000-03062

O-RING (K4)

SN: 40447-UP

1шт.

26

07000-03060

O-RING (K4)

SN: 40447-UP

1шт.

27

01010-31030

BOLT

SN: 40447-UP

2шт.

28

01580-01008

NUT

SN: 40447-UP

2шт.

29

01602-01030

WASHER,SPRING

SN: 40447-UP

4шт.

30

6693-62-8670

CONNECTOR

SN: 40447-UP

1шт.

31

6693-62-6513

PIPE

SN: 40447-UP

1шт.

32

6610-61-6531

HOSE

SN: 40447-UP

1шт.

33

07280-04726

CLAMP

SN: 40447-UP

2шт.

34

07000-03035

O-RING (K4)

SN: 40447-UP

1шт.

Выбрано товаров: 38