Запчасти Komatsu NH-220-CI-1H DYNAMO И КРЕПЛЕНИЕ ОХЛАЖД-Е И ЭЛЕКТРИКАS

Схема запчастей Komatsu NH-220-CI-1H - DYNAMO И КРЕПЛЕНИЕ ОХЛАЖД-Е И ЭЛЕКТРИКАS
FIT
1:1
100%

Артикул

Название

Примечание

Количество

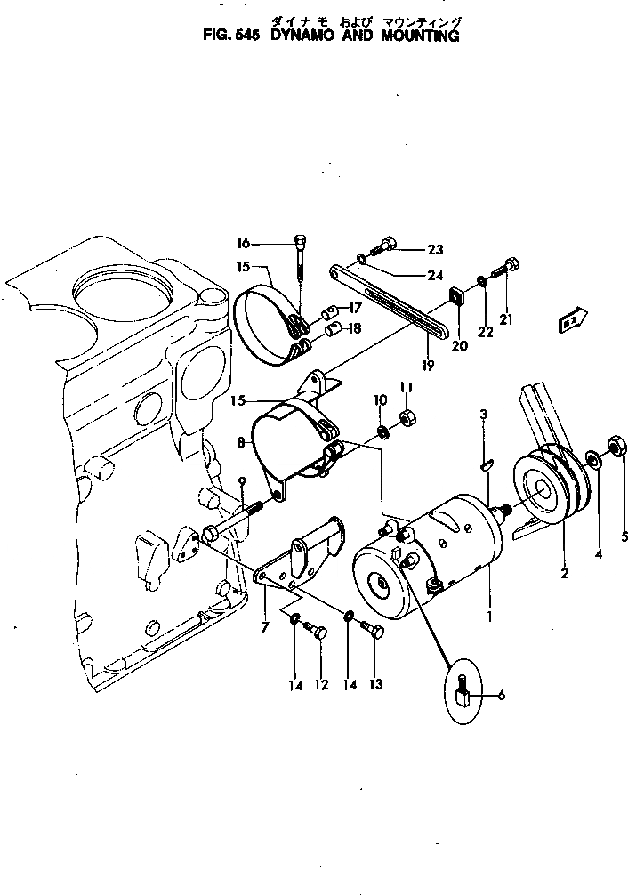
1

6672-82-2510

DYNAMO ASS'Y (12A),(0.3KW)

SN: 40447-UP

1шт.

2

KDSGXPB-400

PULLEY

SN: 40447-UP

1шт.

3

KD81422

KEY

SN: 40447-UP

1шт.

4

KD31611

WASHER,SPRING

SN: 40447-UP

1шт.

5

KD26141

NUT

SN: 40447-UP

1шт.

6

KDSGX-023

BRUSH

SN: 40447-UP

1шт.

|$6

6672-22-6301

BRACKET ASS'Y

SN: 40447-UP

1шт.

7

6672-22-6311

BRACKET

SN: 40447-UP

1шт.

8

6672-22-6321

BRACKET

SN: 40447-UP

1шт.

9

6120-21-5121

BOLT

SN: 40447-UP

1шт.

10

01602-01236

WASHER,SPRING

SN: 40447-UP

1шт.

11

01580-01210

NUT

SN: 40447-UP

1шт.

12

02010-20622

BOLT

SN: 40447-UP

3шт.

13

02010-20619

BOLT

SN: 40447-UP

2шт.

14

02310-11224

WASHER,SPRING

SN: 40447-UP

5шт.

|$15

6672-22-6040

BAND ASS'Y

SN: 40447-UP

2шт.

15

6111-21-6460

BAND

SN: 40447-UP

2шт.

16

6110-23-6520

BOLT

SN: 40447-UP

2шт.

17

6110-21-6530

PIN

SN: 40447-UP

2шт.

18

6110-21-6540

PIN, WITH THREAD

SN: 40447-UP

2шт.

19

6672-22-6350

PLATE,ADJUSTING

SN: 40447-UP

1шт.

20

6676-23-6360

PLATE

SN: 40447-UP

1шт.

21

01050-31235

BOLT

SN: 40447-UP

1шт.

22

01602-01236

WASHER,SPRING

SN: 40447-UP

1шт.

23

02030-20764

BOLT

SN: 40447-UP

1шт.

24

02310-11428

WASHER,SPRING

SN: 40447-UP

1шт.

Выбрано товаров: 0