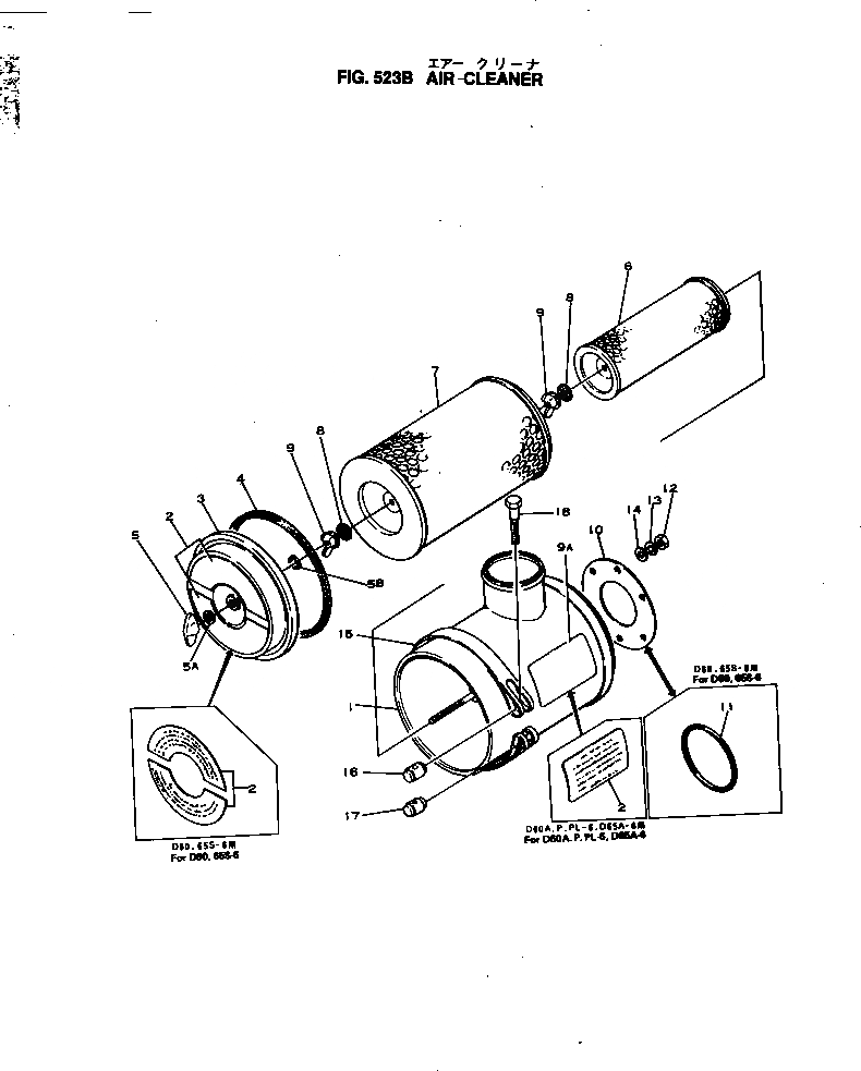
Запчасти Komatsu NH-220-CI-1H ВОЗДУХООЧИСТИТЕЛЬ ОХЛАЖД-Е И ЭЛЕКТРИКАS

Схема запчастей Komatsu NH-220-CI-1H - ВОЗДУХООЧИСТИТЕЛЬ ОХЛАЖД-Е И ЭЛЕКТРИКАS
FIT
1:1
100%

Артикул

Название

Примечание

Количество

|1

6631-82-7201

AIR CLEANER ASS'Y

SN: 40447-UP

1шт.

1

6631-82-7211

BODY

SN: 40447-UP

1шт.

|3

6112-83-7201

COVER ASS'Y

SN: 40447-UP

1шт.

3

6112-83-7220

COVER

SN: 40447-UP

1шт.

4

6112-83-7230

SEAL

SN: 40447-UP

1шт.

5

6112-83-7241

NUT,WING

SN: 40447-UP

1шт.

5A

6112-83-7630

WASHER

SN: 40447-UP

1шт.

5B

6112-83-7251

RING,SNAP

SN: 40447-UP

1шт.

|6

6112-83-7601

ELEMENT ASS'Y

SN: .-UP

1шт.

|6

0

ELEMENT ASS'Y

SN: 40447-.

1шт.

6

6112-83-7620

ELEMENT,INNER

SN: 40447-UP

1шт.

7

6112-83-7610

ELEMENT,OUTER

SN: 40447-UP

1шт.

8

600-181-3270

WASHER,SEAL

SN: 40447-UP

2шт.

|8

0

WASHER,SEAL

SN: (40447-.)

2шт.

9

600-181-2360

NUT

SN: 40447-UP

2шт.

|9

0

NUT

SN: (40447-.)

2шт.

9A

6112-83-2140

PLATE¤ INSTRUCTION,(JAPANESE)

SN: 40447-UP

1шт.

|9A

6112-83-2150

PLATE¤ INSTRUCTION,(ENGLISH)

SN: 40447-UP

1шт.

11

07000-03110

O-RING (K4)

SN: 40447-UP

1шт.

12

01582-01008

NUT

SN: 40447-UP

4шт.

13

01602-01030

WASHER,SPRING

SN: 40447-UP

4шт.

14

01641-21016

WASHER

SN: 40447-UP

4шт.

|15

6675-11-4060

BAND ASS'Y

SN: 40447-UP

1шт.

15

0

BAND

SN: 40447-UP

1шт.

16

0

PIN

SN: 40447-UP

1шт.

17

0

PIN¤ WITH THREAD

SN: 40447-UP

1шт.

18

6643-11-4640

BOLT

SN: 40447-UP

1шт.

Выбрано товаров: 27