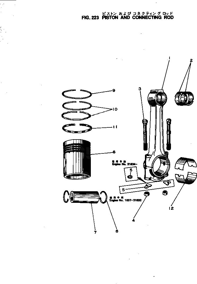
Запчасти Komatsu NH-220-CI-1K ПОРШЕНЬ И ШАТУН БЛОК ЦИЛИНДРОВ

Схема запчастей Komatsu NH-220-CI-1K - ПОРШЕНЬ И ШАТУН БЛОК ЦИЛИНДРОВ
FIT
1:1
100%

Артикул

Название

Примечание

Количество

|1

6620-31-3012

CONNECTING ROD A.

SN: 31634-UP

6шт.

|1

6620-31-3010

CONNECTING ROD A.

SN: 8289-31633

6шт.

1

0

ROD,CONNECTING

SN: 31634-UP

1шт.

|1

0

ROD,CONNECTING

SN: 8289-31633

1шт.

2

6620-31-3120

BUSHING

SN: 8289-UP

2шт.

3

6610-31-3311

BOLT

SN: 31634-UP

2шт.

|3

0

BOLT

SN: 8289-31633

2шт.

4

6610-31-3320

NUT

SN: 8289-UP

2шт.

5

6610-31-3331

WASHER

SN: 31634-UP

2шт.

|5

6610-31-3330

PLATE,LOCK (K4)

SN: 8289-31633

2шт.

|6

6620-31-2010

PISTON ASS'Y

SN: 8289-UP

6шт.

6

6620-31-2110

PISTON

SN: 8289-UP

1шт.

7

6620-31-2410

PIN,PISTON

SN: 8289-UP

1шт.

8

6610-31-2130

RING,SNAP

SN: 8289-UP

2шт.

|9

6620-31-2020

PISTON RING SET

SN: 8289-UP

1шт.

|9

6620-31-2030

PISTON RING A.

SN: 8289-UP

6шт.

9

0

RING,COMPRESSION

SN: 8289-UP

1шт.

10

0

RING,COMPRESSION

SN: 8289-UP

2шт.

11

0

RING,OIL

SN: 8289-UP

1шт.

|$$20

STANDARD

-1шт.

12

6610-31-3041

CRANK PIN METAL A.

SN: 31634-UP

6шт.

|12

6610-31-3040

CRANK PIN METAL A.

SN: 8289-31633

6шт.

|12

0

METAL

SN: 31634-UP

2шт.

|12

0

METAL

SN: 8289-31633

2шт.

|$$25

UNDERSIZE 0.25MM

-1шт.

12

6610-39-3041

CRANK PIN METAL A.

SN: 31634-UP

6шт.

|12

6610-39-3040

CRANK PIN METAL A.

SN: 8289-31633

6шт.

|12

0

METAL

SN: 31634-UP

2шт.

|12

0

METAL

SN: 8289-31633

2шт.

|$$30

UNDERSIZE 0.50MM

-1шт.

12

6610-38-3041

CRANK PIN METAL A.

SN: 31634-UP

6шт.

|12

6610-38-3040

CRANK PIN METAL A.

SN: 8289-31633

6шт.

|12

0

METAL

SN: 31634-UP

2шт.

|12

0

METAL

SN: 8289-31633

2шт.

|$$35

UNDERSIZE 0.75MM

-1шт.

12

6610-37-3041

CRANK PIN METAL A.

SN: 31634-UP

6шт.

|12

6610-37-3040

CRANK PIN METAL A.

SN: 8289-31633

6шт.

|12

0

METAL

SN: 31634-UP

2шт.

|12

0

METAL

SN: 8289-31633

2шт.

|$$40

UNDERSIZE 1.00MM

-1шт.

12

6610-36-3041

CRANK PIN METAL A.

SN: 31634-UP

6шт.

|12

6610-36-3040

CRANK PIN METAL A.

SN: 8289-31633

6шт.

|12

0

METAL

SN: 31634-UP

2шт.

|12

0

METAL

SN: 8289-31633

2шт.

Выбрано товаров: 44