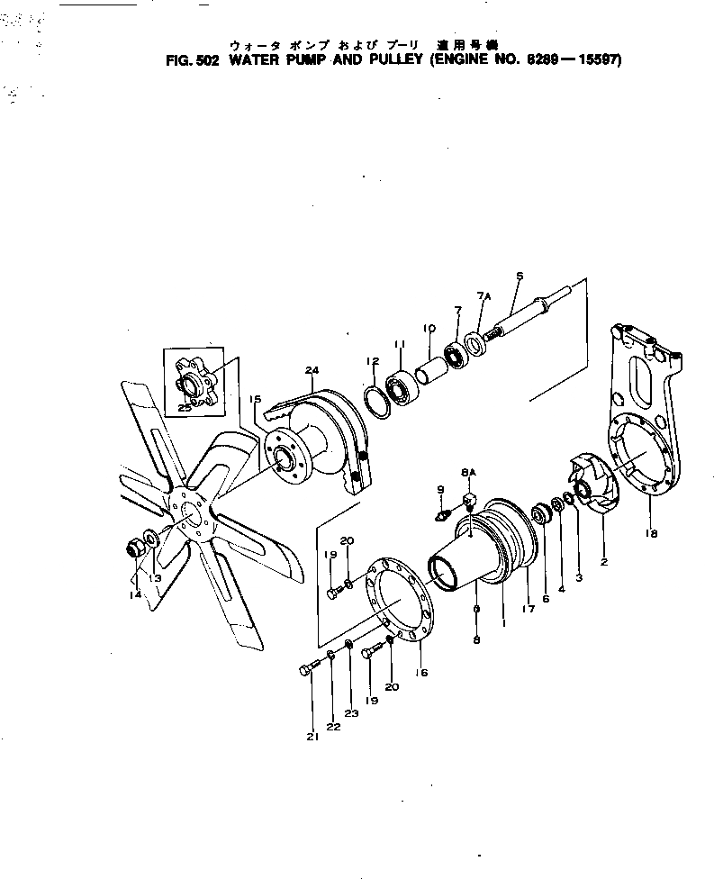
Запчасти Komatsu NH-220-CI-1K ВОДЯНАЯ ПОМПА И ШКИВ(№889-97) ОХЛАЖД-Е И ЭЛЕКТРИКАS

Схема запчастей Komatsu NH-220-CI-1K - ВОДЯНАЯ ПОМПА И ШКИВ(№889-97) ОХЛАЖД-Е И ЭЛЕКТРИКАS
FIT
1:1
100%

Артикул

Название

Примечание

Количество

|1

6672-62-1013

WATER PUMP ASS'Y

SN: 11284-15597

1шт.

|1

6672-62-1012

WATER PUMP ASS'Y

SN: 8289-11283

1шт.

|1

6676-62-1023

WATER PUMP ASS'Y

SN: 11284-15597

1шт.

|1

6676-62-1022

WATER PUMP ASS'Y

SN: 8289-11283

1шт.

1

6676-62-1111

BODY,WATER PUMP

SN: 8289-15597

1шт.

|2

6610-61-1030

IMPELLER ASS'Y,WATER PUMP

SN: 8289-@

1шт.

2

0

IMPELLER,WATER PUMP

SN: 8289-@

1шт.

3

6610-61-1340

FILM

SN: 8289-@

1шт.

4

0

SEAT

SN: 8289-@

1шт.

5

6610-61-1310

SHAFT,WATER PUMP

SN: 8289-15597

1шт.

6

6610-61-1511

SEAL¤ WATER (K4)

SN: 8289-@

1шт.

7

6676-62-1141

BEARING

SN: 11284-15597

1шт.

|7

0

BEARING

SN: 8289-11283

1шт.

7A

6610-69-1210

FILTER (K4)

SN: 8289-@

1шт.

8

02720-20204

PLUG

SN: 8289-@

1шт.

9

6600-02-3850

NIPPLE

SN: 8289-@

1шт.

10

6610-61-1130

SPACER

SN: 8289-15597

1шт.

11

6600-01-1211

BEARING

SN: 11284-15597

1шт.

|11

0

BEARING

SN: 8289-11283

1шт.

12

6676-62-1120

RING,SNAP

SN: 8289-15597

1шт.

13

6676-62-1370

WASHER (K4)

SN: 8289-15597

1шт.

14

6676-62-1360

NUT

SN: 8289-15597

1шт.

15

6672-62-1351

PULLEY,WATER PUMP

SN: 11284-15597

1шт.

|15

6672-62-1350

PULLEY,WATER PUMP

SN: 8289-11283

1шт.

16

6676-62-1220

SUPPORT,WATER PUMP

SN: 8289-@

1шт.

17

6610-61-1810

GASKET (K4)

SN: 8289-@

1шт.

18

6676-62-1210

BRACKET,WATER PUMP

SN: 8289-15597

1шт.

19

01010-31020

BOLT

SN: 8289-@

6шт.

20

01602-01030

WASHER,SPRING

SN: 8289-15597

6шт.

21

02030-30632

BOLT

SN: 8289-@

6шт.

22

02310-11224

WASHER,SPRING

SN: 8289-@

6шт.

23

01641-21016

WASHER

SN: 8289-15597

6шт.

24

6100-81-2612

V-BELT,PUMP DRIVE

SN: 8289-15597

2шт.

25

6693-62-3210

SPACER,FAN (COLD WEATHER SPEC.)

SN: 8289-15597

1шт.

Выбрано товаров: 34