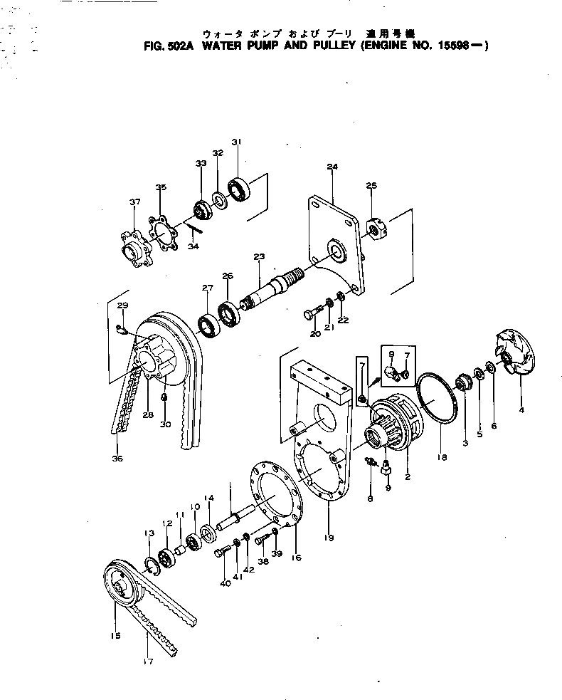
Запчасти Komatsu NH-220-CI-1K ВОДЯНАЯ ПОМПА И ШКИВ(№98-) ОХЛАЖД-Е И ЭЛЕКТРИКАS

Схема запчастей Komatsu NH-220-CI-1K - ВОДЯНАЯ ПОМПА И ШКИВ(№98-) ОХЛАЖД-Е И ЭЛЕКТРИКАS
FIT
1:1
100%

Артикул

Название

Примечание

Количество

|1

6672-62-1015

WATER PUMP ASS'Y

SN: 30560-UP

1шт.

|1

0

WATER PUMP ASS'Y

SN: 15598-30559

1шт.

|1

6675-61-1021

WATER PUMP ASS'Y

SN: 30560-UP

1шт.

|1

6675-61-1020

WATER PUMP ASS'Y

SN: 15598-30559

1шт.

1

6610-61-1310

SHAFT,WATER PUMP

SN: 15598-UP

1шт.

2

6671-61-1111

BODY,WATER PUMP

SN: 15598-UP

1шт.

3

6610-61-1511

SEAL¤ WATER (K4)

SN: 8289-UP

1шт.

|4

6610-61-1030

IMPELLER ASS'Y,WATER PUMP

SN: 8289-30559

1шт.

4

6610-61-1321

IMPELLER,WATER PUMP

SN: 30560-UP

1шт.

|4

0

IMPELLER,WATER PUMP

SN: 8289-30559

1шт.

5

6610-61-1331

SEAT (K4)

SN: 30560-UP

1шт.

|5

0

SEAT

SN: 8289-30559

1шт.

6

6610-61-1340

FILM

SN: 8289-30559

1шт.

7

02720-20204

PLUG

SN: 8289-UP

1шт.

8

6600-02-3850

NIPPLE

SN: 8289-UP

1шт.

9

6693-62-1930

ELBOW

SN: 8289-UP

1шт.

10

6600-01-1211

BEARING

SN: 15598-UP

1шт.

11

6610-61-1130

SPACER

SN: 15598-UP

1шт.

12

6600-01-1231

BEARING

SN: 15598-UP

1шт.

13

6610-61-1120

RING,SNAP

SN: 15598-UP

1шт.

14

6610-69-1210

FILTER (K4)

SN: 8289-UP

1шт.

15

6623-61-1350

PULLEY,WATER PUMP

SN: 15598-UP

1шт.

16

6676-62-1220

SUPPORT,WATER PUMP

SN: 8289-UP

1шт.

17

6610-81-6111

V-BELT,PUMP DRIVE

SN: 15598-UP

1шт.

18

6610-61-1810

GASKET (K4)

SN: 8289-UP

1шт.

19

6693-62-1210

BRACKET,WATER PUMP

SN: 15598-UP

1шт.

20

01010-31235

BOLT

SN: 15598-UP

4шт.

21

01602-01236

WASHER,SPRING

SN: 15598-UP

4шт.

22

01641-21016

WASHER

SN: 15598-UP

4шт.

|23

6672-61-2020

HUB ASS'Y

SN: 15598-UP

1шт.

23

6693-62-2320

SHAFT,FAN HUB

SN: 15598-UP

1шт.

24

6693-62-2310

SUPPORT,SHAFT

SN: 15598-UP

1шт.

25

6610-61-2330

NUT,LOCK

SN: 15598-UP

1шт.

26

6610-61-2170

SEAL,OIL (K4)

SN: 15598-UP

1шт.

27

6671-61-2141

BEARING

SN: 15598-UP

1шт.

|28

6643-60-2110

PULLEY ASS'Y

SN: 15598-UP

1шт.

28

6682-63-2110

PULLEY,FAN HUB

SN: 15598-UP

1шт.

29

6600-02-3740

NIPPLE

SN: 15598-UP

1шт.

30

02720-20204

PLUG

SN: 15598-UP

1шт.

31

6610-61-2151

BEARING

SN: 15598-UP

1шт.

32

6671-61-2360

WASHER,BEARING

SN: 15598-UP

1шт.

33

6610-61-2350

NUT

SN: 15598-UP

1шт.

34

6600-01-3420

PIN

SN: 15598-UP

1шт.

35

6671-61-2420

GASKET (K4)

SN: 15598-UP

1шт.

36

6693-82-6130

V-BELT

SN: 15598-UP

1шт.

|36

04121-12257

V-BELT,(COLD WEATHER SPEC.)

SN: .-UP

1шт.

|36

600-736-6220

V-BELT,(COLD WEATHER SPEC.)

SN: 15598-.

1шт.

37

6693-62-2410

SPACER

SN: 15598-UP

1шт.

|37

6693-62-2420

SPACER,(COLD WEATHER SPEC.)

SN: 15598-UP

1шт.

38

01010-31020

BOLT

SN: 8289-UP

6шт.

39

01602-01030

WASHER,SPRING

SN: 15598-UP

6шт.

40

02030-20632

BOLT

SN: 8289-UP

6шт.

41

02310-21224

WASHER,SPRING

SN: 8289-UP

6шт.

42

02300-21226

WASHER

SN: 15598-UP

6шт.

Выбрано товаров: 54