Запчасти Komatsu NH-220-CI-1K ТОЛКАТЕЛЬ КЛАПАНА И PUSH ROD БЛОК ЦИЛИНДРОВ

Схема запчастей Komatsu NH-220-CI-1K - ТОЛКАТЕЛЬ КЛАПАНА И PUSH ROD БЛОК ЦИЛИНДРОВ
FIT
1:1
100%

Артикул

Название

Примечание

Количество

|$0

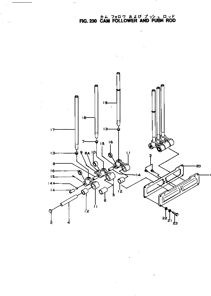
6610-41-2010

HOUSING ASS'Y,CAM FOLLOWER

SN: 8289-UP

3шт.

|$1

6610-41-2020

HOUSING ASS'Y

SN: 8289-UP

1шт.

1

6610-41-2111

HOUSING

SN: .-UP

1шт.

1

0

HOUSING

SN: 8289-.

1шт.

2

6710-41-2130

PLUG,EXPANSION

SN: 8289-UP

2шт.

3

6610-41-2120

SCREW

SN: 8289-UP

2шт.

4

6610-41-2140

SHAFT,ROCKER LEVER

SN: 8289-UP

2шт.

|$7

6610-41-2050

LEVER ASS'Y,INJECTOR CAM

SN: 8289-UP

2шт.

|$8

6610-41-2060

LEVER ASS'Y

SN: 8289-UP

1шт.

5

0

LEVER,INJECTOR CAM

SN: 8289-UP

1шт.

6

0

BUSHING

SN: 8289-UP

1шт.

7

6610-41-2330

SOCKET,LEVER

SN: 8289-UP

1шт.

|$12

6610-41-3040

PIN ASS'Y

SN: 8289-UP

1шт.

8

0

PIN,ROLLER

SN: 8289-UP

1шт.

8A

6610-41-2360

PLUG

SN: 8289-UP

1шт.

9

6610-41-2370

PIN,SPRING

SN: 8289-UP

1шт.

10

6610-41-2440

ROLLER,INJECTOR CAM

SN: 8289-UP

1шт.

|$17

6610-41-2030

LEVER ASS'Y,INTAKE AND EXHAUST

SN: 8289-UP

4шт.

|$18

6610-41-2040

LEVER ASS'Y

SN: 8289-UP

1шт.

11

0

LEVER,VALVE CAM

SN: 8289-UP

1шт.

12

0

BUSHING

SN: 8289-UP

1шт.

13

6610-41-2330

SOCKET,LEVER

SN: 8289-UP

1шт.

|$22

6610-41-3050

PIN ASS'Y

SN: 8289-UP

1шт.

14

0

PIN,ROLLER

SN: 8289-UP

1шт.

14A

6610-41-2360

PLUG

SN: 8289-UP

1шт.

15

6610-41-2370

PIN,SPRING

SN: 8289-UP

1шт.

16

6610-41-2340

ROLLER,VALVE CAM

SN: 8289-UP

1шт.

17

6610-41-3020

ROD ASS'Y,EXHAUST

SN: 8289-UP

6шт.

17

0

ROD

SN: 8289-UP

1шт.

18

6610-41-3030

ROD ASS'Y,INJECTOR

SN: 8289-UP

6шт.

18

0

ROD

SN: 8289-UP

1шт.

19

6610-41-3010

ROD ASS'Y,INTAKE

SN: 8289-UP

6шт.

19

0

ROD

SN: 8289-UP

1шт.

|$33

6610-41-2080

GASKET ASS'Y,CAM FOLLOWER HOUSING (K5)

SN: 8289-UP

1шт.

20

6610-41-2810

GASKET, 0.80MM (K5)

SN: 8289-UP

3шт.

20

6610-41-2820

GASKET, 0.38MM (K5)

SN: 8289-UP

3шт.

20

6610-41-2830

GASKET, 0.18MM (K5)

SN: 8289-UP

3шт.

21

02310-11224

WASHER,SPRING

SN: 8289-UP

18шт.

22

02300-01320

WASHER

SN: 8289-UP

18шт.

23

02030-20625

BOLT

SN: 8289-UP

18шт.

Выбрано товаров: 0