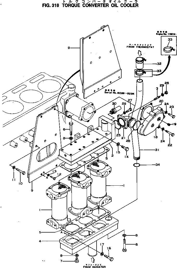
Запчасти Komatsu NH-220-CI-1K ОХЛАЖДЕНИЕ МАСЛА ГТР СИСТЕМА СМАЗКИ МАСЛ. СИСТЕМА

Схема запчастей Komatsu NH-220-CI-1K - ОХЛАЖДЕНИЕ МАСЛА ГТР СИСТЕМА СМАЗКИ МАСЛ. СИСТЕМА
FIT
1:1
100%

Артикул

Название

Примечание

Количество

|$0

6693-60-9203

OIL COOLER ASS'Y,TORQUE CONVERTER

SN: 20462-UP

1шт.

|$1

0

OIL COOLER ASS'Y,TORQUE CONVERTER

SN: 11984-20461

1шт.

|$2

6693-60-9201

OIL COOLER ASS'Y,TORQUE CONVERTER

SN: 9518-11983

1шт.

|$3

6693-60-9200

OIL COOLER ASS'Y,TORQUE CONVERTER

SN: 8289-8294

1шт.

1

6693-62-9420

COOLER,TORQUE CONVERTER

SN: .-UP

3шт.

1

0

COOLER,TORQUE CONVERTER

SN: 8289-.

3шт.

|$6

6693-60-9212

COVER ASS'Y,UPPER

SN: 11984-UP

1шт.

|$7

6693-60-9211

COVER ASS'Y,UPPER

SN: 9518-11983

1шт.

|$8

6693-60-9210

COVER ASS'Y,UPPER

SN: 8289-8284

1шт.

2

0

COVER,UPPER

SN: 11984-UP

1шт.

2

0

COVER,UPPER

SN: 9518-11983

1шт.

2

0

COVER,UPPER

SN: 9518-11983

1шт.

2

0

COVER,UPPER

SN: 8289-8294

1шт.

3

01124-31030

STUD

SN: 8289-UP

2шт.

4

6693-62-9234

COVER,LOWER

SN: 20462-UP

1шт.

4

0

COVER,LOWER

SN: 11984-20461

1шт.

4

6694-62-9232

COVER,LOWER

SN: 9518-11983

1шт.

4

6693-62-9231

COVER,LOWER

SN: 8289-8294

1шт.

5

6693-62-9281

GASKET (K5)

SN: 11984-UP

2шт.

5

0

GASKET (K5)

SN: 8289-11983

2шт.

6

01010-31285

BOLT

SN: 8289-UP

23шт.

7

01011-31220

BOLT

SN: 8289-UP

1шт.

8

01602-01236

WASHER,SPRING

SN: 8289-UP

24шт.

9

6693-62-9253

BRACKET,OIL COOLER

SN: 36333-UP

1шт.

9

0

BRACKET,OIL COOLER

SN: 9518-36332

1шт.

9

6693-62-9251

BRACKET,OIL COOLER

SN: 8289-8294

1шт.

10

02010-20864

BOLT

SN: 8289-UP

3шт.

11

02310-11632

WASHER,SPRING

SN: 8289-UP

3шт.

12

02010-20632

BOLT

SN: 8289-UP

2шт.

13

02310-11224

WASHER,SPRING

SN: 8289-UP

2шт.

14

01010-31255

BOLT

SN: 8289-UP

2шт.

15

01602-01236

WASHER,SPRING

SN: 8289-UP

2шт.

16

01010-31245

BOLT

SN: 8289-UP

2шт.

16

0

BOLT

SN: (8289-11893)

2шт.

17

01602-01236

WASHER,SPRING

SN: 8289-UP

2шт.

|$35

6693-60-9020

CONNECTOR ASS'Y

SN: 8289-UP

1шт.

18

0

CONNECTOR,COOLER

SN: 8289-UP

1шт.

19

07042-00108

PLUG

SN: 8289-UP

1шт.

20

6693-62-9120

GASKET (K4)

SN: 8289-UP

1шт.

21

6693-62-9141

ELBOW

SN: 25234-UP

1шт.

21

6693-62-9140

ELBOW

SN: 8289-25233

1шт.

22

01010-31060

BOLT

SN: 8289-UP

3шт.

23

01010-31050

BOLT

SN: 8289-UP

2шт.

24

01602-01030

WASHER,SPRING

SN: 8289-UP

5шт.

25

07000-03062

O-RING (K4)

SN: 8289-UP

1шт.

26

07000-03060

O-RING (K4)

SN: 8289-UP

1шт.

27

01010-31030

BOLT

SN: 8289-UP

2шт.

28

01580-01008

NUT

SN: 8289-UP

2шт.

29

01602-01030

WASHER,SPRING

SN: 8289-UP

4шт.

30

6693-62-8670

CONNECTOR

SN: 8289-UP

1шт.

31

6693-62-6513

PIPE

SN: 11984-UP

1шт.

31

6693-62-6512

PIPE

SN: 9518-11983

1шт.

31

6693-62-6511

PIPE

SN: 8289-9517

1шт.

32

6610-61-6531

HOSE

SN: .-UP

1шт.

32

0

HOSE

SN: 8289-.

1шт.

33

07280-04726

CLAMP

SN: 8289-UP

2шт.

34

07000-03035

O-RING (K4)

SN: 8289-UP

1шт.

Выбрано товаров: 57