Запчасти Komatsu NH-220-CI-1K DYNAMO И КРЕПЛЕНИЕ ОХЛАЖД-Е И ЭЛЕКТРИКАS

Схема запчастей Komatsu NH-220-CI-1K - DYNAMO И КРЕПЛЕНИЕ ОХЛАЖД-Е И ЭЛЕКТРИКАS
FIT
1:1
100%

Артикул

Название

Примечание

Количество

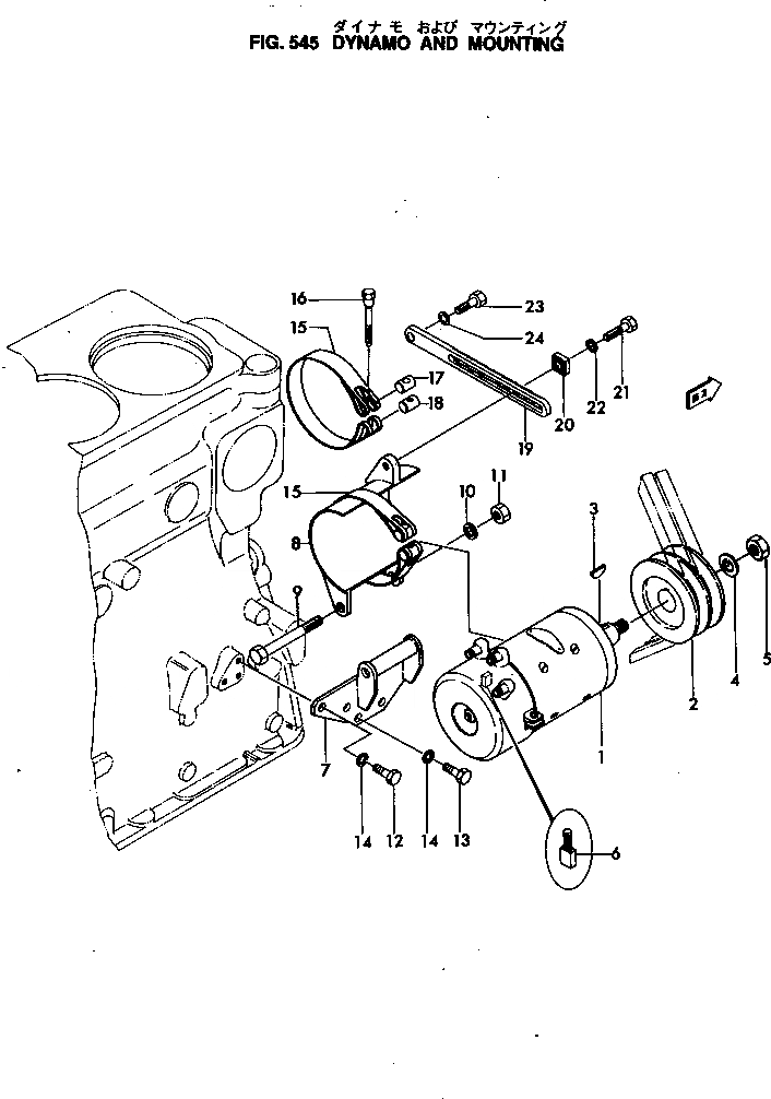
1

6672-82-2510

DYNAMO ASS'Y (12A),(0.3KW)

SN: 8289-UP

1шт.

2

KDSGXPB-400

PULLEY

SN: 8289-UP

1шт.

3

KD81422

KEY

SN: 8289-UP

1шт.

4

KD31611

WASHER,SPRING

SN: 8289-UP

1шт.

5

KD26141

NUT

SN: 8289-UP

1шт.

6

KDSGX-023

BRUSH

SN: 8289-UP

1шт.

|$6

6672-22-6301

BRACKET ASS'Y

SN: 15598-UP

1шт.

|$7

0

BRACKET ASS'Y

SN: 8289-15597

1шт.

7

6672-22-6311

BRACKET

SN: 15598-UP

1шт.

7

0

BRACKET

SN: 8289-15597

1шт.

8

6672-22-6321

BRACKET

SN: 15598-UP

1шт.

8

0

BRACKET

SN: 8289-15597

1шт.

9

6120-21-5121

BOLT

SN: 8289-UP

1шт.

10

01602-01236

WASHER,SPRING

SN: 8289-UP

1шт.

11

01580-01210

NUT

SN: 8289-UP

1шт.

12

02010-20622

BOLT

SN: 8289-UP

3шт.

13

02010-20619

BOLT

SN: 8289-UP

2шт.

14

02310-11224

WASHER,SPRING

SN: 8289-UP

5шт.

|$18

6672-22-6041

BAND ASS'Y

SN: 27028-UP

1шт.

|$19

6672-22-6040

BAND ASS'Y

SN: 8289-27027

2шт.

15

6675-21-6461

BAND

SN: .-UP

2шт.

15

6675-21-6460

BAND

SN: 27028-.

2шт.

15

6111-21-6460

BAND

SN: 8289-27027

2шт.

16

6110-23-6520

BOLT

SN: 30157-UP

2шт.

16

6110-21-6520

BOLT

SN: 8289-30156

2шт.

17

6110-21-6530

PIN

SN: .-UP

2шт.

17

6693-22-6530

PIN

SN: 27028-.

2шт.

17

6110-21-6530

PIN

SN: 8289-27027

2шт.

18

6110-21-6540

PIN, WITH THREAD

SN: .-UP

2шт.

18

6693-22-6540

PIN, WITH THREAD

SN: 27028-.

2шт.

18

6110-21-6540

PIN, WITH THREAD

SN: 8289-27027

2шт.

19

6672-22-6351

PLATE,ADJUSTING

SN: 27028-UP

1шт.

19

6672-22-6350

PLATE,ADJUSTING

SN: 8289-27027

1шт.

20

6691-21-6360

SPACER

SN: 27028-UP

1шт.

20

6676-23-6360

PLATE

SN: 8289-27027

1шт.

21

01050-31235

BOLT

SN: 8289-UP

1шт.

22

01602-01236

WASHER,SPRING

SN: 8289-UP

1шт.

23

02030-20764

BOLT

SN: 8289-UP

1шт.

24

02310-11428

WASHER,SPRING

SN: 8289-UP

1шт.

Выбрано товаров: 39