Запчасти Komatsu NH-220-CI-2E - -

Схема запчастей Komatsu NH-220-CI-2E - - -
FIT
1:1
100%

Артикул

Название

Примечание

Количество

|1

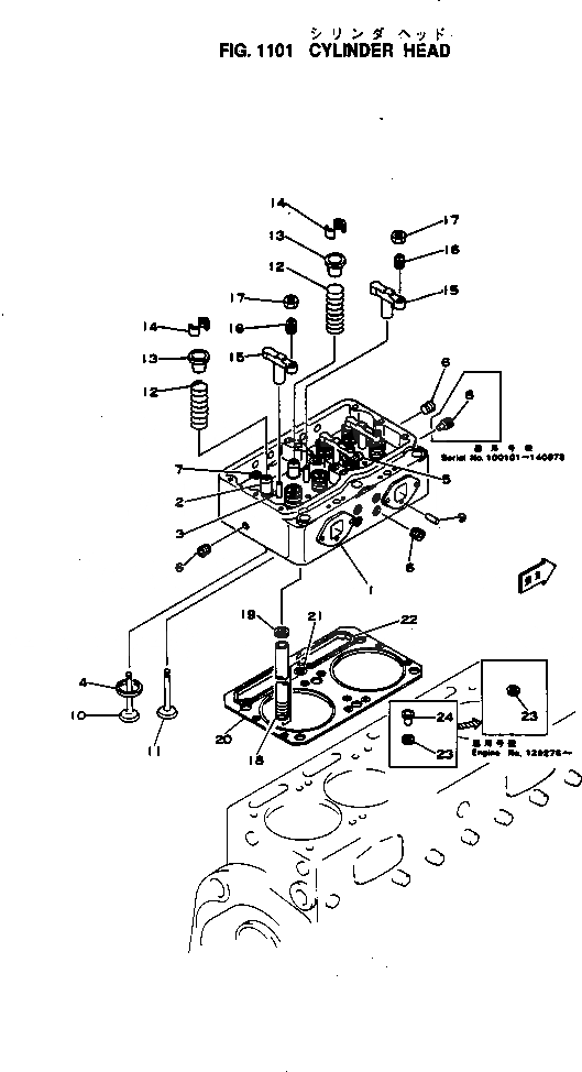
6610-10-1001

CYLINDER HEAD A

SN: 152140-UP

3шт.

|1

0

CYLINDER HEAD

SN: 100101-152139

3шт.

|1

6610-10-1101

CYLINDER HEAD A

SN: 152140-UP

1шт.

|1

0

CYLINDER HEAD

SN: 100101-152139

1шт.

1

0

SN: 100101-UP

1шт.

2

6610-11-1311

VALVE GUIDE

SN: .-UP

8шт.

|2

0

GUIDE

SN: 100101-.

8шт.

|2

0

GUIDE

SN: .-UP

8шт.

3

6610-11-1140

GUIDE

SN: 100101-UP

4шт.

4

6610-11-1220

INSERT

SN: 152140-UP

4шт.

|4

0

INSERT

SN: 100101-152139

4шт.

|4

6610-19-1220

INSERT

SN: 152140-UP

4шт.

|4

0

INSERT

SN: 100101-152139

4шт.

|4

6610-18-1220

INSERT

SN: 152140-UP

4шт.

|4

0

INSERT

SN: 100101-152139

4шт.

|4

6610-17-1220

INSERT

SN: 152140-UP

4шт.

|4

0

INSERT

SN: 100101-152139

4шт.

|4

6610-16-1220

INSERT

SN: 152140-UP

4шт.

|4

0

INSERT

SN: 100101-152139

4шт.

|4

6610-15-1220

INSERT

SN: 152140-UP

4шт.

|4

0

INSERT

SN: 100101-152139

4шт.

5

6610-11-1130

SLEEVE

SN: 100101-UP

2шт.

6

02720-41616

PLUG

SN: .-UP

6шт.

|6

0

PLUG

SN: 100101-.

6шт.

7

6610-11-1461

PLUG

SN: .-UP

2шт.

|7

0

PLUG

SN: 100101-.

2шт.

8

6610-11-1470

PLUG

SN: 100101-140878

1шт.

9

6610-11-1420

PIN

SN: 100101-UP

2шт.

10

6610-41-4210

EXHAUST VALVE

SN: 100101-UP

4шт.

11

6610-41-4110

INTAKE VALVE

SN: 100101-UP

4шт.

12

6610-41-4410

VALVE SPRING

SN: 100101-UP

8шт.

13

6610-41-4510

GUIDE

SN: 100101-UP

8шт.

14

6600-01-3910

VALVE COTTER

SN: 100101-UP

16шт.

15

6610-41-5610

CROSSHEAD

SN: 100101-UP

12шт.

16

6610-41-5620

SCREW

SN: 100101-UP

12шт.

17

6710-41-5630

NUT

SN: 116827-UP

12шт.

|17

0

NUT

SN: 100101-116826

12шт.

18

6610-21-2610

PIPE

SN: 100101-UP

3шт.

19

6610-11-1711

GASKET

SN: .-UP

3шт.

|19

0

GASKET

SN: 100101-.

3шт.

|20

6610-11-1080

GASKET KIT

SN: 100101-129275

3шт.

20

6610-11-1811

GASKET

SN: 129276-UP

1шт.

|20

0

SN: 100101-129275

1шт.

21

6610-11-1840

GROMMET

SN: 100101-UP

1шт.

22

6610-11-1830

RING

SN: 100101-UP

2шт.

23

6610-11-1821

GROMMET

SN: 129276-UP

8шт.

|23

0

GROMMET

SN: 100101-129275

8шт.

24

6610-11-1850

RETAINER

SN: 100101-129275

8шт.

Выбрано товаров: 48