Запчасти Komatsu NH-220-CI-2H - -

Схема запчастей Komatsu NH-220-CI-2H - - -
FIT
1:1
100%

Артикул

Название

Примечание

Количество

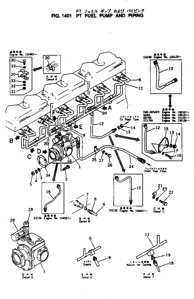
1

6632-73-1002

PT PUMP ASS'Y

SN: ..-UP

1шт.

|1

0

PT PUMP ASS'Y

SN: 101990-..

1шт.

|1

6632-73-1000

PT PUMP ASS'Y

SN: 100101-101989

1шт.

2

02010-20744

BOLT

SN: 100101-UP

3шт.

|2

6600-01-2280

CAP SCREW

SN: 100101-UP

1шт.

3

02300-11520

WASHER

SN: 100101-UP

4шт.

4

02310-11428

WASHER

SN: 100101-UP

4шт.

5

02206-10707

NUT

SN: 100101-UP

4шт.

|6

6643-71-8010

MANIFOLD

SN: 100101-UP

1шт.

6

6623-71-8150

MANIFOLD

SN: 100101-UP

1шт.

7

6610-71-8180

FERRULE

SN: 100101-UP

6шт.

8

6610-71-8160

NUT

SN: 100101-UP

6шт.

9

6676-73-8111

TUBE

SN: 100101-UP

1шт.

11

6623-71-8212

DRAIN TUBE

SN: 101518-UP

1шт.

|11

6623-71-8211

MANIFOLD

SN: 100101-101517

1шт.

18

6610-71-8290

TUBE

SN: 101518-UP

1шт.

19

6610-71-8340

CONNECTOR

SN: 101518-UP

1шт.

20

6610-71-8250

CLIP

SN: .-UP

4шт.

|20

6610-71-8251

CLIP

SN: 100101-.

2шт.

21

6610-71-8240

CLIP

SN: 100101-UP

3шт.

22

02030-20616

BOLT

SN: 100101-UP

3шт.

23

02310-11224

WASHER

SN: 100101-UP

3шт.

24

6640-71-9551

HOSE

SN: 100101-UP

1шт.

25

6600-01-5950

CLIP

SN: 145824-UP

1шт.

|25

6600-01-5570

CLAMP

SN: 100101-145823

1шт.

26

02030-20616

BOLT

SN: 145824-UP

1шт.

|26

02030-30738

BOLT

SN: 100101-145823

1шт.

27

02310-11224

WASHER

SN: 145824-UP

1шт.

|27

01602-01134

WASHER

SN: 100101-145823

1шт.

28

08684-00148

SERVICE METER

SN: .-UP

1шт.

|28

0

SERVICE METER

SN: 100101-.

1шт.

29

6130-81-5290

CAP

SN: .-UP

1шт.

|29

0

CAP

SN: 100101-.

1шт.

30

02010-20425

BOLT

SN: 134983-UP

2шт.

31

02205-10406

NUT

SN: 134983-UP

2шт.

32

02310-10916

WASHER

SN: 134983-UP

2шт.

33

02300-10920

WASHER

SN: 134983-UP

4шт.

34

6610-71-7821

GASKET

SN: 100101-UP

1шт.

Выбрано товаров: 0