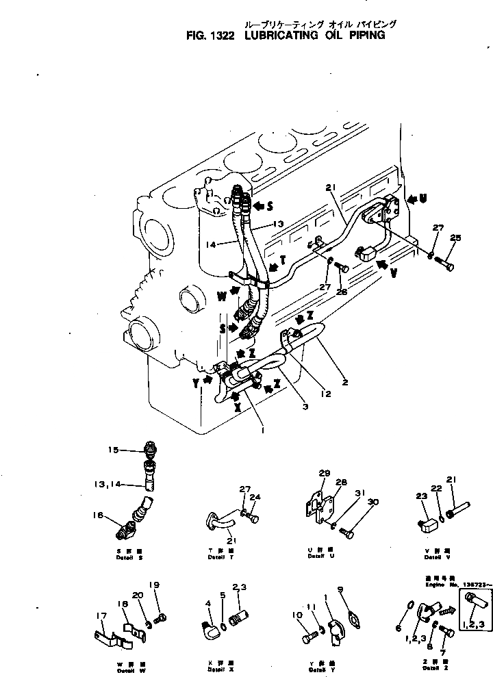
Запчасти Komatsu NH-220-CI-2H СИСТЕМА СМАЗКИ МАСЛОПРОВОДЯЩАЯ ЛИНИЯ СИСТЕМА СМАЗКИ МАСЛ. СИСТЕМА

Схема запчастей Komatsu NH-220-CI-2H - СИСТЕМА СМАЗКИ МАСЛОПРОВОДЯЩАЯ ЛИНИЯ СИСТЕМА СМАЗКИ МАСЛ. СИСТЕМА
FIT
1:1
100%

Артикул

Название

Примечание

Количество

1

6632-51-9230

PIPE,MAIN SUCTION

SN: 136723-UP

1шт.

1

6693-52-9230

PIPE,MAIN SUCTION

SN: 100101-136722

1шт.

2

6632-51-9210

PIPE,SCAVENGING

SN: 136723-UP

1шт.

2

6693-52-9210

PIPE,SCAVENGING

SN: 118414-136722

1шт.

2

0

PIPE,SCAVENGING

SN: 100101-118413

1шт.

3

6632-51-9220

PIPE

SN: 136723-UP

1шт.

3

6693-52-9220

PIPE

SN: 118414-136722

1шт.

3

0

PIPE

SN: 100101-118413

1шт.

4

6672-52-9281

ELBOW

SN: 100101-UP

2шт.

5

07000-03022

O-RING (K2)

SN: 100101-UP

2шт.

6

07000-03028

O-RING (K2)

SN: 100101-136722

3шт.

7

01010-30845

BOLT

SN: 100101-136722

6шт.

8

01602-00825

WASHER,SPRING

SN: 100101-136722

6шт.

9

6610-51-1650

GASKET (K2)

SN: 100101-UP

1шт.

10

02010-20644

BOLT

SN: 100101-UP

2шт.

11

02310-11224

WASHER,SPRING

SN: 100101-UP

2шт.

12

6691-51-9260

CLAMP

SN: 118414-UP

1шт.

12

6631-51-9260

CLAMP

SN: 100101-118413

1шт.

13

6693-52-9733

HOSE,INLET

SN: 147161-UP

1шт.

13

0

HOSE,INLET

SN: .-147160

1шт.

13

6693-52-9731

HOSE,INLET

SN: 100101-.

1шт.

14

6693-52-9712

HOSE,OUTLET

SN: 147229-UP

1шт.

14

0

HOSE,OUTLET

SN: 100101-147228

1шт.

15

6672-52-9911

CONNECTOR

SN: 100101-UP

2шт.

16

6672-52-9931

ELBOW

SN: 100101-UP

2шт.

17

6693-52-9742

CLAMP

SN: 113965-UP

1шт.

17

0

CLAMP

SN: 100101-113964

1шт.

18

6672-52-9840

CLAMP

SN: 100101-UP

1шт.

19

01010-30816

BOLT

SN: 100101-UP

1шт.

20

01602-00825

WASHER,SPRING

SN: 100101-UP

1шт.

21

6693-52-9970

PIPE,BYPASS

SN: 100101-UP

1шт.

22

07000-02015

O-RING (K2)

SN: 100101-UP

1шт.

23

6693-52-9241

ELBOW

SN: 100101-UP

1шт.

24

02030-20632

BOLT

SN: 100101-UP

2шт.

25

02030-20657

BOLT

SN: 100101-UP

2шт.

26

02030-20616

BOLT

SN: 100101-UP

1шт.

27

02310-11224

WASHER,SPRING

SN: 100101-UP

5шт.

28

6672-52-9680

PLATE

SN: 104796-UP

1шт.

29

6672-52-9690

GASKET (K2)

SN: 104796-UP

1шт.

30

01010-31030

BOLT

SN: 104796-UP

4шт.

31

01602-01030

WASHER,SPRING

SN: 104796-UP

4шт.

Выбрано товаров: 41