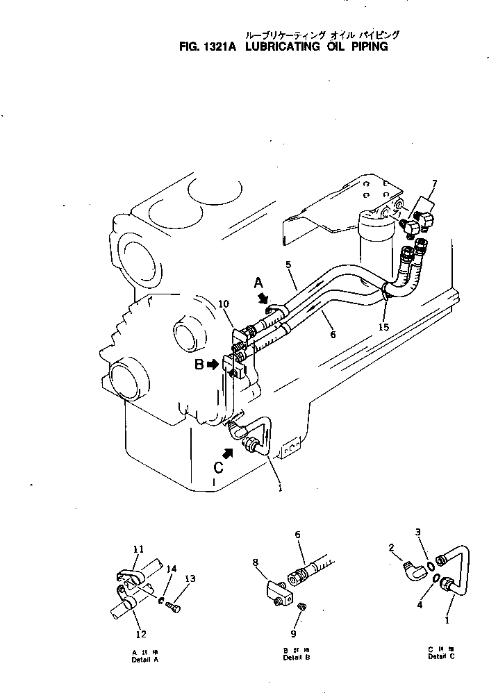
Запчасти Komatsu NH-220-CI-2JJ СИСТЕМА СМАЗКИ МАСЛОПРОВОДЯЩАЯ ЛИНИЯ СИСТЕМА СМАЗКИ МАСЛ. СИСТЕМА

Схема запчастей Komatsu NH-220-CI-2JJ - СИСТЕМА СМАЗКИ МАСЛОПРОВОДЯЩАЯ ЛИНИЯ СИСТЕМА СМАЗКИ МАСЛ. СИСТЕМА
FIT
1:1
100%

Артикул

Название

Примечание

Количество

1

6679-52-9210

PIPE,MAIN SUCTION

SN: 174424-UP

1шт.

2

6672-52-9281

ELBOW

SN: 174424-UP

1шт.

3

07000-03022

O-RING (K2)

SN: 174424-UP

1шт.

4

07000-03028

O-RING (K2)

SN: 174424-UP

1шт.

5

07102-20608

HOSE,INLET

SN: 174424-UP

1шт.

6

07102-20608

HOSE,OUTLET

SN: 174424-UP

1шт.

7

6672-52-9931

ELBOW

SN: 174424-UP

2шт.

8

6631-51-9920

ELBOW

SN: 174424-UP

1шт.

9

02720-20810

PLUG

SN: 174424-UP

1шт.

10

6631-51-9930

ELBOW

SN: 174424-UP

1шт.

11

6631-51-9740

CLAMP

SN: 174424-UP

1шт.

12

6631-51-9750

CLAMP

SN: 174424-UP

1шт.

13

02030-20625

BOLT

SN: 174424-UP

2шт.

14

02310-11224

WASHER,SPRING

SN: 174424-UP

2шт.

15

08034-00519

BAND

SN: 174424-UP

1шт.

Выбрано товаров: 15