Запчасти Komatsu NT-855-1A PT ТОПЛИВН. НАСОС (7/7) ТОПЛИВН. СИСТЕМА

Схема запчастей Komatsu NT-855-1A - PT ТОПЛИВН. НАСОС (7/7) ТОПЛИВН. СИСТЕМА
FIT
1:1
100%

Артикул

Название

Примечание

Количество

|1

6711-71-1024

PT FUEL PUMP ASS'Y

SN: 194096-UP

1шт.

|1

0

PT FUEL PUMP ASS'Y

SN: 190871-194095

1шт.

|1

6711-71-1023

PT FUEL PUMP ASS'Y

SN: 155379-190870

1шт.

|1

6711-71-1022

PT FUEL PUMP ASS'Y

SN: 139838-155378

1шт.

|1

6711-71-1111

PT FUEL PUMP ASS'Y,(D80F-18 FARM TRACTOR SPEC.)

SN: 157067-UP

1шт.

|1

6620-71-2073

GEAR PUMP ASS'Y

SN: 144160-UP

1шт.

|1

6620-71-2072

GEAR PUMP ASS'Y

SN: 139838-144159

1шт.

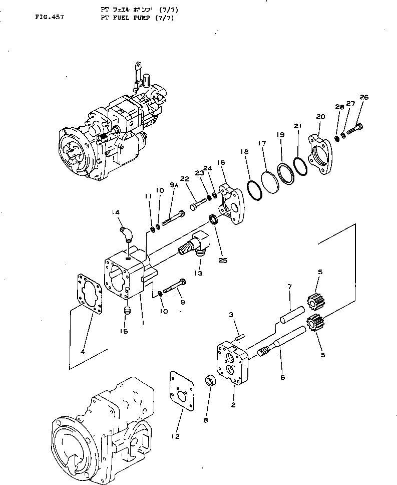
1

6620-71-2512

HOUSING

SN: 144160-UP

1шт.

|1

6620-71-2511

HOUSING

SN: 139838-144159

1шт.

2

6610-71-2521

COVER

SN: 139838-UP

1шт.

3

02400-10625

PIN

SN: 139838-UP

2шт.

4

6610-71-2541

GASKET (K6)

SN: 139838-UP

1шт.

5

6620-71-2641

GEAR

SN: 139838-UP

2шт.

6

6620-71-2610

SHAFT

SN: 139838-UP

1шт.

7

6620-71-2631

SHAFT

SN: 139838-UP

1шт.

8

6610-71-2530

RING

SN: 139838-UP

1шт.

9

02100-00464

BOLT

SN: 139838-UP

4шт.

9A

02100-00464

BOLT

SN: .-UP

2шт.

|9A

02100-00457

BOLT

SN: 139838-.

2шт.

10

6610-71-1230

WASHER,SPRING

SN: 139838-UP

6шт.

11

6610-71-1840

WASHER

SN: 139838-UP

2шт.

12

6610-71-2811

GASKET (K6)

SN: 139838-UP

1шт.

13

6691-71-2570

ELBOW,FUEL INLET

SN: 139838-UP

1шт.

14

6610-71-8190

ELBOW

SN: 139838-UP

1шт.

15

02720-40204

PLUG

SN: 139838-UP

1шт.

|16

6610-71-2090

DAMPER ASS'Y

SN: 139838-UP

1шт.

16

6610-71-2710

BODY

SN: 139838-UP

1шт.

17

6610-71-2731

DIAPHRAGM

SN: 139838-UP

1шт.

18

6610-71-2741

RING (K6)

SN: 139838-UP

1шт.

19

6610-71-2760

WASHER

SN: 139838-UP

1шт.

20

6610-71-2720

COVER

SN: 139838-UP

1шт.

21

6610-71-2771

RING (K6)

SN: 139838-UP

1шт.

22

02010-70432

BOLT

SN: 139838-UP

2шт.

23

01602-00720

WASHER,SPRING

SN: 139838-UP

2шт.

24

6610-71-1840

WASHER

SN: 139838-UP

2шт.

25

6610-71-2750

SEAL (K6)

SN: 139838-UP

1шт.

26

6600-01-2150

BOLT

SN: 139838-UP

2шт.

27

6610-71-1230

WASHER,SPRING

SN: 139838-UP

2шт.

28

6610-71-1840

WASHER

SN: 139838-UP

2шт.

Выбрано товаров: 39